电脑桌面
添加小米粒文库到电脑桌面
安装后可以在桌面快捷访问

2025年水电施工内业资料给排水与采暖全套验收资料VIP专享

2025年水电施工内业资料给排水与采暖全套验收资料_第1页
1/52
2025年水电施工内业资料给排水与采暖全套验收资料_第2页
2/52
2025年水电施工内业资料给排水与采暖全套验收资料_第3页
3/52
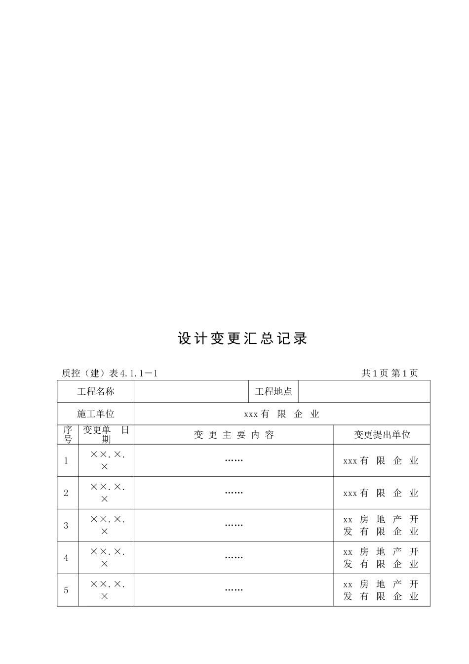
给 排 水 与 采 暖内 业 资 料目 录( 一 )设 计 变 更 汇 总 记 录.......................... 3( 二 )工 程 洽 商 记 录................................. 4( 三 )设 备 开 箱 检 查 记录 .......................... 5( 四 )材 料 进 场 抽 样 检 查 记 录 ... 6( 五 )设 备 、 材 料 合 格 证 汇 总 表 .7( 六 )阀 门 强 度 及 严 密 性 试 验 记 录............8( 七 )管 道 、 设 备 强 度 及 严 密 性 试 验 记 录.9( 八 )管 道 、 设 备 强 度 及 严 密 性 试 验 记 录10( 九 )管 道 、 设 备 强 度 及 严 密 性 试 验 记 录11( 十 )燃 气 管 道 强 度 及 严 密 性 试 验 记 录... 12( 十 一 )隐 蔽 工 程 验 收 记 录........................ 13( 十 二 )系 统 清 洗 记 录 ..............14( 十 三 )管 道 系 统 吹 扫 ( 脱 脂 ) 检 查 记 录... 15( 十 四 )排 ( 雨 ) 水 管 道 灌 水 试 验 记 录....... 16( 十 五 )排 ( 雨 ) 水 管 道 灌 水 试 验 记 录....... 17( 十 六 )排 水 管 道 通 水 能 力 试 验 记 录..........18( 十 七 )排 水 管 道 通 球 试 验 记 录.................19( 十 八 )水 泵 试 运 转 测 试 检 查 记 录.............. 20( 十 九 )室内给水管道及配件安装工程检查批质量验收记录..................................................21( 二 十 )室内消火栓系统安装工程检查批质量验收记录22( 二 十 一 )室内排水管道及配件安装工程检查批质量验收记录..................................................23( 二 十 二 )雨水管道及配件安装工程检查批质量验收记录24( 二 十 三 )卫生器具安装工程检查批质量验收记录25( 二 十 四 )卫生器具给水配件安装工程检查批质量验收记录26( 二 十 五 )卫生器具排水管道安装工程检查批质量验收记录27( 二 十 六 )分 项 工 程 质 量 验 收 记 录................. 28( 二 十 七 )给 水 管 道 及 配 件 安 装 .....................28( 二 十 八 )子 分 部 工 程 质 量 ...

1、当您付费下载文档后,您只拥有了使用权限,并不意味着购买了版权,文档只能用于自身使用,不得用于其他商业用途(如 [转卖]进行直接盈利或[编辑后售卖]进行间接盈利)。
2、本站所有内容均由合作方或网友上传,本站不对文档的完整性、权威性及其观点立场正确性做任何保证或承诺!文档内容仅供研究参考,付费前请自行鉴别。
3、如文档内容存在违规,或者侵犯商业秘密、侵犯著作权等,请点击“违规举报”。

碎片内容

2025年水电施工内业资料给排水与采暖全套验收资料

您可能关注的文档

确认删除?
VIP
微信客服
  • 扫码咨询
会员Q群
  • 会员专属群点击这里加入QQ群
客服邮箱
回到顶部