电脑桌面
添加小米粒文库到电脑桌面
安装后可以在桌面快捷访问

泥浆池处理方案

泥浆池处理方案_第1页
1/7
泥浆池处理方案_第2页
2/7
泥浆池处理方案_第3页
3/7
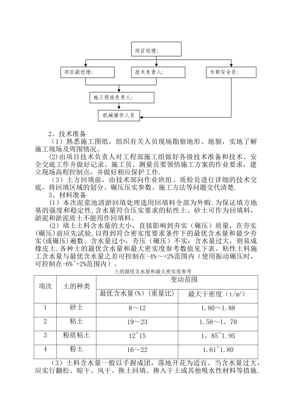
温州电力局物资区域库西向用房工程泥浆池处理方案宝腾建设集团有限公司温州电力局物资区域库西向用房工程项目部2024 年 4 月 2 日温州电力局物资区域库西向用房工程泥浆池处理方案一、工程概况本工程位于温州中国鞋都产业园三期 11 号地块内,总建筑面积9796m2,该工程场地内发现有三个大型泥浆池。这三块泥浆池占地面积大,泥浆池内泥浆沉淀而成的淤泥层厚度达 2。7m,且该泥浆池位于我施工场地主建筑和施工主道路上,为了我项目的正常施工,计划对此泥浆池进行清淤换填地基处理,填料为:优质粘土、砂土、粉质粘土、粉土,特编制换填处理方案.清淤换填范围:三个泥浆池。根据定位测量泥浆池 1#泥浆池位于 2#仓库及工程施工主干道位置,尺寸为 21m*6m,该池底标高为 2。085m,泥浆池面标高为 4。85m;2#泥浆池位于工程施工主干道位置,尺寸为 20m*6m,该池底标高为 1.75m,泥浆池面标高为 4.45m;3#泥浆池位于 1#仓库及工程施工主干道上,尺寸为 19m*43.3m*26m*43。3m,该池底标高为2。045m,泥浆池面标高为 4.745M。(注:场地工程设计标高为+0.00 为黄海标高 6。00m,具体详见附图)。二、施工准备及施工工艺1、组织准备建立泥浆池清淤换填地基处理组织机构,如下:2、技术准备(1)熟悉施工图纸,组织有关人员现场勘察地形、地貌,实地了解施工现场及周围情况。(2)由项目技术负责人对工程部施工组做好各级技术准备和技术、安全交底工作并做好记录。施工员、测量员要领悟施工方案的作业要求,建立现场高程控制点,并做好相应保护工作.(3)土方回填前,由技术部向作业班组、质检员进行详细的技术交底,将回填区域的划分、碾压压实参数、施工方法等问题交代清楚.3、材料准备(1)本次泥浆池清淤回填处理选用回填料全部为外购.为保证填方地基的强度和稳定性,含水量符合压实要求的粘性土、砂土可作为回填料,淤泥和淤泥质土不能用作回填料。(2)填土土料含水量的大小,直接影响到夯实(碾压)质量,在夯实(碾压)前应先试验,以得到符合密实度要求条件下的最优含水量和最少夯实(或碾压)遍数。含水量过小,夯压(碾压)不实;含水量过大,则易成橡皮土.各种土的最优含水量和最大密实度参考数值见下表。粘性土料施工含水量与最优含水量之差可控制在-4%~+2%范围内(使用振动碾压时,可控制在-6%~+2%范围内)。土的最优含水量和最大密实度参考项次土的种类变动范围最优含水量(%)(重量比)最大干密度(t/m3)1砂土8~121.80~1.882粘...

1、当您付费下载文档后,您只拥有了使用权限,并不意味着购买了版权,文档只能用于自身使用,不得用于其他商业用途(如 [转卖]进行直接盈利或[编辑后售卖]进行间接盈利)。
2、本站所有内容均由合作方或网友上传,本站不对文档的完整性、权威性及其观点立场正确性做任何保证或承诺!文档内容仅供研究参考,付费前请自行鉴别。
3、如文档内容存在违规,或者侵犯商业秘密、侵犯著作权等,请点击“违规举报”。

碎片内容

泥浆池处理方案

您可能关注的文档

确认删除?
VIP
微信客服
  • 扫码咨询
会员Q群
  • 会员专属群点击这里加入QQ群
客服邮箱
回到顶部