电脑桌面
添加小米粒文库到电脑桌面
安装后可以在桌面快捷访问

通信工程设计概述VIP专享

通信工程设计概述_第1页
1/6
通信工程设计概述_第2页
2/6
通信工程设计概述_第3页
3/6
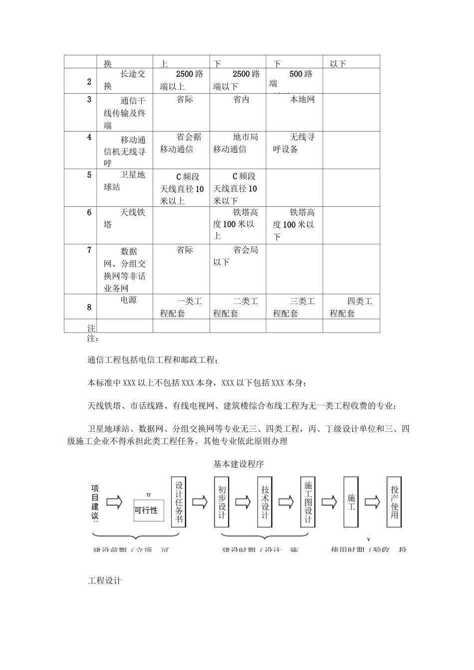
计划第一周:预算定额、线路定额、费用定额、第二、三周:预算说明,施工图(包括图例、图集),字体,文档格式等进行规范化第四周:示例,练习第五周:根据练习结果和员工反映查缺补漏%%%%%%%%%%%%%%%%%%%%%%%%%%%%%%%%%%%%%%%%%%%%%建设项目建设项目是固定资产再生产的基本单位,一般是指经批准包括在一个总体设计或初步设计范围内进行建设,经济上实行统一核算,行政上有独立组织形式,实行统一管理的建设单位。通常以一个企业、事业行政单位或独立的工程作为一个建设项目。属于一个总体设计中的主体工程及相应的附属、配套工程、综合利用工程、环境保护工程、供水、供电工程等,只作为一个建设项目。凡是不属于一个总体设计,经济上分别核算、工艺流程上没有直接关联的几个独立工程,应分别作为几个建设项目,不能捆在一起作为一个建设项目;现有企业、事业单位按照规定用固定资产投资单纯购置设备、工具、器具(包括车、船、飞机、勘探设备、施工机械等),不作为建设项目。根据工程设计要求以及编审建设预算、制定计划、统计、会计核算的需要,建设项目一般进一步划分为单项工程、单位工程、分部工程及分项工程。按照建设项目的性质分为新建、扩建、改建、恢复和迁建项目 5 种。单项工程一般是指有独立设计文件,建成后能独立发挥效益或生产设计规定产品的车间(联合企业的分厂)、生产线或独立工程等。一个项目在全部建成投产以前,往往陆续建成若干个单项工程,所以单项工程也是考核投产计划完成情况和计算新增生产能力的基础。设计单位和施工单位承接工程的范围我国基本建设行业实行的是许可证制度,即进入市场的设计单位、施工单位必须持有国家主管部门签发的不同等级资格证书。设计单位资格证书分为四级:甲、乙、丙、丁;施工单位资格证书分为四级:一、二、三、四。不同资格等级的设计施工单位承担相应类别工程的设计、施工任务。甲级设计单位、一级施工企业可以分别承担批准专业的各类工程的设计、施工任务;乙级设计单位、二级施工企业可分别承担二类、三类、四类工程的设计、施工任务。如特殊情况需承担一类工程任务时,应向设计、施工单位资质管理主管部门办理超规模、超业务范围申报手续,经批准后才能承担。其他资格等级的设计、施工单位承担任务时亦按此原则办理。丙级设计单位、三级施工企业可分别承担三.、四类(省内)工程的设计、施工任务;丁级设计单位、四级施工企业可分别承担四类(县内)工程的设计、施工任务。通信...

1、当您付费下载文档后,您只拥有了使用权限,并不意味着购买了版权,文档只能用于自身使用,不得用于其他商业用途(如 [转卖]进行直接盈利或[编辑后售卖]进行间接盈利)。
2、本站所有内容均由合作方或网友上传,本站不对文档的完整性、权威性及其观点立场正确性做任何保证或承诺!文档内容仅供研究参考,付费前请自行鉴别。
3、如文档内容存在违规,或者侵犯商业秘密、侵犯著作权等,请点击“违规举报”。

碎片内容

通信工程设计概述

wxg+ 关注
实名认证
内容提供者

该用户很懒,什么也没介绍

确认删除?
VIP
微信客服
  • 扫码咨询
会员Q群
  • 会员专属群点击这里加入QQ群
客服邮箱
回到顶部