电脑桌面
添加小米粒文库到电脑桌面
安装后可以在桌面快捷访问

浙江某住宅工程施工组织设计

浙江某住宅工程施工组织设计_第1页
1/95
浙江某住宅工程施工组织设计_第2页
2/95
浙江某住宅工程施工组织设计_第3页
3/95
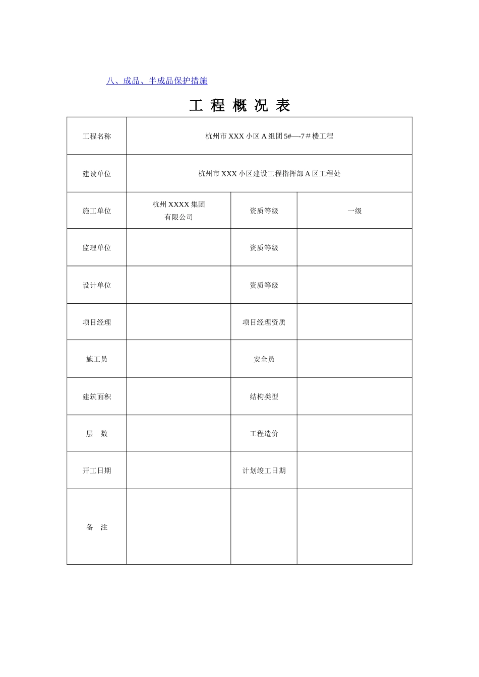
目录第一篇 工程概况........................................................................................................................5一、工程情况介绍 二、建筑概况 三、结构概况 第二篇 编制依据 第三篇 施工部署及施工进度计划 第一节 施工部署 一、施工工期 二、施工质量及安全生产目标 三、施工组织 四、施工准备 第二节 施工进度计划 一、 施工进度计划管理流程 二、总施工进度计划网络 三、施工进度计划保证措施 第四篇 施工平面布置及管理 一、 施工总平面布置原则 二、施工平面布置 第五篇 主要分部分项工程施工方案 一 、桩基工程施工方案 二、土方及地下室围护工程 三、地下室工程 四、主体工程施工方案 五、屋面施工方案 六、楼地面工程施工方案 七、装饰工程施工方案 八、门窗工程 九、安装主要施工方案 第六篇 安全生产、文明施工措施 一、现场文明施工有关规定 二、安全生产有关规定 第七篇 现场防火安全管理方案 一、安全生产文明施工 二、安全防火管理网络 三、防火安全管理领导小组职责 四、义务消防人员职责 五、班组防火制度: 六、电工防火责任制 七、电焊工(焊接工 ) 防火责任的制 八、物资、成品仓库防火制度 九、易燃物、油料、油漆间消防安全制度 十、木工场(间)消防制度 第八篇 组织管理技术措施 一、建立项目管理质量的体系 二、实行创优目标管理 三、开展质量管理小组活动,做好质量预控 四、实行全过程控制 五、积极推广十项新技术 六、为实现我公司所承诺的质量目标,在本工程施工中我们将实行如下质量保证措施: 七、工程质量保修措施 第九篇 质量监控手段 一、物资采购控制 二、工程分包控制 三、顾客提供产品(甲供材料、设备)控制 四、过程控制 五、进货检验和试验控制 六、过程检验和试验控制 七、最终检验和试验控制 八、成品、半成品保护措施 工 程 概 况 表工程名称杭州市 XXX 小区 A 组团 5#—-7#楼工程建设单位杭州市 XXX 小区建设工程指挥部 A 区工程处施工单位杭州 XXXX 集团有限公司资质等级一级监理单位资质等级设计单位资质等级项目经理项目经理资质施工员安全员建筑面积结构类型层 数工程造价开工日期计划竣工日期备 注第一篇 工程概况一、工程情况介绍XXX 小区工程位于杭州市 XX 区 XX 乡地区,XXX 路以北,XX 路以南,XXX 路以东,XXXX 以西。A 组团位于小区的西面...

1、当您付费下载文档后,您只拥有了使用权限,并不意味着购买了版权,文档只能用于自身使用,不得用于其他商业用途(如 [转卖]进行直接盈利或[编辑后售卖]进行间接盈利)。
2、本站所有内容均由合作方或网友上传,本站不对文档的完整性、权威性及其观点立场正确性做任何保证或承诺!文档内容仅供研究参考,付费前请自行鉴别。
3、如文档内容存在违规,或者侵犯商业秘密、侵犯著作权等,请点击“违规举报”。

碎片内容

浙江某住宅工程施工组织设计

确认删除?
VIP
微信客服
  • 扫码咨询
会员Q群
  • 会员专属群点击这里加入QQ群
客服邮箱
回到顶部