电脑桌面
添加小米粒文库到电脑桌面
安装后可以在桌面快捷访问

液压与气动技术教案

液压与气动技术教案_第1页
1/53
液压与气动技术教案_第2页
2/53
液压与气动技术教案_第3页
3/53
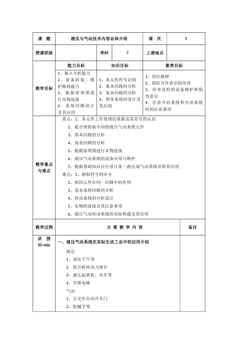
《 液压与气动技术》授课教案课 题液压与气动技术内容总体介绍课 次1授课班级学时2上课地点教学目标能力目标知识目标素养目标1、独立分析能力2、设备拆装、维护维修能力3、根据原理图进行实物连接4、系统回路设计及其应用1、各元件符号识别2、基本回路的分析3、复杂回路的分析4、简单系统的设计及其应用1、岗位精神2、团队合作意识的培育3、培育良好的设备维护和保养意识4、注意开启系统和关闭系统时的注意事项教学重点与难点重点:1、各元件工作原理的掌握及其符号的认识 2、能合理拆装不同的液压气动系统元件 3、基本回路的分析 4、复杂回路的分析 5、根据原理图进行实物连接 6、液压气动系统的设备应用与维护 7、根据基础知识自行设计某一液压或气动系统并将其应用难点:1、相似符号的区分 2、相同元件在同一回路中的作用 3、复杂系统回路的分析 4、传动系统的分析设计 5、实物的连接及其注意事项 6、液压气动传动系统的实际构建及其应用教学过程主 要 教 学 内 容备注讲 授60 min一、液压气动系统在实际生活工业中的应用介绍液压1、油压千斤顶2、组合机床动力滑台3、液压起重机、吊车等4、升降电梯气动1、公交车自动开关门2、机械手等二、液压传动系统的优缺点优点1、重量轻、结构紧凑、惯性小2、可方便灵活布置传动机构3、可在大范围内实现无级调速4、传递运动均匀平稳,负载变化时速度较稳定5、易于实现过载保护——借助于设置溢流阀等6、可实现自动化——借助于各控制阀7、元件已实现了标准化、系列化和通用化缺点1、漏油漏气等因素会影响昂运动的平稳性和正确性2、液压传动系统对油温的变化比较敏感3、元件的配合件制造精度要求较高,加工工艺较复杂4、传动系统要求有单独的能源5、系统发生故障时不易检查和排除三、液压传动系统的组成 能源装置、执行装置、控制调节装置、辅助装置、工作介质小结作业 平常多注意观察与液压或气动系统有关的实物课 题液压传动基础知识课 次2授课班级学时2上课地点教学目标能力目标知识目标素养目标1、独立分析能力2、设备拆装、维护维修能力3、根据原理图进行实物连接4、系统回路设计及其应用1、各元件符号识别2、基本回路的分析3、复杂回路的分析4、简单系统的设计及其应用1、岗位精神2、团队合作意识的培育3、培育良好的设备维护和保养意识4、注意开启系统和关闭系统时的注意事项教学重点与难点重点:1、初步认识油压千斤顶并学会使用 2、油压千斤顶工作原理分析 3、认识平面...

1、当您付费下载文档后,您只拥有了使用权限,并不意味着购买了版权,文档只能用于自身使用,不得用于其他商业用途(如 [转卖]进行直接盈利或[编辑后售卖]进行间接盈利)。
2、本站所有内容均由合作方或网友上传,本站不对文档的完整性、权威性及其观点立场正确性做任何保证或承诺!文档内容仅供研究参考,付费前请自行鉴别。
3、如文档内容存在违规,或者侵犯商业秘密、侵犯著作权等,请点击“违规举报”。

碎片内容

液压与气动技术教案

确认删除?
VIP
微信客服
  • 扫码咨询
会员Q群
  • 会员专属群点击这里加入QQ群
客服邮箱
回到顶部