电脑桌面
添加小米粒文库到电脑桌面
安装后可以在桌面快捷访问

深基坑专项施工方案修改附计算书版

深基坑专项施工方案修改附计算书版_第1页
1/15
深基坑专项施工方案修改附计算书版_第2页
2/15
深基坑专项施工方案修改附计算书版_第3页
3/15
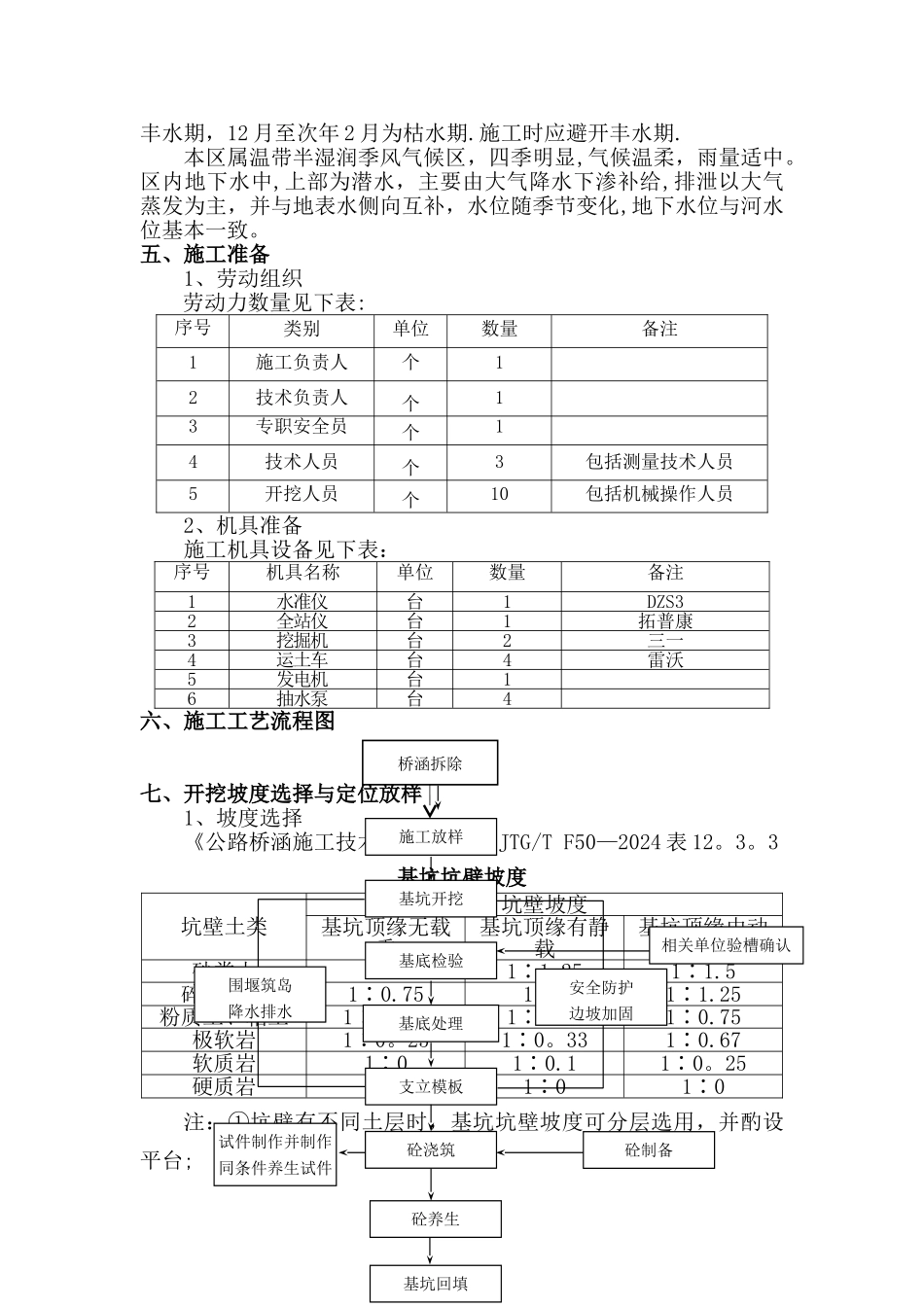
305 省道阜阳王店至阜南长安段改建工程 02 标深基坑专项施工方案编制人:审核人:安徽省新路建设工程集团有限责任公司二 0 一七年三月一、工程概况305 省道阜阳王店至阜南长安段是阜阳市南北大通道的南通道,02 标项目起点桩号为 K9+045,终点桩号为 K21+903,路线全长12.858km。设有有大桥 1 座,中桥 1 座,小桥 5 座。道路沿线经焦坡镇、黄岗镇、终于阜南县中岗镇长安村与 S328 相接处。其中,六湾桥、清河桥、坝沟桥和窦小庄桥下部结构设计均为重力式桥台扩大基础。经现场实测,每座桥需开挖深度均在 5 米以上,属深基坑。各桥具体尺寸如下:K11+688 六湾桥基础长 5.962m,宽 39.4m,原地面与基底高差 6m;K12+877 清河桥基础长 5.269m,宽 38。6m,原地面与基底高差 6。2m;K13+765 坝沟桥基础长 6。662m,宽 27。4m,原地面与基底高差 7。5m;K18+876 窦小庄桥基础长 6.732m,宽 27.4m,原地面与基底高差 7m。二、编制说明、依据及原则1、编制说明深基坑工程具有技术难度高,风险大的特点。为保证深基坑工程顺利进行,确保基坑周边建(构)筑物不受影响,做到技术先进、安全可靠、经济合理,特制定此方案。本方案是在仔细讨论设计文件的基础上,根据本标段的工程特点,结合我公司施工实力和完成类似工程的施工经验、施工技术、机具设备配套能力等方面因素编制而成,适用于本标段所有扩大基础桥梁的施工。2、编制依据 (1)《公路桥涵施工技术法律规范》 JTG/T F50-2024(2)《公路工程质量检验评定标准》 JTG F80/1-2024(3)《建筑地基基础工程施工法律规范》 GB51004—2024(4)《建筑地基基础工程施工质量验收法律规范》 GB50202—2024(5)《公路工程施工安全技术法律规范》 JTG F90-2024(6)建筑施工计算手册(7)《建筑边坡工程技术法律规范》GB50330—2024(8) 305 省道阜阳王店至阜南长安段改建工程施工设计图纸(9)已批复的项目施工组织设计3、编制原则(1)确保方案安全可行,技术方案针对性强、操作性高、能缩短工期。施工方案经济合理,坚持技术先进性、科学合理性、经济有用性与实际相结合,根据工程地质、水文地质、场地条件、周边环境及工期要求等选择最佳的施工方案和机具设备.(2)以确保工期并适当提前为原则,安排施工进度计划。(3)以确保质量为目标,选择专业化的施工队伍,配合配套的机械设备,采纳先进合理的施工方案.(4)以确保安全生产、文明施工为原则制定各项措施,严格执行各项...

1、当您付费下载文档后,您只拥有了使用权限,并不意味着购买了版权,文档只能用于自身使用,不得用于其他商业用途(如 [转卖]进行直接盈利或[编辑后售卖]进行间接盈利)。
2、本站所有内容均由合作方或网友上传,本站不对文档的完整性、权威性及其观点立场正确性做任何保证或承诺!文档内容仅供研究参考,付费前请自行鉴别。
3、如文档内容存在违规,或者侵犯商业秘密、侵犯著作权等,请点击“违规举报”。

碎片内容

深基坑专项施工方案修改附计算书版

范哲铺+ 关注
实名认证
内容提供者

想你所想,急你所急,你需要的都在店铺里可以找到。

相关文档

确认删除?
VIP
微信客服
  • 扫码咨询
会员Q群
  • 会员专属群点击这里加入QQ群
客服邮箱
回到顶部