电脑桌面
添加小米粒文库到电脑桌面
安装后可以在桌面快捷访问

深基坑开挖施工前验收条件

深基坑开挖施工前验收条件_第1页
1/2
深基坑开挖施工前验收条件_第2页
2/2
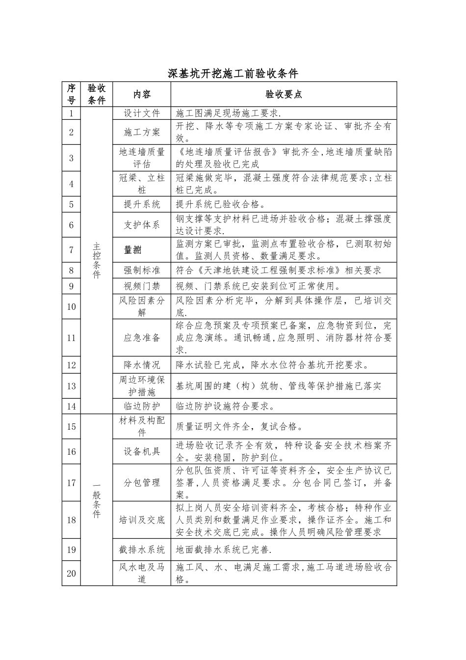
深基坑开挖施工前验收条件序号验收条件内容验收要点1主控条件设计文件施工图满足现场施工要求.2施工方案开挖、降水等专项施工方案专家论证、审批齐全有效。3地连墙质量评估《地连墙质量评估报告》审批齐全,地连墙质量缺陷的处理及验收已完成4冠梁、立柱桩冠梁施做完毕,混凝土强度符合法律规范要求;立柱桩已完成。5提升系统提升系统已验收合格。6支护体系钢支撑等支护材料已进场并验收合格;混凝土撑强度达设计要求.7监控量测监测方案已审批,监测点布置验收合格,已测取初始值。监测人员资格、数量满足要求。8强制标准符合《天津地铁建设工程强制要求标准》相关要求9视频门禁视频、门禁系统已安装到位可正常使用。10风险因素分解风险因素分析完毕,分解到具体操作层,已培训交底.11应急准备综合应急预案及专项预案已备案,应急物资到位,完成应急演练。通讯畅通,应急照明、消防器材符合要求.12降水情况降水试验已完成,降水水位符合基坑开挖要求。13周边环境保护措施基坑周围的建(构)筑物、管线等保护措施已落实14临边防护临边防护设施符合要求。15一般条件材料及构配件质量证明文件齐全,复试合格。16设备机具进场验收记录齐全有效,特种设备安全技术档案齐全。安装稳固,防护到位。17分包管理分包队伍资质、许可证等资料齐全,安全生产协议已签署,人员资格满足要求。分包合同已签订,并备案。18培训及交底拟上岗人员安全培训资料齐全,考核合格;特种作业人员类别和数量满足作业要求,操作证齐全。施工和安全技术交底已完成。操作人员明确风险管理要求19截排水系统地面截排水系统已完善.20风水电及马道施工风、水、电满足施工需求,施工马道进场验收合格。21特别要求根据工程实际和管理制度自定注:车站主体基坑开挖当分段进行时,应逐段进行开工前条件验收。

1、当您付费下载文档后,您只拥有了使用权限,并不意味着购买了版权,文档只能用于自身使用,不得用于其他商业用途(如 [转卖]进行直接盈利或[编辑后售卖]进行间接盈利)。
2、本站所有内容均由合作方或网友上传,本站不对文档的完整性、权威性及其观点立场正确性做任何保证或承诺!文档内容仅供研究参考,付费前请自行鉴别。
3、如文档内容存在违规,或者侵犯商业秘密、侵犯著作权等,请点击“违规举报”。

碎片内容

深基坑开挖施工前验收条件

您可能关注的文档

确认删除?
VIP
微信客服
  • 扫码咨询
会员Q群
  • 会员专属群点击这里加入QQ群
客服邮箱
回到顶部