电脑桌面
添加小米粒文库到电脑桌面
安装后可以在桌面快捷访问

混凝土泵车施工机械安全管理工作检查表

混凝土泵车施工机械安全管理工作检查表_第1页
1/3
混凝土泵车施工机械安全管理工作检查表_第2页
2/3
混凝土泵车施工机械安全管理工作检查表_第3页
3/3
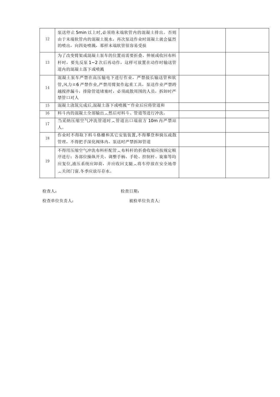
混凝土泵车施工机械安全管理工作检查表(14)检查单位:上海舟艺建设工程咨询监理有限公司被检单位:序号检查要点检查地点检查情况1专业培训,持证上岗,车辆应尽可能远离高压线等障碍物2作业前的检查;操作台的电源开关应位于“关"的位置;混凝土排量手柄及搅拌装置换向手柄应位于中位3支腿操作。混凝土泵车应水平放置,支撑地面应平坦、坚实,保证工作过程中不下陷。支腿能稳定可靠地支撑整机,并能可靠地锁住4臂架操作。臂架由折叠状态伸展或收回时,必须根据规定顺序进行。臂架的回转操作必须在臂架完全离开臂架托架后进行.在处于 暴 风 雨 状 态 或 风 力 达 到 8 级 或 8 级 以 上 时 ( 风 速16~17m/s),不得使用臂架。臂架绝对不能用于起重作业5泵送作业。当开始或停止泵送时,应与在末端软管处的操作人员取得联系;末端软管的弯曲半径不得小于 1m,而且不准弯折;在拆开堵塞管道之前,应反泵 2~3 次,待确认管道内没有剩余压力后再进行拆卸6作业后的检查。臂架应完全收回在臂架支架上;支腿也应完全收回,并插入锁销。操作台的电源开关应处于“关"的位置7蓄能器内只能冲入氮气,不能冲入氧气、氢气等易燃及爆炸危险的气体8紧急关闭按钮.混凝土泵车上有一系列紧急关闭按钮,分别设置在支腿控制阀、有线和无线遥控系统及控制箱上,如遇有紧急情况,只需按下其中的某一个紧急关闭接或就可关闭机器。假如紧急关闭按钮发生故障,在突发危险情况时就不能迅速关闭机器。因此,在每次开始工作之前,必须检查紧急关闭按钮的功能.当紧急关闭按钮被按下时,机器的电动系统即被切断,导致电磁阀等关闭。假如液压系统产生泄漏,会造成如布料杆下沉等故障现象,此情况不能用按紧急关闭按钮的方法来解决9使用要点(1)混凝土泵车的操作人员需经专业培训后方可上岗操作(2)所泵送的混凝土应满足混凝土泵车的可泵性要求.(3)混凝土泵车泵送工作要点可参照混凝土泵的使用10整机水平放置时所允许的最大倾斜角为 3o,更大的水平倾斜角会使布料的转向齿轮超载,并危及机器的稳定性。假如布料杆在移动时其中的某一个支腿或几个支腿曾经离过地,就必须重新设定支腿,直至所有的支腿都能始终可靠的支撑在地面上.11为保证布料杆泵送工作处于最佳状态,应做到:① 将 1 节臂提起45o.② 将 布 料 杆 回 转 180o.③ 将 2 节 臂 伸 展 90o.④ 伸 展3、4、5 节臂并呈水平位置.若最后一节布料杆能处于水平位置,对泵送来说是最理...

1、当您付费下载文档后,您只拥有了使用权限,并不意味着购买了版权,文档只能用于自身使用,不得用于其他商业用途(如 [转卖]进行直接盈利或[编辑后售卖]进行间接盈利)。
2、本站所有内容均由合作方或网友上传,本站不对文档的完整性、权威性及其观点立场正确性做任何保证或承诺!文档内容仅供研究参考,付费前请自行鉴别。
3、如文档内容存在违规,或者侵犯商业秘密、侵犯著作权等,请点击“违规举报”。

碎片内容

混凝土泵车施工机械安全管理工作检查表

您可能关注的文档

确认删除?
VIP
微信客服
  • 扫码咨询
会员Q群
  • 会员专属群点击这里加入QQ群
客服邮箱
回到顶部