电脑桌面
添加小米粒文库到电脑桌面
安装后可以在桌面快捷访问

混凝土浇筑及养护施工方案

混凝土浇筑及养护施工方案_第1页
1/10
混凝土浇筑及养护施工方案_第2页
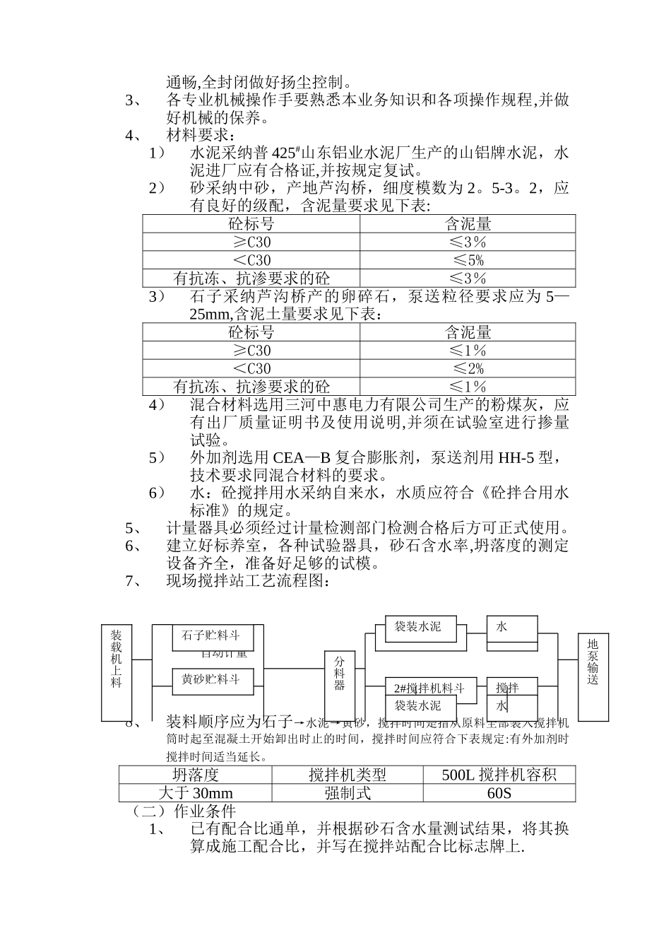
2/10
混凝土浇筑及养护施工方案_第3页
3/10
新起点嘉园一期地下车库A、B 座塔楼及裙房混凝土施工方案编制:审核:审批:北京京海成新起点嘉园项目部二 OO 一年四月一日目 录一、 编制依据二、 工程概况三、 施工准备(一)后台搅拌站准备(二)作业条件四、 混凝土的运输(一)砼输送泵(二)配料机(三)塔吊运输五、 砼浇筑振捣方法(一)一般要求(二)墙体砼浇筑(三)柱砼浇筑(四)梁板砼浇筑(五)楼梯砼浇筑六、 砼振动器操作要点(一)插入式振动棒(二)平板振动器七、 砼施工缝位置的留设八、 后浇带施工九、 砼质量通病及防治十、 砼养护十一、砼冬季施工另详十二、砼质量标准十三、文明施工安全作业措施一、 编制依据:1、新起点嘉园地下一期车库,A、B 座及裙房施工图纸。2、砼结构工程施工及验收法律规范 GB50204-92.3、建筑分项工程施工工艺标准。4、国家和北京市现行文明施工及安全管理规定。二、 工程概况:新起点嘉园项目位于万泉庄西路与长椿桥路交叉口的西南角,地势平坦,交通便利,先期开发的地下一期车库、A、B 座塔楼及裙房连为一体,总建筑面积 70937。76m2,基础部分设后浇带分开.并与二期车库和 C、D 座塔楼相通。1、A、B 栋塔楼:A 座塔楼建筑面积 25309.28m2,B 座塔楼建筑面积 25525。42m2,地下三层(层高 B03:3.5m、B02:2.8m B01:3.3m),地上二十二层,1—3 层 3。0m 高,4-21 层为标准层 2.85m高,22 层 3。0m 高,筒中筒结构。Ⅱ级抗震、8 度设防。基 础 埋 深 -10 。 80m , 基 础 垫 层 C10 、 100 厚 , 基 础 底 板900mm,1100mm,抗渗等级 P8,其它部位结构的砼设计强度等级如下:基础、地下室外墙、地下水池C30、S8地下二层及以上各层墙柱、梁板C30现浇过梁、圈梁、构造柱C202、裙房:建 筑 面 积 2763.16m2 , 地 下 三 层 层 高 B03:3.3m , B02 :3。15m,B01:3。25m,地上三层:1-3 层均为 3m 高,框架剪力墙结构,Ⅱ 级抗震,8 度设防,砼设计强度等级如下:基础、地下室外墙、地下水池C30、S8地下二层及以上各层墙柱、梁板C30现浇过梁、圈梁、构造柱C20基础垫层C103、地下车库:建筑面积 17339.9m2,其地下二层 B02:层高 3。3m,B01:层高3。5m,框架剪力墙结构,无抗震设计,各部位砼设计强度等级如下:地下室外墙、基础C35、S8各层梁板C30、S8柱、剪力墙C35现浇过梁、圈梁、构造柱C20基础垫层C10三、 施工准备:本工程可分为地下一期车库、A 座、B 座及裙...

1、当您付费下载文档后,您只拥有了使用权限,并不意味着购买了版权,文档只能用于自身使用,不得用于其他商业用途(如 [转卖]进行直接盈利或[编辑后售卖]进行间接盈利)。
2、本站所有内容均由合作方或网友上传,本站不对文档的完整性、权威性及其观点立场正确性做任何保证或承诺!文档内容仅供研究参考,付费前请自行鉴别。
3、如文档内容存在违规,或者侵犯商业秘密、侵犯著作权等,请点击“违规举报”。

碎片内容

混凝土浇筑及养护施工方案

您可能关注的文档

确认删除?
VIP
微信客服
  • 扫码咨询
会员Q群
  • 会员专属群点击这里加入QQ群
客服邮箱
回到顶部