电脑桌面
添加小米粒文库到电脑桌面
安装后可以在桌面快捷访问

物流工程课程设计VIP专享

物流工程课程设计_第1页
1/16
物流工程课程设计_第2页
2/16
物流工程课程设计_第3页
3/16
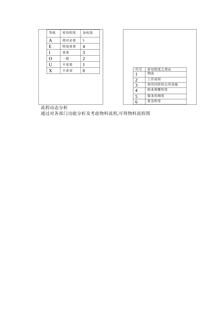
学院:交通学院 姓名:黄高民 班级:170202 卡号:202404198 学号:17020241 目录第一章:生产企业物流系统环境分析 1.1 生产企业物流系统功能分析 1.2 设计原则 1.3 输入要素分析第二章:工厂布置方案设计 2。1 各部门活动关联性分析 2.2 工厂布置方案 2。3 物料搬运方案选取 2.4 绘制初步方案工作底稿第三章:装配部门装配线平衡分析 3。1 装配线平衡分析 3.2 装配线作业流程 3。3 装配线平衡计算第四章:方案确定 第一章 生产企业物流系统环境分析1 .1 生产企业物流系统功能分析1 .设计背景 某一设施以制造汽车整车为主要任务,日生产汽车四汽缸引擎 360 台。该厂面积 120000 平方米,具体的部门包括接受区,装配区,加工部,休息区,测试部和装运部。假设:(1)所有物料用标准容器运输(一个标准容器为一个标准装载量.);(2)临近部门之间的运输费用是根据搬动一个装载量,运费为 1 元;每隔一个部门费用加倍;(3)对角线之间的允许移动,并认为是相邻情况费用的 1.25 倍。2.设计目标 根据实际情况,欲将机器加工,装配与测试等部门相互结合靠近,并开创一个兼具有保持合理产量的小型工厂,及物料弹性流程的大型工厂的可能性,取得管理和效益的增加。1.2 设计原则 本科题的设计原则采纳成组设计原则,又称单元式布置,将不同的机器分成单元来生产具有相似形状和工艺要求的产品。成组布置的目的是在生产车间中获得产品原则布置的好处。1。3 输入要素分析 布置设计的要素考虑众多的因素,根据 richard 缪瑟的观点,影响布置设计最基本要素是产品,数量,生产路线,辅助服务部门和时间。依题可得以下要素。1. 产品:四汽缸引擎2. 数量:该工厂日生产汽车四汽缸引擎 360 台3. 辅助服务部门:休息区4. 时间:每天生产线运行 450 分钟。 5.生产路线:第一章 工厂布置方案设计2。1 各部门活动关联性分析 综合考虑物流及非物流因素,故不只是考虑生产部门,通过对各个部门彼此之间的相关性加以分析,以决定较理想的规划位置。1. 绘制作业单位相互关系图等级密切程度加权值A绝对必要5E特别重要4I重要3O一般2U不重要1X不希望0流程动态分析通过对各部门功能分析及考虑物料流程,可得物料流程图代号密切程度之理由1物流2工作流程3使用同样的公用设施4联系频繁程度5服务的频度6紧急程度接受区装配部加 工否加工部测试部装运部N作业单位综合相互关系图2.1 工厂具体布置1.确定面积工厂总面积为 120000 ...

1、当您付费下载文档后,您只拥有了使用权限,并不意味着购买了版权,文档只能用于自身使用,不得用于其他商业用途(如 [转卖]进行直接盈利或[编辑后售卖]进行间接盈利)。
2、本站所有内容均由合作方或网友上传,本站不对文档的完整性、权威性及其观点立场正确性做任何保证或承诺!文档内容仅供研究参考,付费前请自行鉴别。
3、如文档内容存在违规,或者侵犯商业秘密、侵犯著作权等,请点击“违规举报”。

碎片内容

物流工程课程设计

确认删除?
VIP
微信客服
  • 扫码咨询
会员Q群
  • 会员专属群点击这里加入QQ群
客服邮箱
回到顶部