电脑桌面
添加小米粒文库到电脑桌面
安装后可以在桌面快捷访问

特殊作业人员及从业人员全员培训计划

特殊作业人员及从业人员全员培训计划_第1页
1/5
特殊作业人员及从业人员全员培训计划_第2页
2/5
特殊作业人员及从业人员全员培训计划_第3页
3/5
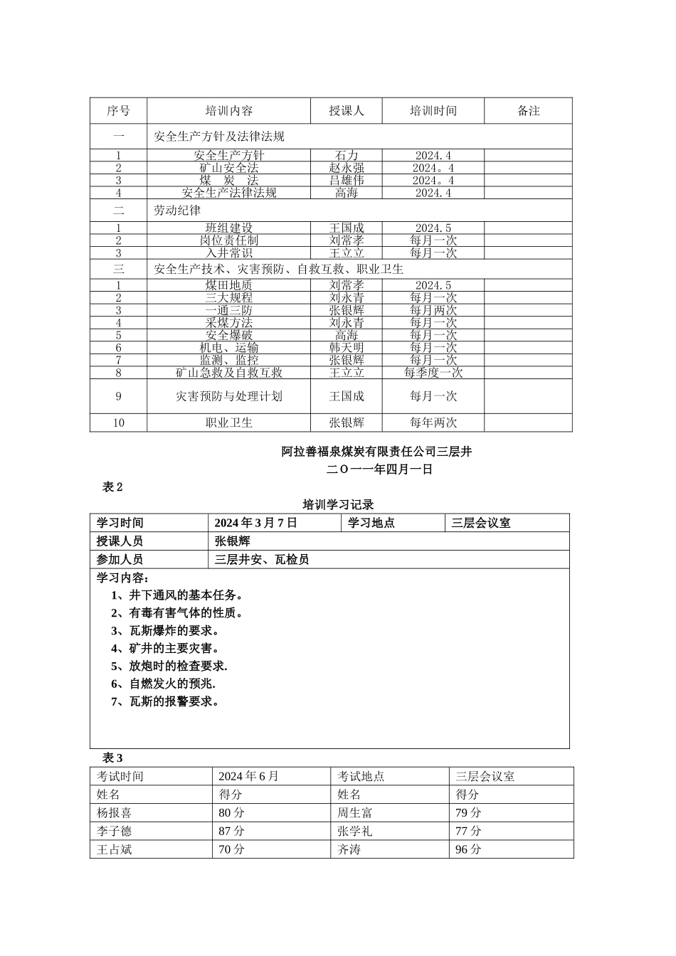
特别作业人员及从业人员全员培训计划为提高阿拉善福泉煤炭有限责任公司三层井煤矿职工执行安全生产法律、法规及规章制度的自觉性,使职工掌握安全生产技术及操作规程,熟悉各种事故的预兆、规律、处理方法以及自救互救技术,了解各种《灾害预防与处理计划》,特制定煤矿从业人员安全技术教育培训计划。职工教育工作由总工程师主持日常工作,安检科负责监督执行。成立职工教育培训小组:组长:赵永强成员:陈玉祥、王国成、付立伟、刘永青、吕雄伟、高海、刘常孝、张银辉。从教育的形式、内容、方法上有如下规定:一、常常性教育1、利用班前会时间由安全副矿长讲解《灾害预防与处理计划》;安检科讲解本地区及其他煤矿事故案例,通报煤矿当月安全生产工作中存在的隐患及整改情况; 讲解“一通三防”有关知识;自救互救知识。2、由技术员讲解《煤矿安全规程》、《作业规程》、《操作规程》及安全技术措施 ,每月至少进行一次,每季度进行考试,对考试不合格的要进行重新学习、补考,及格方可上岗。3、安全例会时间有计划的由生产技术科技术负责人讲解特别岗位的安全、操作知识 ,每次不少于一课时。以研讨会的形式分别讨论加深岗位知识,一人讲解,大家讨论有问有答,每次安全例会最少要进行一个岗位的加深教育。4、每月由通风副科长讲解“一通三防"方面的安全知识。5、附表 1、表 2、表 3、表 4.二、新入矿工人教育1、新入矿工人严格按三级教育制度进行岗前培训,并进行考核。2、新入矿的井下工人必须经过岗前培训方可上岗。进行安全教育包括安全法规、入井的一般常识,矿山抢救等,讲解外应由专人带领进行井下现场参观学习。3、现场实习本岗位生产工艺流程,安全防护知识,灾害事故预防处理,由本岗位班组长带领,安全科监督执行。4、附表 5。三、特别工种教育1、特别工种每年四月份必须经内蒙古培训中心进行脱产培训,进行严格的专门训练和实习,经考试合格持证上岗。2、按时组织特别工种作业人员的复训工作。四、从业人员全员培训1、每季度进行一次全员培训,课时不少于两课时,内容应包括矿山安全法规、劳动纪律、安全常识、安全技术。2、每年请有资质培训部门来矿至少进行一次全矿从业人员全员培训.并进行考核,不合格的由煤矿重新培训,考试合格后方可上岗.3、附表 6。表 1 阿拉善福泉煤炭有限责任公司三层井 二O一一年四月一日表 2培训学习记录学习时间2024 年 3 月 7 日学习地点三层会议室授课人员张银辉参加人员三层井安、瓦检员学习...

1、当您付费下载文档后,您只拥有了使用权限,并不意味着购买了版权,文档只能用于自身使用,不得用于其他商业用途(如 [转卖]进行直接盈利或[编辑后售卖]进行间接盈利)。
2、本站所有内容均由合作方或网友上传,本站不对文档的完整性、权威性及其观点立场正确性做任何保证或承诺!文档内容仅供研究参考,付费前请自行鉴别。
3、如文档内容存在违规,或者侵犯商业秘密、侵犯著作权等,请点击“违规举报”。

碎片内容

特殊作业人员及从业人员全员培训计划

元素商铺+ 关注
实名认证
内容提供者

欢迎挑选合适的文档

确认删除?
VIP
微信客服
  • 扫码咨询
会员Q群
  • 会员专属群点击这里加入QQ群
客服邮箱
回到顶部