电脑桌面
添加小米粒文库到电脑桌面
安装后可以在桌面快捷访问

现场安全和职业健康检查表

现场安全和职业健康检查表_第1页
1/8
现场安全和职业健康检查表_第2页
2/8
现场安全和职业健康检查表_第3页
3/8
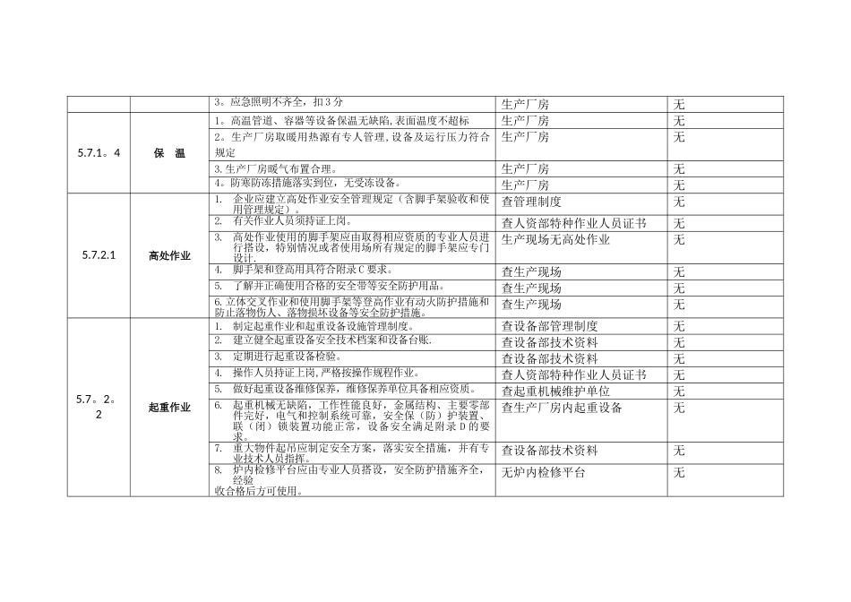
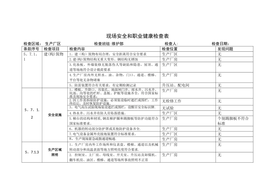
现场安全和职业健康检查表检查区域: 生产厂区 检查班组:维护部 检查人: 检查日期: 条款序号检查项目检查内容检查位置发现问题5。7.1。1建(构)筑物1。建(构)筑物布局合理,安全距离符合安全要求生产厂区无2.建(构)筑物结构无重大变形、钢结构无锈蚀生产厂房无3.化妆板、外墙装修无脱落伤人等缺陷和隐患,屋顶、通道等场地符合设计载荷要求生产厂区无4.生产厂房内外无积水、油、杂物,门口、通道、楼梯、平台等处无杂物堵塞生产厂房无5。防雷装置符合有关要求,有定期检测记录升压站、配电间无5。7。1.2安全设施1。楼板、升降口、吊装孔、地面闸门井、雨水井、污水井、坑池、沟等处的栏杆、盖板、护板等设施齐全,符合国家标准及现场安全要求; 生产厂房无2.因工作需拆除防护设施,必须装设临时遮拦或围栏,工作终结后,及时恢复防护设施。无检修工作无3。电气高压试验现场装设遮拦或围栏,设醒目安全标识牌.无试验无4.热水井、污水井有防人员坠落措施。生产厂区无5.梯台的结构和材质,钢直梯护圈和踢脚板等防护功能符合国家标准要求。生产厂房个别踢脚板不符合标准6。机器的转动部分防护罩或其他防护设备齐全.生产厂房无7.电气设备金属外壳接地装置符合标准要求。生产厂区无8。生产现场紧急疏散通道畅通.生产厂房无5。7.1.3生产区域照明1。生产厂房内外工作场所和仪表盘、楼梯、通道以及机械转动部分和高温表面等地方照明亮度符合要求.生产厂房无2. 控制室、主厂房、母线室、开关室、升压站及卸煤机、翻车机房、油区、楼梯、通道等场所事故照明不正常生产厂房无3。应急照明不齐全,扣 3 分生产厂房无5.7.1。4保 温1。高温管道、容器等设备保温无缺陷,表面温度不超标生产厂房无2。生产厂房取暖用热源有专人管理,设备及运行压力符合规定生产厂房无3.生产厂房暖气布置合理。生产厂房无4。防寒防冻措施落实到位,无受冻设备。生产厂房无5.7.2.1高处作业1. 企业应建立高处作业安全管理规定(含脚手架验收和使用管理规定)。查管理制度无2. 有关作业人员须持证上岗。查人资部特种作业人员证书无3. 高处作业使用的脚手架应由取得相应资质的专业人员进行搭设,特别情况或者使用场所有规定的脚手架应专门设计.生产现场无高处作业无4. 脚手架和登高用具符合附录 C 要求。查生产现场无5. 了解并正确使用合格的安全带等安全防护用品。查生产现场无6.立体交叉作业和使用脚手架等登高作业有动火防护措施和防止落物伤人、落物损坏设备等安全防...

1、当您付费下载文档后,您只拥有了使用权限,并不意味着购买了版权,文档只能用于自身使用,不得用于其他商业用途(如 [转卖]进行直接盈利或[编辑后售卖]进行间接盈利)。
2、本站所有内容均由合作方或网友上传,本站不对文档的完整性、权威性及其观点立场正确性做任何保证或承诺!文档内容仅供研究参考,付费前请自行鉴别。
3、如文档内容存在违规,或者侵犯商业秘密、侵犯著作权等,请点击“违规举报”。

碎片内容

现场安全和职业健康检查表

确认删除?
VIP
微信客服
  • 扫码咨询
会员Q群
  • 会员专属群点击这里加入QQ群
客服邮箱
回到顶部