电脑桌面
添加小米粒文库到电脑桌面
安装后可以在桌面快捷访问

生产区、生活区现场5S管理考核内容及考核标准

生产区、生活区现场5S管理考核内容及考核标准_第1页
1/6
生产区、生活区现场5S管理考核内容及考核标准_第2页
2/6
生产区、生活区现场5S管理考核内容及考核标准_第3页
3/6
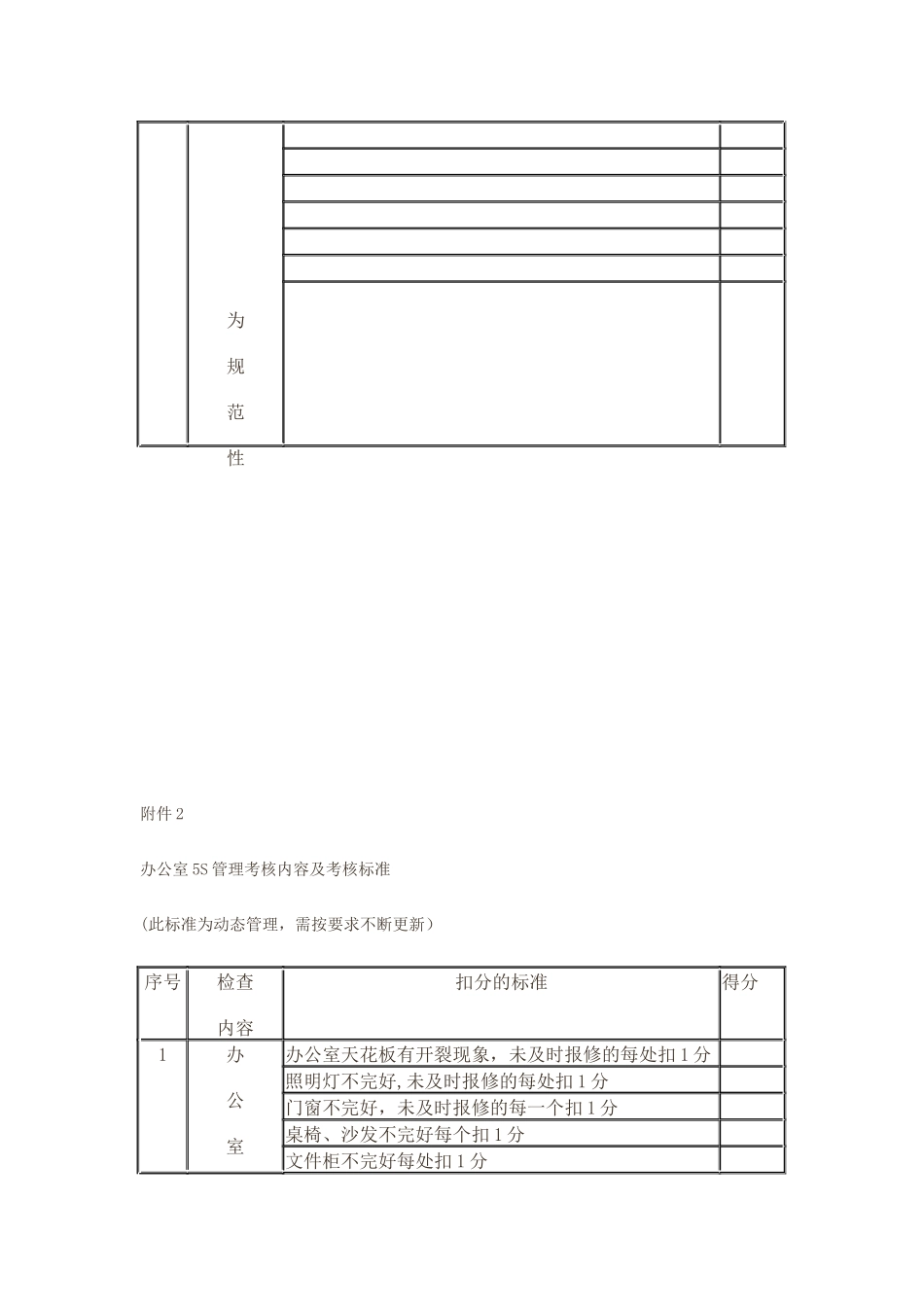
生产区、生活区现场 5S 管理考核内容及考核标准(2024—03—01 16:49:55) 转载标签:杂谈生产区、生活区现场 5S 管理考核内容及考核标准(此标准为动态管理,需按要求不断更新)序号检查内容扣分的标准得分1设施的完好性满分10建筑物墙面破损,未及时报修的每一处扣 1 分建筑物门窗不完好或窗户玻璃破损每个(块)扣 1 分房顶有漏雨现象,未及时报修的每栋扣 1 分属地路面、路牙或扶梯有破损现象扣 1 分属地内井盖每缺失或破损一块扣 1 分自行车棚有不完好现象扣 1 分宣传栏有不完好现象扣 1 分地沟盖板有缺失或不完好现象扣 2 分卫生间、水房、盥洗间有不完好现象扣 2 分属地照明设施不完好每处扣 1 分 2物品摆放规范属地内存有杂物每处扣 1 分属地道路不畅通扣 2 分岗位操作间、工作间及控制室无物品摆放定置图扣 1分岗位操作间、工作间及控制室的物品未按定置图摆放该房间扣 1 分自行车、汽车未按规定摆放的每辆扣 1 分临时电源线不法律规范每条线扣 1 分库存物资未分类(分区)存放扣 2 分库存物资虽已分类(分区)存放但未标识扣 2 分性满区域未划线、未标识或标识无效扣 2 分润滑油站室有灰尘和油污,油桶未按分类摆放扣 1 分3环境整洁性满分35属地内有垃圾每处扣 2 分属地内杂草长期未清除扣 2 分属地道路未定期清扫扣 2 分厂房内设备不清洁扣 2 分厂房内地面有油污、污迹、积水扣 2 分属地内地沟未清理扣 2 分岗位操作间、工作间及控制室物品不清洁该房间扣 2 分检修废料如铁丝、保温材料、架杆、架板、砂轮片、焊条、换下的旧件未及时收走扣 1 分45S活动经常性满分20单位无专职或兼职的 5S 管理干事扣 3 分属地 5S 管理责任不明确 扣 3 分岗位交接班无 5S 活动内容的扣 2 分无现场 5S 活动检查标准扣 3 分虽有标准,但无定期审核记录扣 5 分虽坚持审核,但结果未兑现扣 4 分属地设施标识破损不完好更换不及时扣 1 分5员工行未按规定着装扣 1 分/人﹒次。进入现场未按规定穿戴劳动防护用品扣 1 分/人﹒次。违反《企业文化手册》和《员工文明守则》的每项扣1 分/人﹒次.为规范性 附件 2办公室 5S 管理考核内容及考核标准(此标准为动态管理,需按要求不断更新)序号检查内容扣分的标准得分1办公室办公室天花板有开裂现象,未及时报修的每处扣 1 分照明灯不完好,未及时报修的每处扣 1 分门窗不完好,未及时报修的每一个扣 1 分桌椅、沙发不...

1、当您付费下载文档后,您只拥有了使用权限,并不意味着购买了版权,文档只能用于自身使用,不得用于其他商业用途(如 [转卖]进行直接盈利或[编辑后售卖]进行间接盈利)。
2、本站所有内容均由合作方或网友上传,本站不对文档的完整性、权威性及其观点立场正确性做任何保证或承诺!文档内容仅供研究参考,付费前请自行鉴别。
3、如文档内容存在违规,或者侵犯商业秘密、侵犯著作权等,请点击“违规举报”。

碎片内容

生产区、生活区现场5S管理考核内容及考核标准

您可能关注的文档

确认删除?
VIP
微信客服
  • 扫码咨询
会员Q群
  • 会员专属群点击这里加入QQ群
客服邮箱
回到顶部