电脑桌面
添加小米粒文库到电脑桌面
安装后可以在桌面快捷访问

生产效率提升激励办法---副本

生产效率提升激励办法---副本_第1页
1/8
生产效率提升激励办法---副本_第2页
2/8
生产效率提升激励办法---副本_第3页
3/8
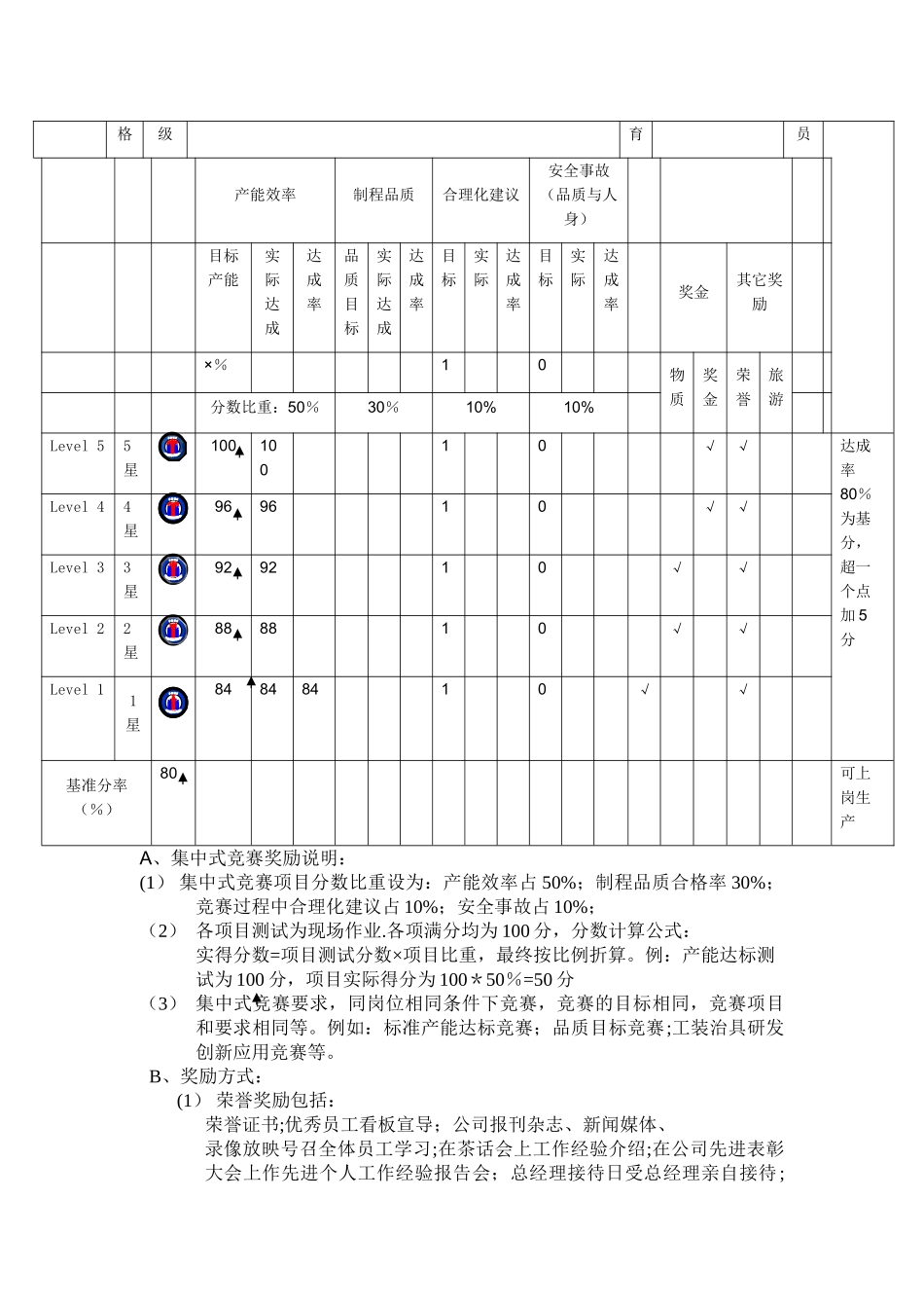
为了进一步激励员工的工作热情和活力,充分调动员工的积极性和制造性,全面完成 2024 年生产经营任务指标,促进企业健康进展和竞争能力,成为行业内龙头企业,特制定生产效率提升竞赛及奖励办法。一、指导思想:以抓好生产经营为主线,以竞赛活动为载体,充分调动每一位员工的积极性和工作士气,使员工树立不畏艰难,实现目标的拼搏精神和竞争意识,以“提高生产效率,稳定生产、优化指标、精益改进创新”为目标,以增强生产员工凝聚力和战斗力、树立生产新形象、提高员工综合素养、推动生产效益进展为主线,以生产员工为主体,以各岗位为主阵地,组织动员生产广阔员工为推动我公司生产又好又快进展做出新的贡献。二、竞赛总体目标:实现二个“目标”达标;二个提高和二个降低:二个达标:1、产能效率目标 100%达标。2、品质合格率目标 100%达标。二个提高:1、改进能力与意识提高,竞赛过程中有一个或一个以上合理化建议(围绕生产效率提升、品质提升、物料损耗、成本下降、标准作业等项目);2、安全生产意识提高,生产过程中人身 0 安全事故;品质 0 安全事故。二个降低:1、生产损耗降低。2、生产成本降低。三、竞赛活动内容、形式和表彰奖励:㈠、竞赛活动参赛形式:竞赛设为“集中式同岗位或工段竞赛,(即人与人竞赛;组与组竞赛;车间与车间竞赛;课室与课室竞赛);月度竞赛、季度竞赛、年度总决赛等。㈡、竞赛活动参赛范围:生产部全体员工。㈢、竞赛活动频次:竞赛设为“集中式竞赛;月度竞赛;季度竞赛;年度竞赛等.㈣、竞赛项目:标准产能竞赛;工装治具应用创新设计改善竞赛;改善案例竞赛;标准化作业竞赛;物料损耗降低竞赛;成本下降竞赛等.㈤、竞赛活动时间安排:1、集中式竞赛活动共分四个阶段进行:①、筹划动员阶段:时间为×月×日×时/分~×月×日×时/分; 该阶段主要任务为核定生产部 1~6 月份生产实际指标,制定出合理科学的竞赛生产指标,同时利用公司新闻媒体、报刊杂志、墙报、板报、海报、电脑等新闻媒介大力对员工做好动员宣传工作,提高人员竞赛士气和积极性。②、具体实施阶段:时间为×月×日×时/分~×月×日×时/分; 该阶段进入正式的竞赛环节,对岗位生产指标做全面的统计和管理工作,以“标准产能效率提升,制程品质合格率;改进合理化建议;安全生产”为中心内容,加强对生产竞赛活动的全面控制和管理工作。③、总结评比表彰阶段:时间为×月×日×时/分~×月×日×时/分;该阶段对竞赛活动的生产指标及各项...

1、当您付费下载文档后,您只拥有了使用权限,并不意味着购买了版权,文档只能用于自身使用,不得用于其他商业用途(如 [转卖]进行直接盈利或[编辑后售卖]进行间接盈利)。
2、本站所有内容均由合作方或网友上传,本站不对文档的完整性、权威性及其观点立场正确性做任何保证或承诺!文档内容仅供研究参考,付费前请自行鉴别。
3、如文档内容存在违规,或者侵犯商业秘密、侵犯著作权等,请点击“违规举报”。

碎片内容

生产效率提升激励办法---副本

确认删除?
VIP
微信客服
  • 扫码咨询
会员Q群
  • 会员专属群点击这里加入QQ群
客服邮箱
回到顶部