电脑桌面
添加小米粒文库到电脑桌面
安装后可以在桌面快捷访问

生产设施和工艺安全符合性检查记录

生产设施和工艺安全符合性检查记录_第1页
1/7
生产设施和工艺安全符合性检查记录_第2页
2/7
生产设施和工艺安全符合性检查记录_第3页
3/7
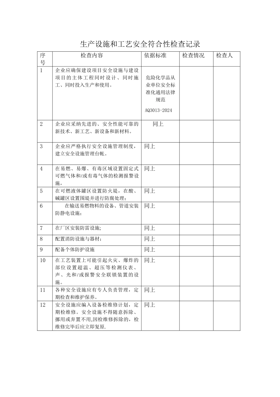
生产设施和工艺安全符合性检查记录批准:单位:山东淄博浩德化工有限公司2024-02—15生产设施和工艺安全符合性检查记录序号检查内容依据标准检查情况检查人1企业应确保建设项目安全设施与建设项目的主体工程同时设计、同时施工、同时投入生产和使用。危险化学品从业单位安全标准化通用法律规范AQ3013-20242企业应采纳先进的、安全性能可靠的新技术、新工艺、新设备和新材料。同上3企业应严格执行安全设施管理制度,建立安全设施管理台帐。同上4在易燃、易爆、有毒区域设置固定式可燃气体和/或有毒气体的检测报警设施,同上5在可燃液体罐区设置防火堤,在酸、碱罐区设置围堤并进行防腐处理;同上6在输送易燃物料的设备、管道安装防静电设施;同上7在厂区安装防雷设施;同上8配置消防设施与器材;同上9配备个体防护设施同上10在工艺装置上可能引起火灾、爆炸的部位设置超温、超压等检测仪表、声、光和/或报警安全联锁装置的设施。同上11各种安全设施应有专人负责管理,定期检查和维护保养。同上12安全设施应编入设备检维修计划,定期检维修。安全设施不得随意拆除、挪用或弃置不用,因检维修拆除的,检维修完毕后应立即复原.同上13对监视和测量设备进行法律规范管理,建立监视和测量设备台帐,定期进行校准和维护,并保存校准和维护活动的记录。同上14企业操作人员应掌握工艺安全信息1) 化学品危险性信息: (1) 物理特性; (2) 化学特性,包括反应活性、腐蚀性、热和化学稳定性等: (3) 毒性; (4) 职业接触限值;2) 工艺信息: (1) 流程图; (2) 化学反应过程; (3) 最大储存量; (4) 工艺参数(如:压力、温度、流量)安全上下限值;3) 设备信息: (1) 设备材料; (2) 设备和管道图纸; (3) 电气类别; (4) 调节阀系统; (5) 安全设施(如报警器、联锁等)。同上15应保证下列设备设施运行安全可靠、完整:1) 压力容器和压力管道,包括管件和阀门;2) 泄压和排空系统;3) 紧急停车系统;4) 监控、报警系统;5) 联锁系统;6) 各类动设备,包括备用设备等。同上16对工艺过程进行危险性分析:1) 工艺过程中危险化学品危险性;2) 工作场所潜在事故发生因素; 3) 控制失效的影响;4) 人为因素等。同上序号检查内容依据标准检查情况检查人生产装置开车前应组织检查,进行安全条件确认。安全条件应满足下列要求:1) 现场工艺和设备符合设计法律规范;2) 系统气密测试、设施空运转调试合格;3) 操作规程和...

1、当您付费下载文档后,您只拥有了使用权限,并不意味着购买了版权,文档只能用于自身使用,不得用于其他商业用途(如 [转卖]进行直接盈利或[编辑后售卖]进行间接盈利)。
2、本站所有内容均由合作方或网友上传,本站不对文档的完整性、权威性及其观点立场正确性做任何保证或承诺!文档内容仅供研究参考,付费前请自行鉴别。
3、如文档内容存在违规,或者侵犯商业秘密、侵犯著作权等,请点击“违规举报”。

碎片内容

生产设施和工艺安全符合性检查记录

确认删除?
VIP
微信客服
  • 扫码咨询
会员Q群
  • 会员专属群点击这里加入QQ群
客服邮箱
回到顶部