电脑桌面
添加小米粒文库到电脑桌面
安装后可以在桌面快捷访问

电器控制与PLC试卷及答案

电器控制与PLC试卷及答案_第1页
1/3
电器控制与PLC试卷及答案_第2页
2/3
电器控制与PLC试卷及答案_第3页
3/3
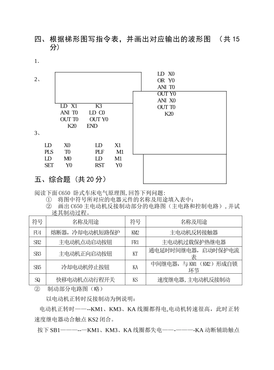
沙洲工学院 20 ~20 学年 第 学期《机床电器与可编程控制器》试卷答案课程代号: 试卷编号:班级: 学号: 姓名: 成绩一、是非题(15 分)( × )1、接触器不具有欠压保护的功能。( √ )2、断电延时型时间继电器,它的动作情况是线圈通电时触点瞬时动作,断电时触点延时动作.( × )3、通电延时型时间继电器,它的延时触点有延时闭合的动合触点和延时闭合的动断触点。( × )4、沟通电器的线圈可接入与其额定电压相等的直流电源上。( √ )5、一般接触器的触点可以出现在主电路上或控制电路上,而中间继电器的触点只能出现在控制电路上。( √ )6、现有三个按钮,欲使它们都能控制接触器 KM 通电,则它们的动合触点应并联接到 KM 的线圈电路中。( × )7、在 Y—△降压起动控制线路中,起动电流是正常工作电流的 2/3.( √ )8、电源线电压为 380V,三相笼型异步电动机定子每相绕组的额定电压为 380V,该电动机能采纳 Y—△起动.( √ )9、电动机采纳制动措施的目的是为了停车快速、平稳。( × )10、用作短路保护的电器可为熔断器、热继电器、低压断路器、过电流继电器等。( √ )11、三菱可编程控制器 FX2N—48MR ,是继电器输出型,其中“48”表示其 I/O 总点数.( × )12、状态器 S 不能作为辅助继电器使用,它只能在步进指令中。( × )13、特别辅助继电器 M8000 的作用是在 PLC 由停止转换为运行时,产生一个初始脉冲。( √ )14、可编程序控制器的工作方式为串行工作方式,其输出总是滞后于输入.( √ )15、表示当 X0=ON 时,将常数 100 传送到数据寄存器 D10 中.二、写出下图所示梯形图对应的指令表(10 分) a b三、根据状态转移图,写出指令表(10 分)LD X0OR X1ANI X2OR M100LD X3AND X4OR M113ANBORI M101OUT Y5LD X001MPSAND X002OUT Y001MRDLD X003OR Y002ANBOUT Y002MPPLDIX004ORY003ANBOUT Y003END答:STL S21OUT Y1LD X1SET S22LD X5OUT S24STL S22OUT Y2LD X2SET S23STL S23OUT Y3LD X3SET S24STL S24OUT Y4LD X6AND X1OUT S22LD X4四、根据梯形图写指令表,并画出对应输出的波形图 (共 15分) 1.2、 LD X2 LD T0RST C0 OUT C0LD X1 K3 ANI T0 LD C0OUT T0 OUT Y0 K20 END3、LD X0 LD X1PLS T0 PLF M1LD M0 LD M1SET Y0 RST Y0五、综合题 (共 20 分)阅读下面 C650 卧式...

1、当您付费下载文档后,您只拥有了使用权限,并不意味着购买了版权,文档只能用于自身使用,不得用于其他商业用途(如 [转卖]进行直接盈利或[编辑后售卖]进行间接盈利)。
2、本站所有内容均由合作方或网友上传,本站不对文档的完整性、权威性及其观点立场正确性做任何保证或承诺!文档内容仅供研究参考,付费前请自行鉴别。
3、如文档内容存在违规,或者侵犯商业秘密、侵犯著作权等,请点击“违规举报”。

碎片内容

电器控制与PLC试卷及答案

确认删除?
VIP
微信客服
  • 扫码咨询
会员Q群
  • 会员专属群点击这里加入QQ群
客服邮箱
回到顶部