电脑桌面
添加小米粒文库到电脑桌面
安装后可以在桌面快捷访问

电梯安装维修施工方案

电梯安装维修施工方案_第1页
1/9
电梯安装维修施工方案_第2页
2/9
电梯安装维修施工方案_第3页
3/9
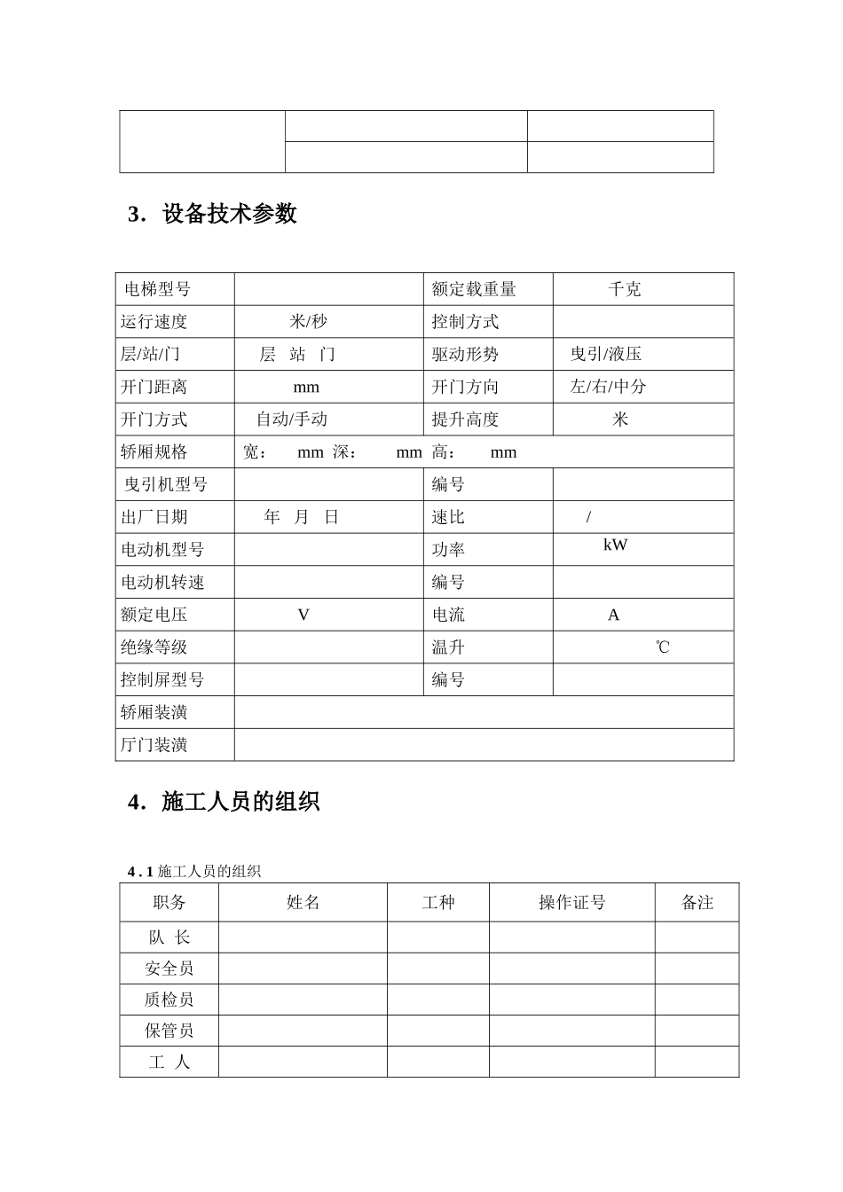
电梯安装维修施工方案 编 制: 批 准: 日 期: 项目名称: 安装队伍: 长春市巨力电梯工程有限公司目录1、工程概况……………………………………………………12、工程主要实物………………………………………………23、设备技术参数………………………………………………34、施工人员组织和所需工器具………………………………35、主要施工方法………………………………………………46、施工安全……………………………………………………67、工作要求……………………………………………………78、质量保证措施………………………………………………79、电梯安装工程施工进度表…………………………………81.工程概况:建设单位施施工场地点建筑物名称工程性质 安装/维修电梯制造单位工程数量 台建筑物用途层/站 层 站土建结构开工日期 年 月 日调试日期 年 月 日完工日期 年 月 日交接日期 年 月 日底坑深度 mm顶层高度 mm井道规格宽 mm 深 mm 高 mm门洞尺寸宽 mm 高 mm机房长 mm 宽 mm 高 mm建设单位通讯地址联系人联系电话邮编施工单位通讯地址联系人联系电话邮编2.工程主要实物量组成部分部件名称数 量曳引系统曳引机 台钢丝绳 米绳头组合 套承载系统轿厢壁 扇底盘 个轿厢顶 扇门系统厅门 套轿门 套导向系统导向轮 个导轨 米导靴 套导轨架 套重量平衡系统对重架 台对重块 吨平衡补偿装置 米电气控制系统信号系统 套控制系统 套安全保护装置限速器及安全钳 台缓冲器 个开关系统 套润滑系统加油杯 个其他3.设备技术参数电梯型号额定载重量 千克运行速度 米/秒控制方式层/站/门 层 站 门驱动形势 曳引/液压开门距离 mm开门方向 左/右/中分开门方式 自动/手动提升高度 米轿厢规格宽: mm 深: mm 高: mm曳引机型号编号出厂日期 年 月 日速比 /电动机型号功率 kW电动机转速编号额定电压 V电流 A绝缘等级温升 ℃控制屏型号编号轿厢装潢厅门装潢4.施工人员的组织4 . 1 施工人员的组织职务姓名工种操作证号备注队 长安全员质检员保管员工 人工 人工 人工 人4 . 2 施工所需器具量具名称规格数量保管责任人备注电锤22mm1电钻13mm1万用电表MY631卷尺3 米/5 米2磁力线坠5 米1电工工具全套1钳工工具全套1钻头Φ3~Φ22各 2 支塞尺0。02~2mm1 只手拉葫芦2T15.施工方法和流程5。0 施工前的准备工作5.0.1 开箱验货:依据电梯发货装箱清单清...

1、当您付费下载文档后,您只拥有了使用权限,并不意味着购买了版权,文档只能用于自身使用,不得用于其他商业用途(如 [转卖]进行直接盈利或[编辑后售卖]进行间接盈利)。
2、本站所有内容均由合作方或网友上传,本站不对文档的完整性、权威性及其观点立场正确性做任何保证或承诺!文档内容仅供研究参考,付费前请自行鉴别。
3、如文档内容存在违规,或者侵犯商业秘密、侵犯著作权等,请点击“违规举报”。

碎片内容

电梯安装维修施工方案

您可能关注的文档

确认删除?
VIP
微信客服
  • 扫码咨询
会员Q群
  • 会员专属群点击这里加入QQ群
客服邮箱
回到顶部