电脑桌面
添加小米粒文库到电脑桌面
安装后可以在桌面快捷访问

电梯无脚手架安装施工方案

电梯无脚手架安装施工方案_第1页
1/14
电梯无脚手架安装施工方案_第2页
2/14
电梯无脚手架安装施工方案_第3页
3/14
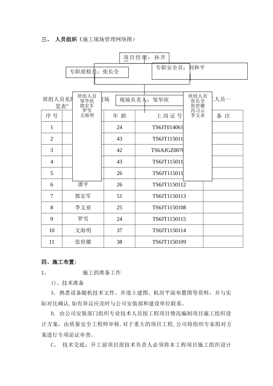
电梯安装施工方案 编制:孙开明 审核:张长全 批准:夏文胜 上海盖普电梯有限公司一、工程概况:安 装 项 目 名 称 :孝感市临空经济区道兴社区还建安置房1、编制依据: 本方案依据土建井道布置图、产品随机文件、国家有关电梯安装的技术文件、标准、法律规范(GB10060-2024《电梯安装验收法律规范》、GB7588—2024《电梯制造与安装安全法律规范》、GB50310—2024《电梯工程施工质量验收法律规范》GN/T10058《电梯技术条件》 GB/T10059《《电梯试验方法》GB 50310《电梯工程施工质量验收法律规范)编制。 2、工程概论: 待安装产品明细:工程名称:孝感市临空经济区道兴社区还建安置房工程地点:孝感市闵集镇临空经济区道兴社区安置房施工场地开工日期:2024 年 5 月 4 日 ;竣工日期:2024 年 11 月 4 日 ; 工期:180 天.(注:以上工期根据建设方、工程总包方等各方现场条件和配合情况而变化).本工程工序多,工艺较复杂,要求高,需搞好各方面关系,各有关单位要互相配合,确保施工安全,提高安装质量,按期交付高质量电梯。二、 施工规划1、组织构架:本工程现场由 1 名项目经理、1 名项目工程师、1 名安全员以及 2—6 个安装小组来完成安装工程。在施工过程中接受甲方和监理公司的全面领导,服从总包的协调管理,遵守施工现场的各项规章制度。序号梯种载重(kg)速度(m/s)层/站/门数量(台)备注1乘客电梯10501.7516/15/154地上 2 层不设站2乘客电梯10501.7516/16/1643乘客电梯10501。7518/17/174地上 2 层不设站4乘客电梯10501。7518/18/1845乘客电梯10501.7519/18/184地上 2 层不设站6乘客电梯10501。7519/19/19257乘客电梯10501。7525/25/2568乘客电梯10501.7519/19/19239乘客电梯11501.7516/15/154地上 2 层不设站10乘客电梯11501.7516/16/16411乘客电梯11501。7518/17/174地上 2 层不设站12乘客电梯11501。7518/18/18413乘客电梯11501。7519/18/184地上 2 层不设站14乘客电梯11501.7519/19/19215乘客电梯11501。7525/25/256合计102三、 人员组织(施工现场管理网络图)班组人员见附表“进场施工人员一览表"序 号姓 名年 龄上 岗 证 号备 注1邹华欣24TS6JT01406132张长全43TS6JT11501103刘和平42TS6AJGZ007014肖习云43TS6JT11501165韦于婷26TS6JT11501116谭平26TS6JT11501127郭宏军51TS6JT11501138李文亚25TS6JT11501089罗雪24TS6JT115011510文海明37TS6JT115011411张世雄38TS6JT1150...

1、当您付费下载文档后,您只拥有了使用权限,并不意味着购买了版权,文档只能用于自身使用,不得用于其他商业用途(如 [转卖]进行直接盈利或[编辑后售卖]进行间接盈利)。
2、本站所有内容均由合作方或网友上传,本站不对文档的完整性、权威性及其观点立场正确性做任何保证或承诺!文档内容仅供研究参考,付费前请自行鉴别。
3、如文档内容存在违规,或者侵犯商业秘密、侵犯著作权等,请点击“违规举报”。

碎片内容

电梯无脚手架安装施工方案

您可能关注的文档

确认删除?
VIP
微信客服
  • 扫码咨询
会员Q群
  • 会员专属群点击这里加入QQ群
客服邮箱
回到顶部