电脑桌面
添加小米粒文库到电脑桌面
安装后可以在桌面快捷访问

电气隐蔽工程技术交底VIP专享

电气隐蔽工程技术交底_第1页
1/6
电气隐蔽工程技术交底_第2页
2/6
电气隐蔽工程技术交底_第3页
3/6
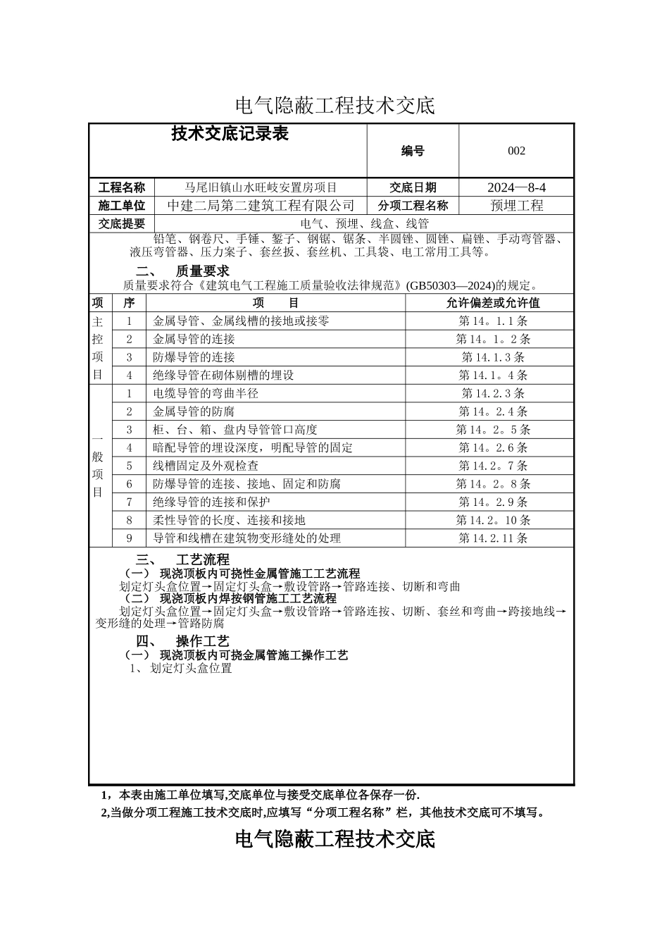
电气隐蔽工程技术交底技术交底记录表编号002工程名称马尾旧镇山水旺岐安置房项目交底日期2024—8-4施工单位中建二局分项工程名称预留、预埋工程交底提要电气、预埋、线盒、线管一、施工准备(一)现浇顶板内可挠性金属线管施工准备1、 作业条件(1)土建完成顶板、梁支模;(2)梁钢筋绑扎完毕;(3)现浇板底层钢筋绑扎完毕,上层钢筋绑扎前.2、 材料要求(1)可挠性金属软管的材质必须合格,设计有特别要求时必须符合设计要求.进场材料必须有出厂合格证。(2)外观检查管材内外壁光滑,无明显生产质量等缺陷;(3)用卡尺测量内外径必须符合国家标准,管壁厚度均匀一致;(4)各种附件如灯头盒、开关插座盒、管接头、盒接头、等必须使用配套制品,同时应有出厂合格证、“CCC"认证标志和认证证书复印件。3、 主要机具铅笔、钢卷尺、手锤、錾子、钢锯、锯条、半圆锉、弯管弹簧、剪管器、工具袋、电工常用工具等。(二)现浇顶板内焊接钢管施工准备1、 作业条件(1)土建完成顶板、梁支模;(2)梁钢筋绑扎完毕;(3)现浇板底层钢筋绑扎完毕,上层钢筋绑扎前。2、 材料要求(1)钢管的材质必须合格,有出厂合格证,设计有特别要求时还必须符合设计要求;(2)外观检查钢管壁厚均匀、焊缝均匀,无劈裂、毛刺砂眼、棱刺和凹扁等缺陷;(3)锁紧螺母外形完好、丝扣清楚,无翘曲、变形等缺陷;(4)铁制灯头盒、开关盒等的金属板厚度必须符合国标或华北标准图集的要求。2、 主要机具1,本表由施工单位填写,交底单位与接受交底单位各保存一份。2,当做分项工程施工技术交底时,应填写“分项工程名称”栏,其他技术交底可不填写。电气隐蔽工程技术交底技术交底记录表编号002工程名称马尾旧镇山水旺岐安置房项目交底日期2024—8-4施工单位中建二局第二建筑工程有限公司分项工程名称预埋工程交底提要电气、预埋、线盒、线管铅笔、钢卷尺、手锤、錾子、钢锯、锯条、半圆锉、圆锉、扁锉、手动弯管器、液压弯管器、压力案子、套丝扳、套丝机、工具袋、电工常用工具等。二、质量要求质量要求符合《建筑电气工程施工质量验收法律规范》(GB50303—2024)的规定。项序项 目允许偏差或允许值主控项目1金属导管、金属线槽的接地或接零第 14。1.1 条2金属导管的连接第 14。1。2 条3防爆导管的连接第 14.1.3 条4绝缘导管在砌体剔槽的埋设第 14.1。4 条一般项目1电缆导管的弯曲半径第 14.2.3 条2金属导管的防腐第 14。2.4 条3柜、台、箱、盘内导管管口高度第...

1、当您付费下载文档后,您只拥有了使用权限,并不意味着购买了版权,文档只能用于自身使用,不得用于其他商业用途(如 [转卖]进行直接盈利或[编辑后售卖]进行间接盈利)。
2、本站所有内容均由合作方或网友上传,本站不对文档的完整性、权威性及其观点立场正确性做任何保证或承诺!文档内容仅供研究参考,付费前请自行鉴别。
3、如文档内容存在违规,或者侵犯商业秘密、侵犯著作权等,请点击“违规举报”。

碎片内容

电气隐蔽工程技术交底

范哲铺+ 关注
实名认证
内容提供者

想你所想,急你所急,你需要的都在店铺里可以找到。

确认删除?
VIP
微信客服
  • 扫码咨询
会员Q群
  • 会员专属群点击这里加入QQ群
客服邮箱
回到顶部