电脑桌面
添加小米粒文库到电脑桌面
安装后可以在桌面快捷访问

电缆沟检验批

电缆沟检验批_第1页
1/6
电缆沟检验批_第2页
2/6
电缆沟检验批_第3页
3/6
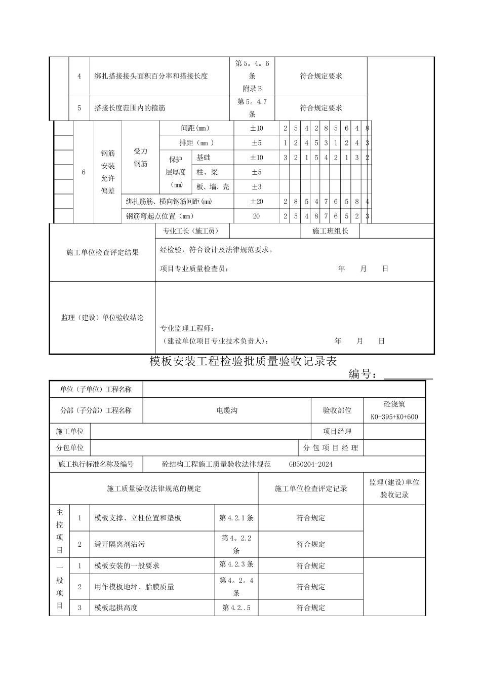
沟槽开挖与地基处理检验批质量验收记录表编号:__________钢筋安装工程检验批质量验收记录表 编号: 单位(子单位)工程名称分部(子分部)工程名称钢筋工程验收部位钢筋工程K0+395+K0+600施工单位项目经理 施工执行标准名称及编号砼结构工程施工质量验收法律规范 GB50204-2024 施工质量验收法律规范的规定施工单位检查评定记录监理(建设)单位验收记录主控项目1纵向受力钢筋的连接方式第 5。4。1条符合规定要求2机械连接和焊接接头的力学性能第 5。4.2条符合规定要求3受力钢筋的品种、级别、规格和数量第 5。5。1条符合规定要求一般项目1接头位置和数量第 5.4.3 条符合规定要求2机械连接、焊接的外观质量第 5。4。4条符合规定要求3机械连接、焊接的接头面积百分率第 5.4.5 条符合规定要求单位(子单位)工程名称分部(子分部)工程名称电缆沟验收部位沟槽开挖K0+395+K0+600施工单位项目经理分包单位分包项目经理施工执行标准名称及编号施工质量验收法律规范的规定施工单位检查评定记录监理(建设)单位验收记录主控项目1原状地基土不得扰动、受水浸泡或受冻符合设计要求2地基承载力应满足设计要求符合设计要求3进行地基处理时,压实度、厚度满足设计要求符合设计要求一般项目1沟槽开挖的允许偏差/mm槽底高程土方±20—10—36—598—9—5-4—2-2石方+20,-2002槽底中线每侧宽度不小于规定455443343443沟槽边坡不陡于规定1:1.41:1。51:1。41:1.51:1.5施工单位检查评定结果专业工长(施工员)施工班组长符合设计要求项目专业质量检查员: 年 月 日 监理(建设)单位验收结论专业监理工程师:(建设单位项目专业技术负责人): 年 月 日4绑扎搭接接头面积百分率和搭接长度第 5。4。6条附录 B符合规定要求5搭接长度范围内的箍筋第 5。4.7条符合规定要求6钢筋安装允许偏差受力钢筋间距(mm)±10254285648排距(mm )±5124531243保护层厚度(mm)基础±10321542132柱、梁±5板、墙、壳±3绑扎筋筋、横向钢筋间距(mm)±20285476584钢筋弯起点位置(mm)20254876523施工单位检查评定结果专业工长(施工员)施工班组长 经检验,符合设计及法律规范要求。项目专业质量检查员: 年 月 日监理(建设)单位验收结论专业监理工程师:(建设单位项目专业技术负责人): 年 月 日模板安装工程检验批质量验收记录表 编号: 单位(子单位)工程名称分部(子分部)工程名称电缆沟验收部位砼浇筑K0+395+K0+600施工单位项目经理分包单位分...

1、当您付费下载文档后,您只拥有了使用权限,并不意味着购买了版权,文档只能用于自身使用,不得用于其他商业用途(如 [转卖]进行直接盈利或[编辑后售卖]进行间接盈利)。
2、本站所有内容均由合作方或网友上传,本站不对文档的完整性、权威性及其观点立场正确性做任何保证或承诺!文档内容仅供研究参考,付费前请自行鉴别。
3、如文档内容存在违规,或者侵犯商业秘密、侵犯著作权等,请点击“违规举报”。

碎片内容

电缆沟检验批

您可能关注的文档

确认删除?
VIP
微信客服
  • 扫码咨询
会员Q群
  • 会员专属群点击这里加入QQ群
客服邮箱
回到顶部