电脑桌面
添加小米粒文库到电脑桌面
安装后可以在桌面快捷访问

电缆沟盖板施工技术措施

电缆沟盖板施工技术措施_第1页
1/5
电缆沟盖板施工技术措施_第2页
2/5
电缆沟盖板施工技术措施_第3页
3/5
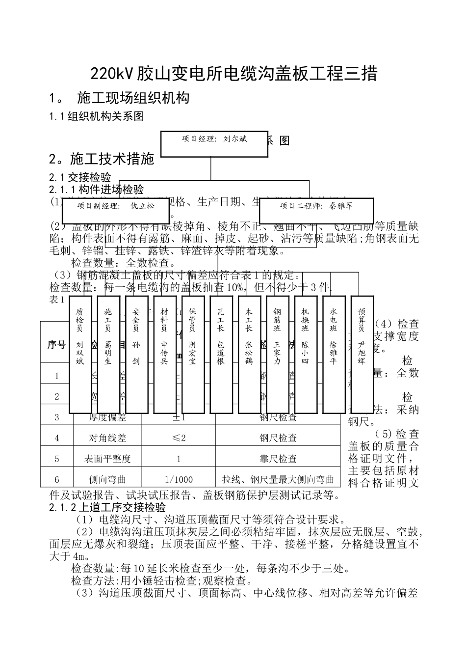
220kV 胶山变电所电缆沟盖板工程三措1。 施工现场组织机构1.1 组织机构关系图 组 织 机 构 关 系 图2。施工技术措施2.1 交接检验2.1.1 构件进场检验(1)盖板应统一部位注明规格、生产日期、生产批次和合格标志.检查数量:全数检查。(2)盖板的外形不得有缺棱掉角、棱角不正、翘曲不平、飞边凸肋等质量缺陷;构件表面不得有露筋、麻面、掉皮、起砂、沾污等质量缺陷;角钢表面无毛刺、锌镏、挂锌、露铁、锌渣锌灰等附着现象。检查数量:全数检查。(3)钢筋混凝土盖板的尺寸偏差应符合表 1 的规定。检查数量:每一条电缆沟的盖板抽查 10%,但不得少于 3 件.表 1注:l 为构件长度(mm)(4)检查支座支撑宽度和高度。检查数量:全数检查检查方法:采纳钢尺。( 5) 检 查盖板的质量合格证明文件,主要包括原材料合格证明文件及试验报告、试块试压报告、盖板钢筋保护层测试记录等。2.1.2 上道工序交接检验(1)电缆沟尺寸、沟道压顶截面尺寸等须符合设计要求。(2)电缆沟沟道压顶抹灰层之间必须粘结牢固,抹灰层应无脱层、空鼓,面层应无爆灰和裂缝;压顶表面应平整、干净、接槎平整,分格缝设置宜不大于 4m。检查数量:每 10 延长米检查至少一处,每条沟不少于三处。检查方法:用小锤轻击检查;观察检查。(3)沟道压顶截面尺寸、顶面标高、中心线位移、相对高差等允许偏差序号检查项目允许偏差(mm)检验方法1长度偏差±2钢尺检查2宽度偏差±2钢尺检查3厚度偏差±1钢尺检查4对角线差≤2钢尺检查5表面平整度1靠尺检查6侧向弯曲l/1000拉线、钢尺量最大侧向弯曲项目经理: 刘尔斌项目副经理: 仇立松项目工程师: 秦雅军 质检员刘双斌施工员葛明生安全员孙剑瓦工长包道根材料员申传兵保管员阴宏宝木工长张松鹤钢筋班王家力机操班陈小四水电班徐雅平预算员尹旭辉项目符合表 2。2.2 的规定.检查数量:每 5 延长米抽查 1 处,每条沟不少于三处。表 2。2.2(4)检查电缆沟沟道压顶施工记录和质量验收记录。2。2 安装工序2.2。1 安装流程图2.2。2 安装操作细则1、盖板交接检验合格后,按施工总平面布置进行分类堆放,堆放位置便于二次倒运。盖板应侧立单层堆放,堆放时盖板两侧应采纳木方进行搁置,以防包边角钢与地面接触,造成锌层表面腐蚀。为确保每条电缆沟的盖板面层色泽一致,同一批次的盖板应采纳生产厂相同原材料、配合比的产品。2、对电缆沟沟道压顶表面进行清理,清除表面杂物,清理过程中要注意对已敷设电缆等成品的保...

1、当您付费下载文档后,您只拥有了使用权限,并不意味着购买了版权,文档只能用于自身使用,不得用于其他商业用途(如 [转卖]进行直接盈利或[编辑后售卖]进行间接盈利)。
2、本站所有内容均由合作方或网友上传,本站不对文档的完整性、权威性及其观点立场正确性做任何保证或承诺!文档内容仅供研究参考,付费前请自行鉴别。
3、如文档内容存在违规,或者侵犯商业秘密、侵犯著作权等,请点击“违规举报”。

碎片内容

电缆沟盖板施工技术措施

确认删除?
VIP
微信客服
  • 扫码咨询
会员Q群
  • 会员专属群点击这里加入QQ群
客服邮箱
回到顶部