电脑桌面
添加小米粒文库到电脑桌面
安装后可以在桌面快捷访问

清河葛仙庄镇卫生院综合楼设计

清河葛仙庄镇卫生院综合楼设计_第1页
1/54
清河葛仙庄镇卫生院综合楼设计_第2页
2/54
清河葛仙庄镇卫生院综合楼设计_第3页
3/54
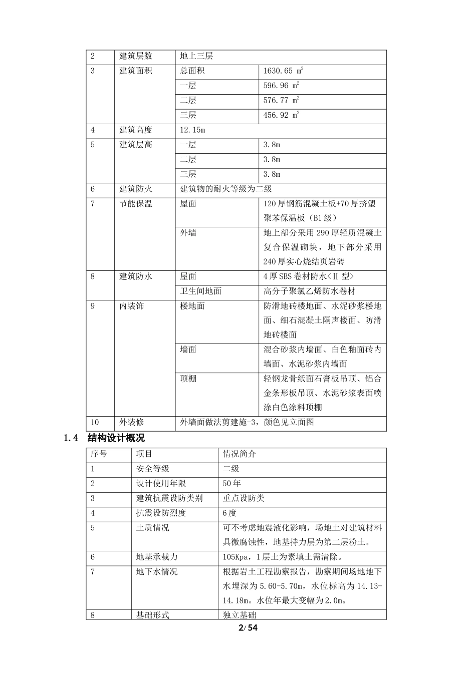
1 工程概况1.1 结构概况清河葛仙庄镇卫生院综合楼工程,位于河北省邢台清河葛仙庄镇。本工程总建筑面积为 1630.65 平方米,地上三层,建筑高度 12.15m。工程为现浇钢筋混凝土框架结构,现浇梁板楼盖,柱下独立基础,建设项目设计规模为小型,建筑设计使用年限类别为 3类(50 年),建筑耐火等级为二级,屋面防水等级为Ⅱ级,抗震设防烈度为 6 度,设计基本地震加速度值为 0.05g,设计地震分组为第三组,场地类别为Ⅲ类,建筑结构的安全等级为二级,地基基础设计等级为丙级,抗震设防类别为重点设防类,框架结构抗震等级为三级,抗震构造等级为三级。合同工期为 365 天。有关情况如下表 1.1工程名称清河葛仙庄镇卫生院综合楼建设单位清河葛仙庄镇卫生院设计单位北方工程设计研究院有限公司工期开工日期 2018 年 4 月 1 日,计划竣工日期 2019 年 3 月 31 日,总工期总日历天数为 365 天。表 1.11.2 施工条件序号项 目情 况 简 介1地理位置河北平原中部内陆平原区2环境地貌地形简单,地势略有起伏,交通便利3现场水电供应点、可供应量满足要求1.3 建筑设计概况序号项目情况简介1建筑主要功能门诊、办公 1/ 542建筑层数地上三层3建筑面积总面积1630.65 m2一层596.96 m2二层576.77 m2三层456.92 m24建筑高度12.15m5建筑层高一层3.8m二层3.8m三层3.8m6建筑防火建筑物的耐火等级为二级7节能保温屋面120 厚钢筋混凝土板+70 厚挤塑聚苯保温板(B1 级)外墙地上部分采用 290 厚轻质混凝土复合保温砌块,地下部分采用240 厚实心烧结页岩砖8建筑防水屋面4 厚 SBS 卷材防水<Ⅱ 型>卫生间地面高分子聚氯乙烯防水卷材9内装饰楼地面防滑地砖楼地面、水泥砂浆楼地面、细石混凝土隔声楼面、防滑地砖楼面墙面混合砂浆内墙面、白色釉面砖内墙面、水泥砂浆内墙面顶棚轻钢龙骨纸面石膏板吊顶、铝合金条形板吊顶、水泥砂浆表面喷涂白色涂料顶棚10外装修外墙面做法剪建施-3,颜色见立面图1.4 结构设计概况序号项目情况简介1安全等级二级2设计使用年限50 年3建筑抗震设防类别重点设防类4抗震设防烈度6 度5土质情况可不考虑地震液化影响,场地土对建筑材料具微腐蚀性,地基持力层为第二层粉土。6地基承载力105Kpa,1 层土为素填土需清除。7地下水情况根据岩土工程勘察报告,勘察期间场地地下水埋深为 5.60-5.70m,水位标高为 14.13-14.18m。水位年最大变幅为 2.0m。8基础形式独立基础 2/ 549结构形式现浇钢筋混...

1、当您付费下载文档后,您只拥有了使用权限,并不意味着购买了版权,文档只能用于自身使用,不得用于其他商业用途(如 [转卖]进行直接盈利或[编辑后售卖]进行间接盈利)。
2、本站所有内容均由合作方或网友上传,本站不对文档的完整性、权威性及其观点立场正确性做任何保证或承诺!文档内容仅供研究参考,付费前请自行鉴别。
3、如文档内容存在违规,或者侵犯商业秘密、侵犯著作权等,请点击“违规举报”。

碎片内容

清河葛仙庄镇卫生院综合楼设计

您可能关注的文档

文章天下+ 关注
实名认证
内容提供者

各种文档应有尽有

确认删除?
VIP
微信客服
  • 扫码咨询
会员Q群
  • 会员专属群点击这里加入QQ群
客服邮箱
回到顶部