电脑桌面
添加小米粒文库到电脑桌面
安装后可以在桌面快捷访问

砂垫层单元工程施工质量验收评定表5

砂垫层单元工程施工质量验收评定表5_第1页
1/21
砂垫层单元工程施工质量验收评定表5_第2页
2/21
砂垫层单元工程施工质量验收评定表5_第3页
3/21
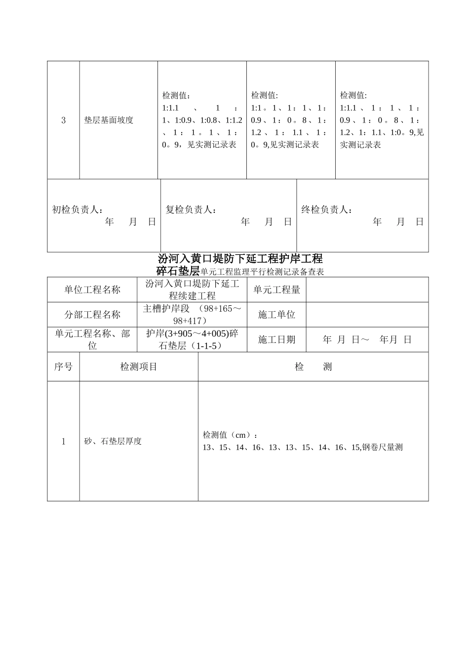
汾河入黄口堤防下延工程碎石垫层单元工程施工质量验收评定表单位工程名称汾河入黄口堤防下延工程续建工程单元工程量分部工程名称主槽护岸段 (98+165~98+417)施工单位山西省水利建筑工程局 单元工程名称、编号护岸(3+905~4+005)碎石垫层(1-1-5)施工日期年 月 日~ 年 月 日项次检验项目质量标准检查(测)记录或备查资料名称合格数合格率(%)主控项目1砂、石级配设计二级配( 520mm 、 20 ~40mm)土工试验报告结果满足设计要求 见检测报告11002砂、石垫层厚度允许偏差为±15%设计厚度:10cm检测值(cm):13、15、14、16、13、13、15、14、16、15,见终检表10100一般项目1垫层基面表面平整度符 合 设 计 要 求(±3cm)检测值(cm):2、—1、3、—1、1、2、—2、-1、5、4,见终检表8802垫层基面坡度不陡于设计坡度( 设 计 坡 度 :1:1)检测值:1:1.1、1:1。3、1:1.1 、 1:0 。 9 、 1:0.95 、 1 :1 、 1:1 。 2 、 1 : 1.1 、 1 :1。1、1:1。2、1:1.3,见终检表880施工单位自评意见主控项目检查结果全部符合合格质量标准,一般项目逐项检验点的合格率均大于或等于 70 %,且不合格点不集中分布,各项报验资料 符合 SL634 标准要求。单元工程质量等级评定为: 合格 质检人员: 年 月 日监理机构复核评定意见 经抽检并查验相关检验报告各检验资料,主控项目检验结果全部符合合格质量标准,一般项目逐项检验点的合格率均大于或等于 70 %,且不合格点不集中分布,各项报验资料 符 合 SL634 标准要求。单元工程质量等级核定为: 合格 监理工程师: 年 月 日 汾河入黄口堤防下延工程护岸工程碎石垫层单元工程施工检验记录表单位工程名称汾河入黄口堤防下延工程续建工程单元工程量分部工程名称主槽护岸段 (98+165~98+417)施工单位单元工程名称、部位护岸(3+905~4+005)碎石垫层(1-1—5)施工日期年 月 日~ 年月 日序号检测项目初检复检终检1砂、石垫层厚度检测值(cm):13、15、14、16、13、13、15、14、16、15,见实测记录表检测值(cm):13、15、14、16、13、13、15、14、16、15,见实测记录表检测值(cm):13、15、14、16、13、13、15、14、16、15,见实测记录表2垫层基面表面平整度检测值(cm):2 、 — 1 、 3 、 —1 、 1 、 2 、 — 2 、 —1、5、4,见实测记录表检测值(cm):2 、 -1 、 3 、 —1 、 1 、 2 、 -2 、 -1...

1、当您付费下载文档后,您只拥有了使用权限,并不意味着购买了版权,文档只能用于自身使用,不得用于其他商业用途(如 [转卖]进行直接盈利或[编辑后售卖]进行间接盈利)。
2、本站所有内容均由合作方或网友上传,本站不对文档的完整性、权威性及其观点立场正确性做任何保证或承诺!文档内容仅供研究参考,付费前请自行鉴别。
3、如文档内容存在违规,或者侵犯商业秘密、侵犯著作权等,请点击“违规举报”。

碎片内容

砂垫层单元工程施工质量验收评定表5

不二商店+ 关注
实名认证
内容提供者

我是你的不二选择

相关文档

确认删除?
VIP
微信客服
  • 扫码咨询
会员Q群
  • 会员专属群点击这里加入QQ群
客服邮箱
回到顶部