电脑桌面
添加小米粒文库到电脑桌面
安装后可以在桌面快捷访问

砌体工程质量控制3

砌体工程质量控制3_第1页
1/9
砌体工程质量控制3_第2页
2/9
砌体工程质量控制3_第3页
3/9
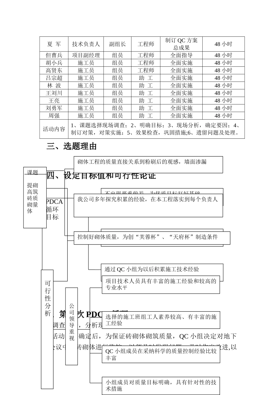
运用 QC 方法施工单位:四川省佳宇建筑安装工程有限公司QC 小组名称:青羊绿舟·E 区五洲情酒店及会议中心工程项目 QC 小组一、工程概况 青羊绿舟·E 区五洲情酒店及会议中心工程项目地处成都市光华大道侧,位于成都市青羊区文家街道办事处马厂村,本工程建筑面积为 106586.33㎡,其中地下为 28963.15㎡,地上为 77623。18㎡。由一栋主楼、俱乐部、会展会议中心和地下室组成。主楼地上 14 层建筑最高点高度为 59。4m;会展会议中心 3 层建筑最高点为 20m;俱乐部 3 层建筑最高点为 16m.地下室 1 层,层高为 5。3m.砌体是工程结构的重要环节,为让工艺得已改进,成为创优亮点是摆在项目部急需解决的课题,项目部特地成立了专项 QC 小组,对施工人员提出了严谨的质量技术挑战,对砌体施工质量进行全程控制。二、QC 小组简介 1、QC 小组概况及简介课题名称:运用 QC 方法提高砖砌体砌筑质量小组类型:现场型为确保工程实现即定的质量目标,于 2024 年 7 月底组建了本工程第二个 QC 小组,负责对砖砌体质量控制,小组成员共 11 人。组长由项目经理王子欢担任;副组长由项目技术负责人夏军担任,全体组员均接受过 QC 小组知识培训,施工技术管理能力强,人员搭配合理,小组概况见表一.青羊绿舟·E 区五洲情酒店及会议中心工程项目 QC 小组成员一览表 表 1小组名称四川省佳宇建筑安装工程有限公司青羊绿舟·酒店项目 QC 小组成立时间2024 年 7 月底活动时间2024.08.25~2024.10。5姓 名职 务组内职务职 称组内分工TQC 培训时间王子欢项目经理组长工程师指导小组活动48 小时夏 军技术负责人副组长工程师制订 QC 方案总成果48 小时但曹兵项目副经理组员工程师全面指导48 小时胡小兵施工员组员工程师全面实施48 小时高贤东施工员组员工程师全面实施48 小时吕宗超施工员组员助 工全面实施48 小时林 波施工员组员助 工全面实施48 小时王刘川施工员组员助 工全面实施48 小时王亮施工员组员助 工全面实施48 小时刘勇军施工员组员助 工全面实施48 小时周强施工员组员助 工全面实施48 小时活动内容1、课题选择现场调查;2、明确目标;3、现场分析,确定要因;4、制订对策,对策实施;5、效果检查,巩固措施;6、遗留问题及处理。三、选题理由四、设定目标值和可行性论证五、第一次 PDCA 循环1、调查讨论,分析现状 活动目标确定后,为保证砖砌体砌筑质量,QC 小组决定对地下室会议中...

1、当您付费下载文档后,您只拥有了使用权限,并不意味着购买了版权,文档只能用于自身使用,不得用于其他商业用途(如 [转卖]进行直接盈利或[编辑后售卖]进行间接盈利)。
2、本站所有内容均由合作方或网友上传,本站不对文档的完整性、权威性及其观点立场正确性做任何保证或承诺!文档内容仅供研究参考,付费前请自行鉴别。
3、如文档内容存在违规,或者侵犯商业秘密、侵犯著作权等,请点击“违规举报”。

碎片内容

砌体工程质量控制3

您可能关注的文档

不二商店+ 关注
实名认证
内容提供者

我是你的不二选择

确认删除?
VIP
微信客服
  • 扫码咨询
会员Q群
  • 会员专属群点击这里加入QQ群
客服邮箱
回到顶部