电脑桌面
添加小米粒文库到电脑桌面
安装后可以在桌面快捷访问

砖面层--分项工程质量验收记录表

砖面层--分项工程质量验收记录表_第1页
1/19
砖面层--分项工程质量验收记录表_第2页
2/19
砖面层--分项工程质量验收记录表_第3页
3/19
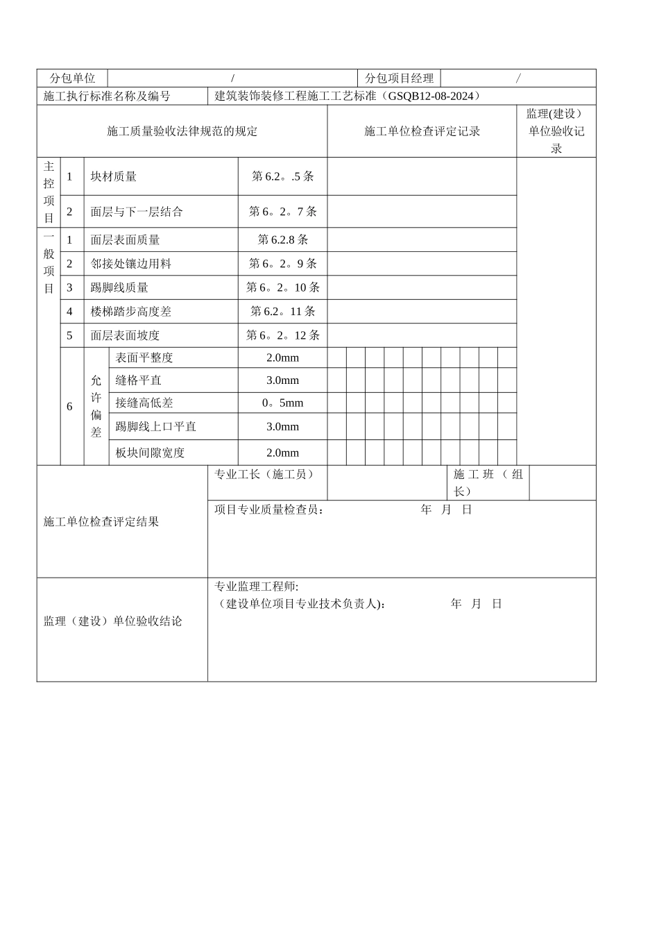
砖面层 分项工程质量验收记录表(GB50300—2001)表 E。0.1 编号:030122工程名称贵阳市花果园彭家湾危旧房,棚户区改造项目 F 区 1~6#栋工程 结构类型剪力墙结构检验批数9施工单位中国建筑第四工程局有限公司项目经理熊少飞项目技术负责人分包单位/分包单位技术负责人舒江分包项目经理/序号检验批部位、区段施工单位检查评定结果监理(建设)单位验收结论1F4#楼 44~40 层公共部分地砖铺贴2F4#楼 39~35 层公共部分地砖铺贴3F4#楼 34~30 层公共部分地砖铺贴4F4#楼 29~25 层公共部分地砖铺贴5F4#楼 24~20 层公共部分地砖铺贴6F4#楼 19~15 层公共部分地砖铺贴7F4#楼 14~10 层公共部分地砖铺贴8F4#楼 9~5 层公共部分地砖铺贴9F4#楼 3、—1、—2 层公共部分地砖铺贴施工单位检查结论项目专业技术负责人: 年 月 日监理(建设)验收结论专业监理工程师:(建设单位项目专业技术负责人) 年 月 日 砖面层 报验申请表工程名称:贵阳市花果园彭家湾危旧房,棚户区改造项目 F 区 1~6#栋工程 编号:01 致:深圳市广夏工程顾问有限公司 (监理单位) 我单位已完成了 F4 # 楼 44~40 层公共部分 地砖铺贴 工作,现报上该工程报验申请表,请予以审查和验收。 附件:1、砖面层检验批质量验收记录. 承包单位(章): 中国建筑第四工程局有限公司 项目经理: 日 期: 审查意见: 项目监理机构: 总/专业监理工程师: 日 期: 砖面层检验批质量验收记录表GB50209-2024030122单位(子单位)工程名称贵阳市花果园彭家湾危旧房,棚户区改造项目 F 区 1~6#栋工程分部(子分部)工程名称建筑装饰装修(地面)验收部位F4#楼 44~40 层公共部分地砖铺贴施工单位中国建筑第四工程局有限公司项目经理熊少飞分包单位/分包项目经理/施工执行标准名称及编号建筑装饰装修工程施工工艺标准(GSQB12-08-2024)施工质量验收法律规范的规定施工单位检查评定记录监理(建设)单位验收记录主控项目1块材质量第 6.2。.5 条2面层与下一层结合第 6。2。7 条一般项目1面层表面质量第 6.2.8 条2邻接处镶边用料第 6。2。9 条3踢脚线质量第 6。2。10 条4楼梯踏步高度差第 6.2。11 条5面层表面坡度第 6。2。12 条6允许偏差表面平整度2.0mm缝格平直3.0mm接缝高低差0。5mm踢脚线上口平直3.0mm板块间隙宽度2.0mm施工单位检查评定结果专业工长(施工员)施 工 班 ( 组长)项目专业质量检查员: 年 月 日 监理(...

1、当您付费下载文档后,您只拥有了使用权限,并不意味着购买了版权,文档只能用于自身使用,不得用于其他商业用途(如 [转卖]进行直接盈利或[编辑后售卖]进行间接盈利)。
2、本站所有内容均由合作方或网友上传,本站不对文档的完整性、权威性及其观点立场正确性做任何保证或承诺!文档内容仅供研究参考,付费前请自行鉴别。
3、如文档内容存在违规,或者侵犯商业秘密、侵犯著作权等,请点击“违规举报”。

碎片内容

砖面层--分项工程质量验收记录表

津创媒+ 关注
实名认证
内容提供者

欢迎交流文创,小店资料希望满足您的需要。

确认删除?
VIP
微信客服
  • 扫码咨询
会员Q群
  • 会员专属群点击这里加入QQ群
客服邮箱
回到顶部