电脑桌面
添加小米粒文库到电脑桌面
安装后可以在桌面快捷访问

立式储罐现场制作安装施工方案

立式储罐现场制作安装施工方案_第1页
1/17
立式储罐现场制作安装施工方案_第2页
2/17
立式储罐现场制作安装施工方案_第3页
3/17
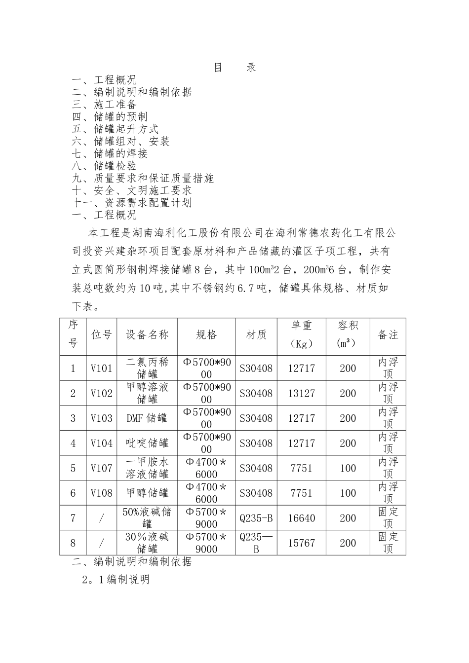
目 录一、工程概况二、编制说明和编制依据三、施工准备四、储罐的预制五、储罐起升方式六、储罐组对、安装七、储罐的焊接八、储罐检验九、质量要求和保证质量措施十、安全、文明施工要求十一、资源需求配置计划一、工程概况 本工程是湖南海利化工股份有限公司在海利常德农药化工有限公司投资兴建杂环项目配套原材料和产品储藏的灌区子项工程,共有立式圆筒形钢制焊接储罐 8 台,其中 100m32 台,200m36 台,制作安装总吨数约为 10 吨,其中不锈钢约 6.7 吨,储罐具体规格、材质如下表。序号位号设备名称规格材质单重(Kg)容积(m³)备注1V101二氯丙稀储罐Φ5700*9000S3040812717200内浮顶2V102甲醇溶液储罐Φ5700*9000S3040813127200内浮顶3V103DMF 储罐Φ5700*9000S3040812717200内浮顶4V104吡啶储罐Φ5700*9000S3040812717200内浮顶5V107一甲胺水溶液储罐Φ4700*6000S304087751100内浮顶6V108甲醇储罐Φ4700*6000S304087751100内浮顶7/50%液碱储罐Φ5700*9000Q235-B16640200固定顶8/30%液碱储罐Φ5700*9000Q235—B15767200固定顶二、编制说明和编制依据 2。1 编制说明由于本工程预制、组对、焊接工作量较大,且存在多出交叉作业,大大增加了本工程施工难度,为更好贯彻公司的质量方针,为建设单位提供满意的优质工程和服务,我公司将集中优势兵力,合理组织安排施工,坚持质量第一,严格控制过程,安全文明施工,确保按期完成,全力以赴争创优质工程,为达到上述目标,特编制本方案指导施工.2。2 编制依据1) 湖南海利工程咨询设计有限公司提供的设计图纸2) 《立式圆筒形钢制焊接储罐施工及验收法律规范》GB50128-20243) 《立式圆筒形钢制焊接油罐设计法律规范》GB50341-20244) 《石油化工立式圆筒型钢制贮罐施工工艺标准》SH3530—935) 《现场设备、工业管道焊接施工及验收法律规范》GB50236—?6) 《钢制压力容器焊接规程》JB/T4709—20007) 《焊接接头的基本形式与尺寸》 GB985—888) 《石油化工设备安装工程质量检验评定标准》SH3514-2001三、施工准备 3。1 施工现场准备3.1。1 施工现场根据常德公司的要求进行布置,场地平整,施工用水、电、路畅通。 3.1.2 土建基础施工完毕,基础经交接合格,具备施工条件. 3.1.3 各类施工人员配备齐全,特种设备操作人员具备相应的资质。 3.1.4 施工用各类机具落实到位,并运现场至按规定位置就位。 3。1。5 材料、半成品、成品、废品堆放场地明确。3。1.6 安全...

1、当您付费下载文档后,您只拥有了使用权限,并不意味着购买了版权,文档只能用于自身使用,不得用于其他商业用途(如 [转卖]进行直接盈利或[编辑后售卖]进行间接盈利)。
2、本站所有内容均由合作方或网友上传,本站不对文档的完整性、权威性及其观点立场正确性做任何保证或承诺!文档内容仅供研究参考,付费前请自行鉴别。
3、如文档内容存在违规,或者侵犯商业秘密、侵犯著作权等,请点击“违规举报”。

碎片内容

立式储罐现场制作安装施工方案

确认删除?
VIP
微信客服
  • 扫码咨询
会员Q群
  • 会员专属群点击这里加入QQ群
客服邮箱
回到顶部