电脑桌面
添加小米粒文库到电脑桌面
安装后可以在桌面快捷访问

第一章--高速公路养护标准化管理

第一章--高速公路养护标准化管理_第1页
1/32
第一章--高速公路养护标准化管理_第2页
2/32
第一章--高速公路养护标准化管理_第3页
3/32
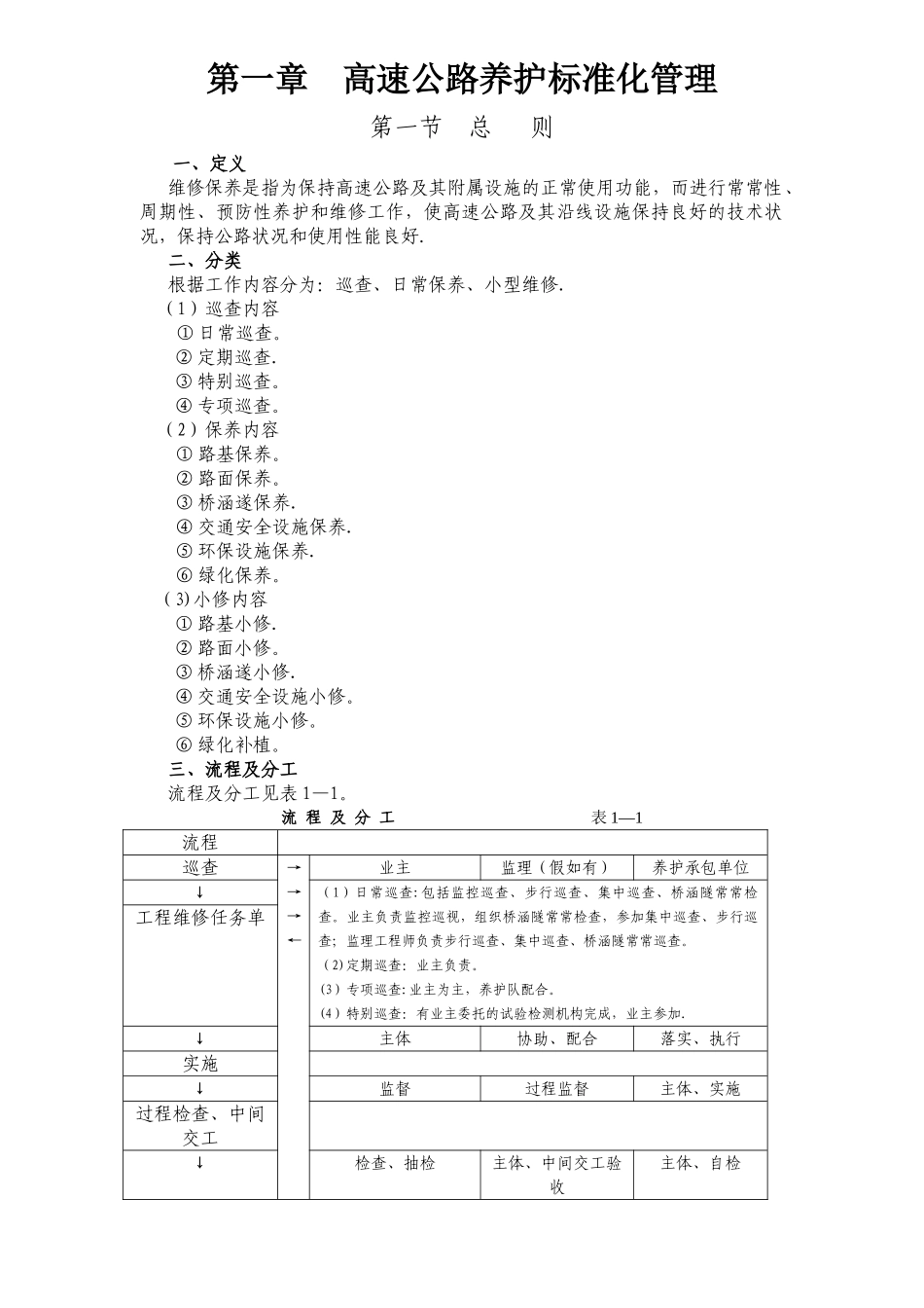
第一章高速公路养护标准化管理第一节 总 则一、定义维修保养是指为保持高速公路及其附属设施的正常使用功能,而进行常常性、周期性、预防性养护和维修工作,使高速公路及其沿线设施保持良好的技术状况,保持公路状况和使用性能良好.二、分类根据工作内容分为:巡查、日常保养、小型维修.(1)巡查内容① 日常巡查。② 定期巡查.③ 特别巡查。④ 专项巡查。(2)保养内容① 路基保养。② 路面保养。③ 桥涵遂保养.④ 交通安全设施保养.⑤ 环保设施保养.⑥ 绿化保养。(3)小修内容① 路基小修.② 路面小修。③ 桥涵遂小修.④ 交通安全设施小修。⑤ 环保设施小修。⑥ 绿化补植。三、流程及分工流程及分工见表 1—1。流 程 及 分 工 表 1—1流程巡查→→→←业主监理(假如有)养护承包单位↓(1)日常巡查:包括监控巡查、步行巡查、集中巡查、桥涵隧常常检查。业主负责监控巡视,组织桥涵隧常常检查,参加集中巡查、步行巡查;监理工程师负责步行巡查、集中巡查、桥涵隧常常巡查。(2)定期巡查:业主负责。(3)专项巡查:业主为主,养护队配合。(4)特别巡查:有业主委托的试验检测机构完成,业主参加.工程维修任务单↓主体协助、配合落实、执行实施↓监督过程监督主体、实施过程检查、中间交工↓检查、抽检主体、中间交工验收主体、自检验收主体、组织协助、参加协助、配合四、职责划分(1)公司养护总体负责人:公司总经理, 总体负责维修保养工作,对上级主管单位负责,每季不定期检查和抽查不少于 1 次。(2)公司养护具体负责人:公司主管副总经理(兼总工) 全面负责维修保养工作,对公司总经理负责,每月不定期检查和抽查不少于 1 次,(3)公司养护部总体负责人:公司养护部主任。 具体负责维修养护工作的组织和开展,主持养护部日常管理工作,对公司主管副总经理负责,每月不定期检查和抽检不少于 2 次.(4)养护部路、桥、遂、绿化、机电专工及成员.具体负责分管路、桥、遂交通安全设施,绿化、机电等项目的巡查,(参加集中巡查、步行巡查、定期巡查,负责专项巡查,特别巡查)和“工程维修任务单”下发及维修保养现场管理、验收,内业资料管理,对养护部主任负责。第二节 巡查和任务单一、巡查巡查时通过隧道监控摄像,乘车和步行方式,对路基、路面、桥涵隧、交通安全设施、环保设施、绿化的技术状况进行常常、定期和随机性检查,及时发现影响使用功能和不安全因素及影响司乘人员、养护人员身体健康的不良条件,...

1、当您付费下载文档后,您只拥有了使用权限,并不意味着购买了版权,文档只能用于自身使用,不得用于其他商业用途(如 [转卖]进行直接盈利或[编辑后售卖]进行间接盈利)。
2、本站所有内容均由合作方或网友上传,本站不对文档的完整性、权威性及其观点立场正确性做任何保证或承诺!文档内容仅供研究参考,付费前请自行鉴别。
3、如文档内容存在违规,或者侵犯商业秘密、侵犯著作权等,请点击“违规举报”。

碎片内容

第一章--高速公路养护标准化管理

您可能关注的文档

确认删除?
VIP
微信客服
  • 扫码咨询
会员Q群
  • 会员专属群点击这里加入QQ群
客服邮箱
回到顶部