电脑桌面
添加小米粒文库到电脑桌面
安装后可以在桌面快捷访问

管桩的外观质量

管桩的外观质量_第1页
1/2
管桩的外观质量_第2页
2/2
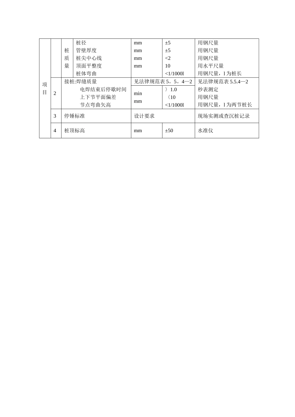
管桩的外观质量项目产品质量等级优等品一等品合格品粘皮和麻面不允许局部粘皮和麻面累计面积不大于桩总外表面积的 0。2%;每处粘皮和麻面的深度不大于 5mm,且应修补局部粘皮和麻面累计面积不大于桩总外表面积的 0。5%;每处粘皮和麻面的深度不大于 10mm,且应修补桩身合缝漏浆不允许漏 浆 深 度 不 大 于5mm,每处漏浆长度不 大 于 100mm , 累计长度不大于管桩长度的 5%,且应修补漏浆深度不大于 10mm,每处漏浆长度不大于 300mm,累计长度不大于管桩长度的10%,或对称漏浆的搭接长度不大于 100mm,且应修补局部磕损不允许磕 损 深 度 不 大 于5mm,每处面积不大于 20cm2 ,且应修补磕损深度不大于 10mm,每处面积不大于 50cm2 ,且应修补内外表面积露筋不允许表面裂缝不得出现环向和纵向裂缝,但龟裂、水纹和内壁浮浆层中的收缩裂纹不在此限桩端面平整度管桩端面混凝土和预应力钢筋镦头不得高出端板平面断筋、脱头不允许桩套箍凹陷不允许凹陷深度不大于 5mm凹陷深度不大于 10mm内表面混凝土塌落不允许桩头和桩箍与桩身结合面漏浆不允许漏浆深度不大于 5mm,漏浆长度不大于周边长的 1/8,且应修补漏浆深度不大于 5mm,漏浆长度不大于周边长的1/8,且应修补空洞和蜂窝不允许先张法预应力管桩质量检验标准项序检查项目允许偏差或允许值检查方法单位数值主控项目1桩体质量检验按基桩检测技术法律规范按基桩检测技术法律规范2桩位偏差见法律规范表 5。1。3用钢尺量3承载力按基桩检测技术法律规范按基桩检测技术法律规范一般1成品外观无蜂窝、露筋、裂缝、色感均匀、桩顶处无孔隙直观项目桩质量桩径管壁厚度桩尖中心线顶面平整度桩体弯曲mmmmmmmm±5±5<210<1/1000l用钢尺量用钢尺量用钢尺量用水平尺量用钢尺量,l 为桩长2接桩:焊缝质量电焊结束后停歇时间上下节平面偏差节点弯曲矢高见法律规范表 5。5。4—2见法律规范表 5.5.4—2秒表测定用钢尺量用钢尺量,l 为两节桩长minmm〉1.0〈10<1/1000l3停锤标准设计要求现场实测或查沉桩记录4桩顶标高mm±50水准仪

1、当您付费下载文档后,您只拥有了使用权限,并不意味着购买了版权,文档只能用于自身使用,不得用于其他商业用途(如 [转卖]进行直接盈利或[编辑后售卖]进行间接盈利)。
2、本站所有内容均由合作方或网友上传,本站不对文档的完整性、权威性及其观点立场正确性做任何保证或承诺!文档内容仅供研究参考,付费前请自行鉴别。
3、如文档内容存在违规,或者侵犯商业秘密、侵犯著作权等,请点击“违规举报”。

碎片内容

管桩的外观质量

您可能关注的文档

确认删除?
VIP
微信客服
  • 扫码咨询
会员Q群
  • 会员专属群点击这里加入QQ群
客服邮箱
回到顶部