电脑桌面
添加小米粒文库到电脑桌面
安装后可以在桌面快捷访问

粗苯操作岗位培训教材

粗苯操作岗位培训教材_第1页
1/3
粗苯操作岗位培训教材_第2页
2/3
粗苯操作岗位培训教材_第3页
3/3
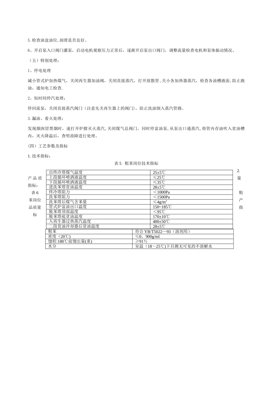
粗苯岗位一、工艺原理:来自硫铵工段的煤气进入终冷塔后煤气冷却至工段要求的温度值,然后进入洗苯塔被洗油吸收煤气中的苯化合物进入煤气柜.洗油吸收苯化合物后被富油泵抽送至富油槽,然后经泵运输至油汽换热器,油油换热器,经管式炉升温后至脱苯塔脱苯,脱苯后的洗油经泵运输至贫油冷却器冷却后上塔喷洒。二、工艺流程:1、终冷工艺流程:来自硫铵的煤气 终冷塔 洗苯 煤气柜 焦炉2、粗苯工艺流程:富油槽 富油泵 粗苯换热器 贫油换热器 管式炉 洗苯塔 贫油 油油换热器 塔底贫油槽 贫油泵 贫油冷却器 上塔喷洒三、岗位基本操作终冷塔开工:1。检查有关管道、阀门、运转设备和仪表是否具有开工开工条件。2。在煤气交通管打开,出入口开闭器关闭的状态下,打开塔顶的放散管.从塔底向塔内通入 N2,置换塔内空气,稍后从塔出口煤气管道上通入 N2,置换出出口管道中的空气。3.当塔顶冒大量气体后,稍开煤气入口阀门 3~5 扣,向塔内通入煤气,同时关闭 N2阀门。4。当塔顶放散管冒出大量煤气后,取样做爆发试验,试验合格后关闭放散管,同时打开塔出入口煤气开闭器。5。慢慢关闭煤气交通管阀门,注意压力变化情况,假如阻力过大,立即停止关煤气交通管阀门,待查明原因,排除故障后,在关闭煤气交通管阀门。6。待塔内煤气通过正常后,启动下段冷凝液循环泵,同时注意塔的阻力情况,正常后打开下段冷凝冷却器循环水,并调节循环水量至适当位置.7. 启动上段冷凝液循环泵,同时注意塔内阻力情况,待正常后打开上段冷凝冷却器低温水,并调节水量使煤气出口温度至合适的温度.终冷塔停工操作:1.打开煤气交通管阀门,同时关闭终冷塔煤气进出口阀门。2.停终冷水循环泵.3.若长时间停工,则打开放散管,往终冷塔内通氮气赶空气,放散管冒出大量氮气后停送氮气。洗苯塔的开工:1. 检查有关的管道、开闭器、运转设备和仪表等是否达到开工条件.2. 在煤气交通管打开,出、入口阀门关闭的状态下,打开塔顶部放散管。从塔底通氮气置换塔内空气。同时从塔出口煤气管道上通入氮气置换空气。3. 当塔顶冒出大量氮气后,稍开煤气入口阀门 3~5 扣,使煤气通入塔内,同时关闭塔内氮气.4.当放散管冒出大量煤气后,取样做爆发试验,合格后关闭放散管,同时全开塔出、入口煤气开闭器。5. 慢慢关闭交通管煤气开闭器,注意压力变化情况,如阻力过大,立即停止关交通管开闭器,待查明原因,排除故障后,再关闭交通管开闭器。6.洗苯塔通过煤气正常后,通知蒸馏岗位...

1、当您付费下载文档后,您只拥有了使用权限,并不意味着购买了版权,文档只能用于自身使用,不得用于其他商业用途(如 [转卖]进行直接盈利或[编辑后售卖]进行间接盈利)。
2、本站所有内容均由合作方或网友上传,本站不对文档的完整性、权威性及其观点立场正确性做任何保证或承诺!文档内容仅供研究参考,付费前请自行鉴别。
3、如文档内容存在违规,或者侵犯商业秘密、侵犯著作权等,请点击“违规举报”。

碎片内容

粗苯操作岗位培训教材

确认删除?
VIP
微信客服
  • 扫码咨询
会员Q群
  • 会员专属群点击这里加入QQ群
客服邮箱
回到顶部