电脑桌面
添加小米粒文库到电脑桌面
安装后可以在桌面快捷访问

给排水采暖消防施工方案

给排水采暖消防施工方案_第1页
1/19
给排水采暖消防施工方案_第2页
2/19
给排水采暖消防施工方案_第3页
3/19
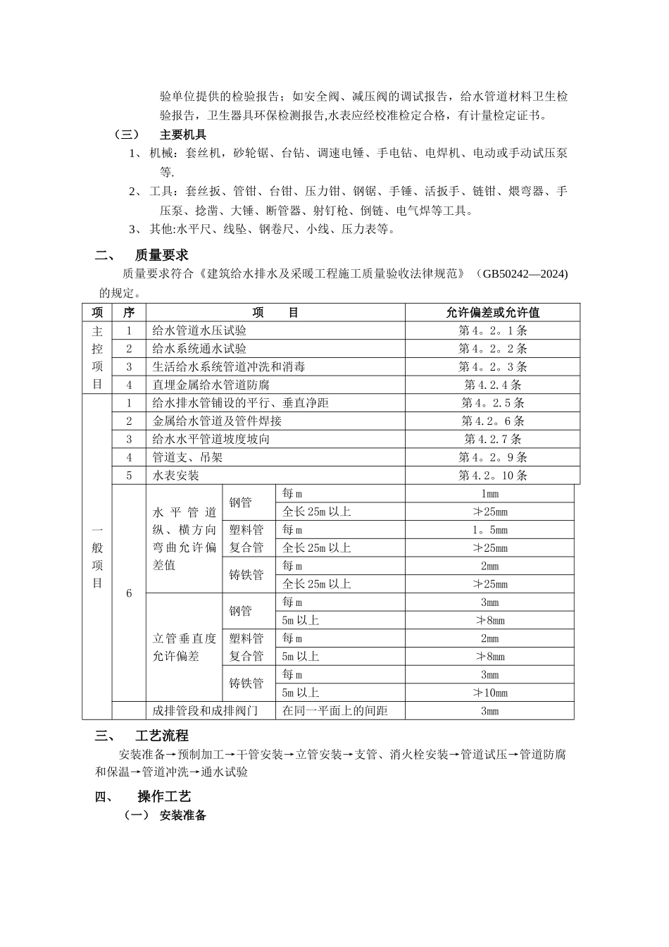
兰州石化公司新区建设 12#街区 A15#、A16#住宅楼及地下车库工程给排水消防采暖施工方案A15#、A16#住宅楼为两栋二类高层住宅楼,总高度 45。70 m,地上十四层,地下一层;一至十四层为住宅,地下为人防.依据施工图的技术要求、设备说明书要求,确定设备、管道和风道的位置及标高,划线安装,特别要求与设计、甲方(或监理方)协商解决.一、施工准备 给水消防(一)作业条件1、 地下管道铺设必须在房心土回填夯实或挖到管底标高,沿管线铺设位置清理洁净,管道穿墙处巳留管洞或安装套管,其洞口尺寸和套管规格符合要求,坐标、标高正确。2、 暗装管道应在地沟盖板前或吊顶封闭前进行安装.3、 明装托、吊干管安装必须在安装层的结构顶板完成后进行。沿管线安装位置的模板及杂物清理洁净,托吊卡件均已安装牢固,位置正确。4、 立管安装宜在主体结构完成后进行.高层建筑在主体结构达到安装条件后,适当插入进行.每层均应有明确的标高线,暗装竖井管道,应把竖井内的模板及杂物清除洁净,并有防坠落措施。5、 支管安装应在墙体砌筑完毕墙面未装修前进行。(二)材料要求1、 镀锌给水管镍内涂塑焊接钢管及管件质量标准应执行 GB/T3091。其规格种类应符合设计要求,管外镀锌均匀,无锈蚀,无毛刺.管件无偏扣、乱扣、丝扣不全或角度不准等现象。将几个相同直径的管件串起来,看是否乱扣、偏扣、角度不准,然后试压。2、 消火栓系统管材按设计要求选用,一般采纳碳素钢管焊接,管材不得有弯曲、锈蚀、重皮及凹凸不平等现象.3、 消火栓箱体的规格型号应符合设计图纸要求,箱体表面平整、光洁,无锈蚀、划伤,箱门开启灵活。箱体方正,箱内配件齐全。栓阀外形规矩,无裂纹,启闭灵活,关闭严密,密封填料完好。4、 水表的规格应符合设计图纸要求,表壳铸造规矩,无砂眼、裂纹,表玻璃盖无损坏,铅封完整。5、 阀门的规格型号应符合设计要求.阀体铸造规矩,表面光洁,无裂纹,开关灵活,关闭严密,填料密封完好无渗漏,手轮完整无损坏,干管上的阀门全部试压检验,一般阀门抽查 10%。若有不合格的,则抽查 20%,还有不合格的,则逐个检验。6、 不得使用国家限制使用和淘汰落后的建材.以上工程物资都应有产品质量合格证及相关检验报告。对于国家及北京市有规定的特定设备及材料,如消防、卫生、压力容器,应附有相应资质等级检验单位提供的检验报告;如安全阀、减压阀的调试报告,给水管道材料卫生检验报告,卫生器具环保检测报告,水表应经校准检定合格...

1、当您付费下载文档后,您只拥有了使用权限,并不意味着购买了版权,文档只能用于自身使用,不得用于其他商业用途(如 [转卖]进行直接盈利或[编辑后售卖]进行间接盈利)。
2、本站所有内容均由合作方或网友上传,本站不对文档的完整性、权威性及其观点立场正确性做任何保证或承诺!文档内容仅供研究参考,付费前请自行鉴别。
3、如文档内容存在违规,或者侵犯商业秘密、侵犯著作权等,请点击“违规举报”。

碎片内容

给排水采暖消防施工方案

确认删除?
VIP
微信客服
  • 扫码咨询
会员Q群
  • 会员专属群点击这里加入QQ群
客服邮箱
回到顶部