电脑桌面
添加小米粒文库到电脑桌面
安装后可以在桌面快捷访问

绿化工程评定表

绿化工程评定表_第1页
1/26
绿化工程评定表_第2页
2/26
绿化工程评定表_第3页
3/26
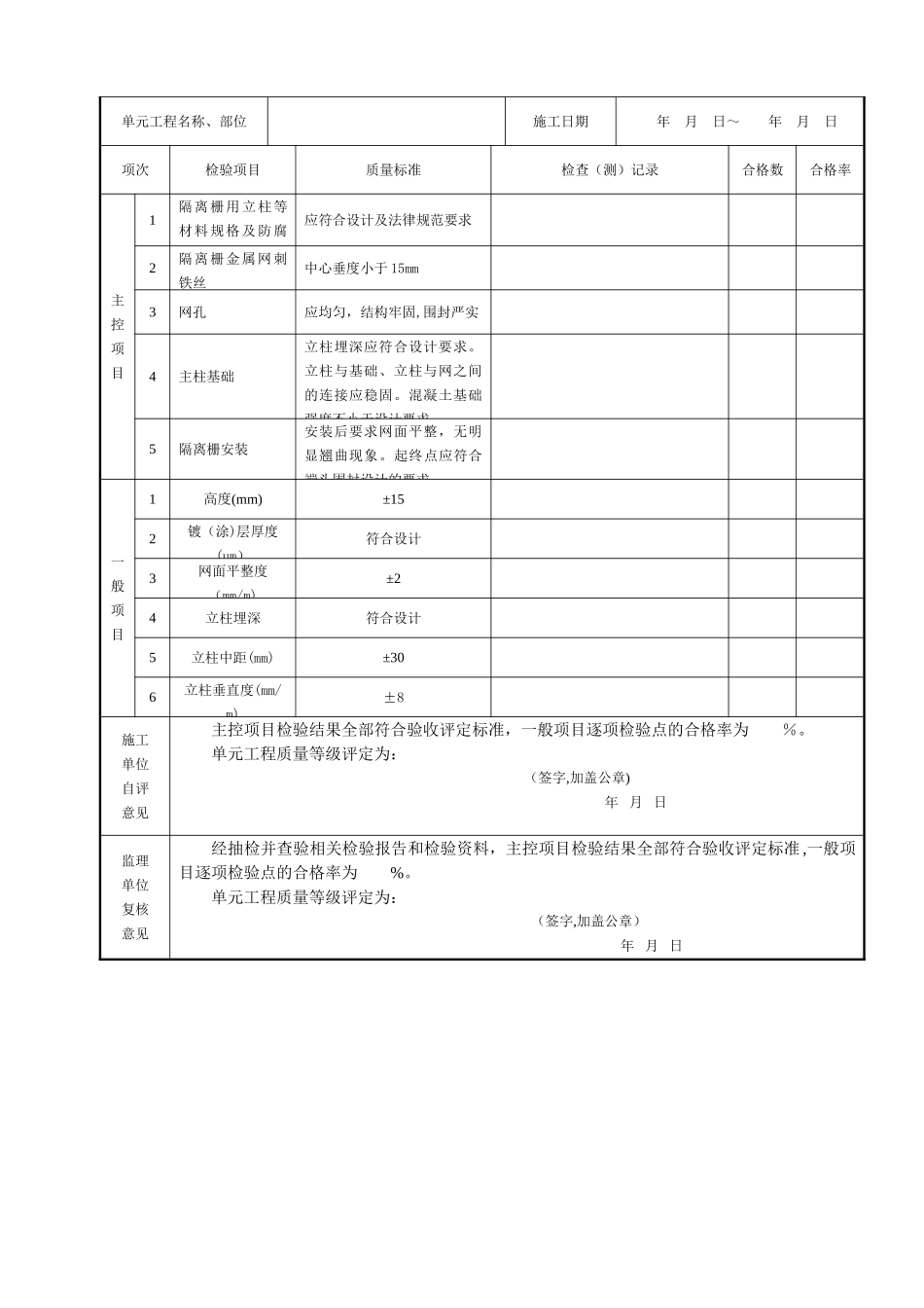
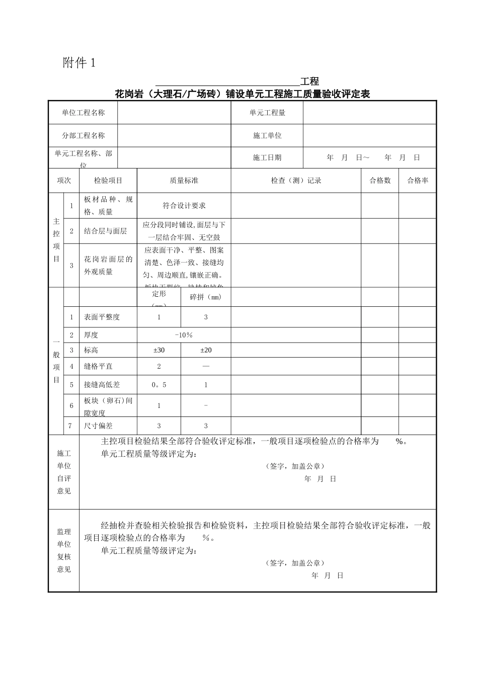
附件 1 工程花岗岩(大理石/广场砖)铺设单元工程施工质量验收评定表单位工程名称单元工程量分部工程名称施工单位单元工程名称、部位施工日期 年 月 日~ 年 月 日项次检验项目质量标准检查(测)记录合格数合格率主控项目1板 材 品 种 、 规格、质量符合设计要求2结合层与面层应分段同时铺设,面层与下一层结合牢固、无空鼓3花 岗 岩 面 层 的外观质量应表面干净、平整、图案清楚、色泽一致、接缝均匀、周边顺直,镶嵌正确。板块无裂纹、缺棱和掉角一般项目定形(mm)碎拼(mm)1表面平整度132厚度-10%3标高±30±204缝格平直2—5接缝高低差0。516板块(卵石)间隙宽度1-7尺寸偏差33施工单位自评意见主控项目检验结果全部符合验收评定标准,一般项目逐项检验点的合格率为 %。单元工程质量等级评定为: (签字,加盖公章) 年 月 日监理单位复核意见经抽检并查验相关检验报告和检验资料,主控项目检验结果全部符合验收评定标准,一般项目逐项检验点的合格率为 %。单元工程质量等级评定为: (签字,加盖公章) 年 月 日花岗岩(大理石/广场砖)铺设单元工程施工质量验收评定表填表要求填表时必须遵守“填表基本规则”,并符合以下要求:1、单元工程划分:按铺设区、段、块划分,以每区、段或块为一个单元工程。 2、单元工程量:填写单元面层铺设量(m2)。3、主控检验项目花岗岩(大理石/广场砖)可根据实际施工面层铺设种类填写。4、单元工程施工质量验收评定应提交下列资料:(1)施工单位应提交单元工程施工“三检表",验收评定的检验资料,原材料与各项实体检验项目的检验记录资料。(2)监理单位应提交对单元工程施工质量的平行检测资料.5、检验(检查、检测)记录应真实、准确,检测结果中的数据为终检数据,并在施工单位自评意见栏中由终检负责人签字.检测结果可以是实测值,也可以是偏差值,填写偏差值时必须附实测记录.有允许偏差的,应均衡布置检测点,各检验项目的检验方法及检验数量按下表的要求执行。花岗岩(大理石/广场砖)铺设表6 、 单元 工程质量 标准( 1 )合 格等级标准:主控项目,检验结 果应全部 符合验收评定标准。一般项目,逐项应有70%及以上的检验点合格,且不合格点不应集中.各项报验资料应符合验收评定标准。(2)优良等级标准:主控项目,检验结果应全部符合验收评定标准。一般项目,逐项应有 90%及以上的检验点合格,且不合格点不应集中。各项报验资料应符合验收评定标准。附件 2 工...

1、当您付费下载文档后,您只拥有了使用权限,并不意味着购买了版权,文档只能用于自身使用,不得用于其他商业用途(如 [转卖]进行直接盈利或[编辑后售卖]进行间接盈利)。
2、本站所有内容均由合作方或网友上传,本站不对文档的完整性、权威性及其观点立场正确性做任何保证或承诺!文档内容仅供研究参考,付费前请自行鉴别。
3、如文档内容存在违规,或者侵犯商业秘密、侵犯著作权等,请点击“违规举报”。

碎片内容

绿化工程评定表

您可能关注的文档

确认删除?
VIP
微信客服
  • 扫码咨询
会员Q群
  • 会员专属群点击这里加入QQ群
客服邮箱
回到顶部