电脑桌面
添加小米粒文库到电脑桌面
安装后可以在桌面快捷访问

聚乙烯燃气管安装施工工艺标准

聚乙烯燃气管安装施工工艺标准_第1页
1/7
聚乙烯燃气管安装施工工艺标准_第2页
2/7
聚乙烯燃气管安装施工工艺标准_第3页
3/7
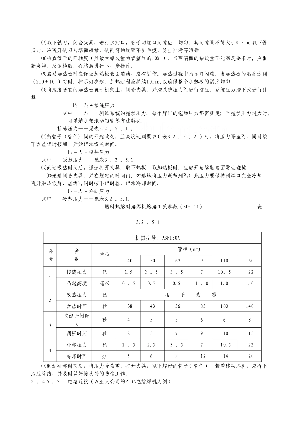
聚 乙 烯 燃 气 管 安 装 施 工 工 艺 标 准1 适用范围 本标准适用于最大允许工作压力不大于0.4MPa( 表压), 工作温度在-20~40°C 的埋地聚乙烯燃气管道新建、改建、扩建工程的施工。2 施工隹备2 。1 材料准备 2.1.1 聚乙烯燃气管材应符合《燃气用埋地聚乙烯管材》GBl5558 。1 的规定;聚乙烯管件应符合《燃气用埋地策乙烯管件》GBl5558.2 的规定。2.1.2 聚乙烯燃气管道分为SDRll 和SDRl7 。6 两个系列,SDRll 系列宜用于输送人工煤气、天然气、液化石油气( 气态);SDRl7 。6 系列宜用于输送天然气。2 。1 。3 聚乙烯燃气管出厂时在管身上应印有下列永久性标志, 其间距不宜超过2m。 1)“燃气”字样或“Gas"字样; 2 )泵料牌号; 3) SDR; 4)规格尺寸; 5 )生产厂名或商标、生产日期和批号。2.1 。4 管材的颜色分为黄色和黑色,黄色表示中压,黑色管身加青色条纹表示低压. 管材、管件从生产至使用之间的存放时间,黄色管道不宜超过1 年,黑色管道不宜超过2 年. 超过上述期限时必须重新抽样检验,合格后方可使用。2 。1.5 施工时所用聚乙烯燃气管管材及相应管件,均须有出厂合格证及试验证明、生产日期等相关文件.2.1.6 聚乙烯燃气管直管管材长度一般为6m、9m、12m ,允许偏差±20mm;盘管管材的最大外径不大于110 ㎜,盘管的盘架直径不应小于24倍管材外径且不得小于0.6m。2 。1 。7 管材、管件应设专门料场存放,并设专人看管, 材料在户外堆放时,必须有遮蔽物,管材两端加盖进行封堵,堆放高度不得超过1 。5m。管材进场后, 暂不施工时,不得打开外包装。2 。1.8 管材在码放、运输过程中,不得使用金属材料直接捆扎和吊运管道,管道下沟时应防止划伤、扭曲和强力拉伸. 管材外壁如划痕深度超过1/10管壁厚度严禁使用。2.1.9 钢塑转换接头的钢管端在出厂前涂敷的防腐底漆质量应符合国家现行有关钢管防腐标准的规定。2.2 机具设备2 。2.1 机具:热熔焊机、电熔焊机。2.2.2 辅助工具:龙门架、吊带、旋转刮刀、割管器、固定夹具、压扁工具、旋转切刀、鞍型三通钥匙、标记笔等。2 。2 。3 检测工具:水准仪、经纬仪、焊缝检查尺、直尺、卷尺、小线等.2.2 。4 焊接设备应与使用管件相匹配,具有产品合格证书。2.3 技术准备2 。3.1 仔细审核施工图纸及设计文件并进行图纸会审和编制施工组织设计。2 。3.2 向操作人员进行安全技术交底,并熟悉设备操作规程.2.4 作业...

1、当您付费下载文档后,您只拥有了使用权限,并不意味着购买了版权,文档只能用于自身使用,不得用于其他商业用途(如 [转卖]进行直接盈利或[编辑后售卖]进行间接盈利)。
2、本站所有内容均由合作方或网友上传,本站不对文档的完整性、权威性及其观点立场正确性做任何保证或承诺!文档内容仅供研究参考,付费前请自行鉴别。
3、如文档内容存在违规,或者侵犯商业秘密、侵犯著作权等,请点击“违规举报”。

碎片内容

聚乙烯燃气管安装施工工艺标准

您可能关注的文档

元素商铺+ 关注
实名认证
内容提供者

欢迎挑选合适的文档

确认删除?
VIP
微信客服
  • 扫码咨询
会员Q群
  • 会员专属群点击这里加入QQ群
客服邮箱
回到顶部