电脑桌面
添加小米粒文库到电脑桌面
安装后可以在桌面快捷访问

花篮拉杆式悬挑脚手架专项施工方案

花篮拉杆式悬挑脚手架专项施工方案_第1页
1/76
花篮拉杆式悬挑脚手架专项施工方案_第2页
2/76
花篮拉杆式悬挑脚手架专项施工方案_第3页
3/76
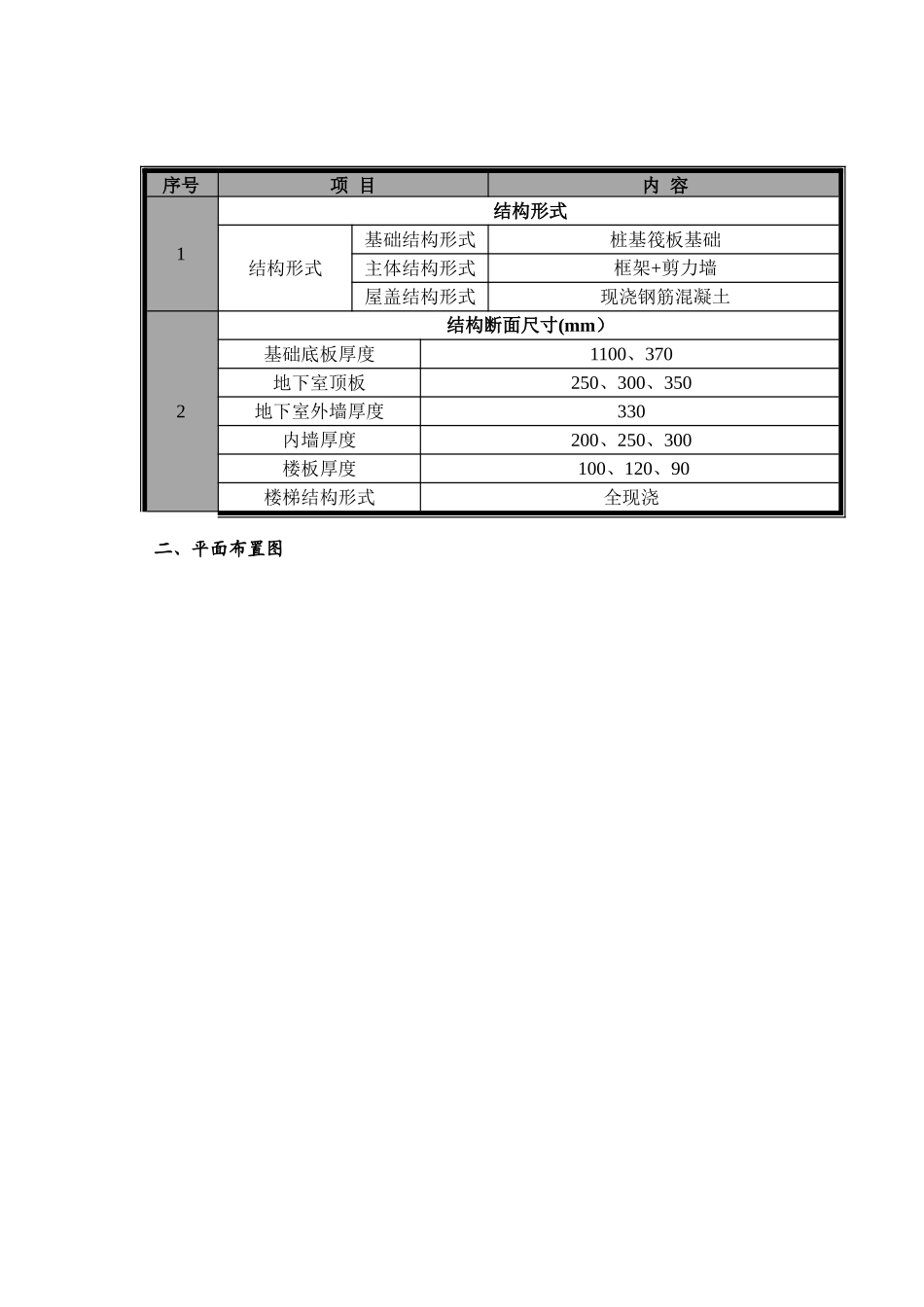
金地酩悦项目花篮拉杆式悬挑脚手架专项施工方案 编制: 赵亮 审核: 袁庆 审批: 叶文启 目录 第一章 施工概况-—-----——--—-—-—------—-—----————————————--——--———--—-—---—---——------—————-——--——--——--————--——-—-—-—-——--———--—-—-—--———-—--—--——--2 1 工程概况——-—-—-—--———--————-—-——------———-———-———-—-————----—-———----—-——--——--—————--——-———-—---—--—————-———------——---——————————-—---—-——-——---2 2 平面布置图--—————--——-—----—---—-—-—---—--—---—-——--———---——-——--——-—--—--———-—---——-—--—-—--——--—-—-—-—---------—-—-—---———-—--—--—-———-—-——---2第二章 编制依据----———-——-——-——---—-—-—-—-——--—--——-—---———---—---—-——-—--———--—-——---—-—--——————--—-—--—-——-—--——-——--—————————---———-—--——-————---—5第三章 组织机构——--—-——-—---—-—-————-----———-—-—--————-—--————-—-—-———---—--—---—————-——--——---——-—--——-—-——--—-----—————--—--——————-—--————-----——--6第四章 施工准备—--—————-———-——-———————-—----——-——--—————————-—-----—-—-——--—-—————--—-—----———-—————-——----—-—-———-——-——---——---—-----——-——---—----—-7第五章 材料要求-——---—--———-———-—---—-—-—---—----——-—--—--——-———--———-------—-—-----——--———-—-——--———-——---——--——---——-——-—-———--——--——-—---———————-—9 第六章 材脚手架搭设材料、人员及进度计划—————-——--—-——---————--——-————--—-————---—-—-—-—————-—---—-——-—--——---—--—-—-—--———-—--—--———————11 第七章 外脚手架搭设方案及要求——-——-—-—-—------—-——-——--—--——--—-—-——-—————-—-——-----—————---————-—-—-——----——-—--—----—---...

1、当您付费下载文档后,您只拥有了使用权限,并不意味着购买了版权,文档只能用于自身使用,不得用于其他商业用途(如 [转卖]进行直接盈利或[编辑后售卖]进行间接盈利)。
2、本站所有内容均由合作方或网友上传,本站不对文档的完整性、权威性及其观点立场正确性做任何保证或承诺!文档内容仅供研究参考,付费前请自行鉴别。
3、如文档内容存在违规,或者侵犯商业秘密、侵犯著作权等,请点击“违规举报”。

碎片内容

花篮拉杆式悬挑脚手架专项施工方案

确认删除?
VIP
微信客服
  • 扫码咨询
会员Q群
  • 会员专属群点击这里加入QQ群
客服邮箱
回到顶部