电脑桌面
添加小米粒文库到电脑桌面
安装后可以在桌面快捷访问

采暖管道施工技术交底大全

采暖管道施工技术交底大全_第1页
1/12
采暖管道施工技术交底大全_第2页
2/12
采暖管道施工技术交底大全_第3页
3/12
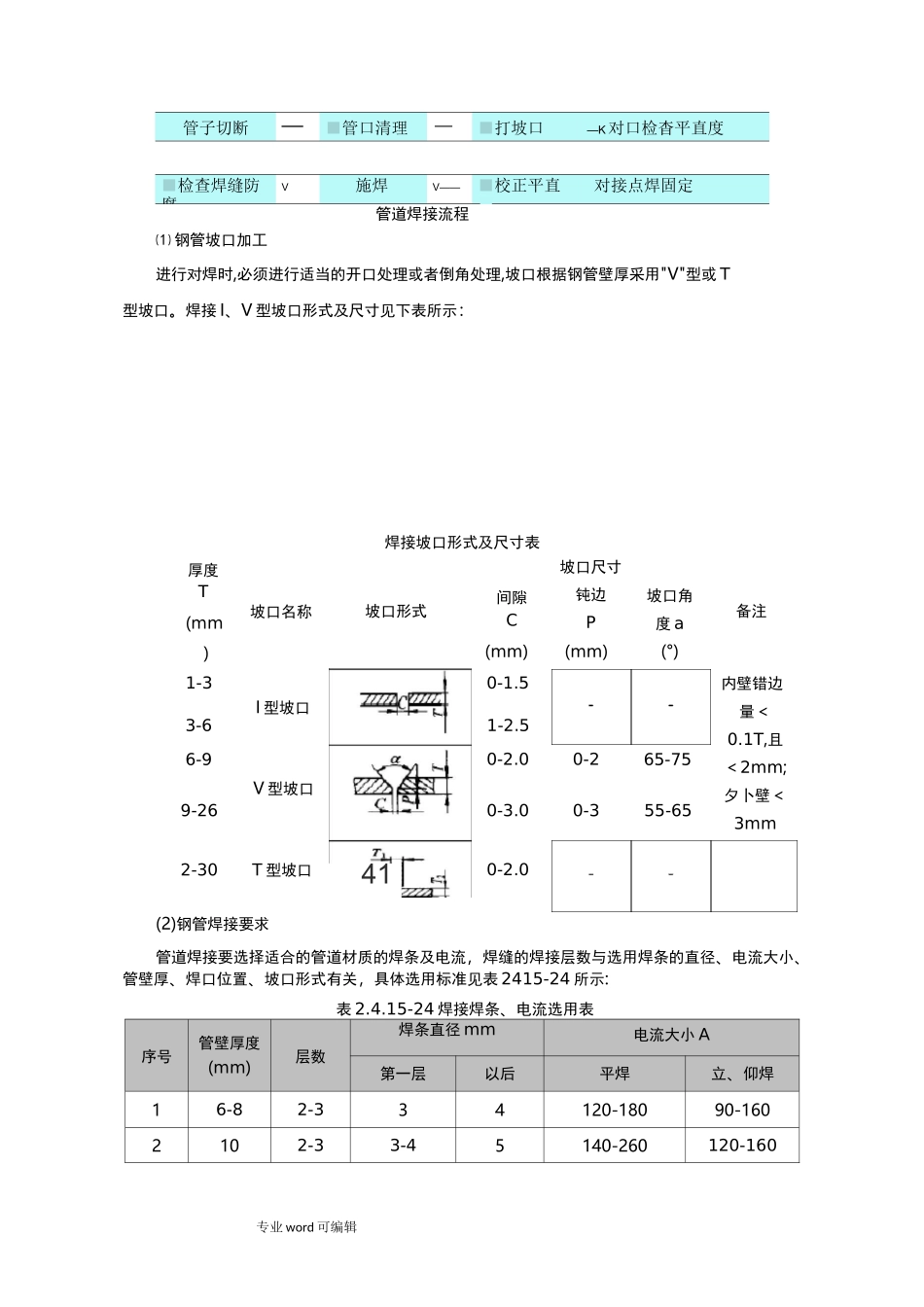
专业 word 可编辑工程名称东营万达广场项目楼栋号大商业分项工程名称采暖管道工稈量分包公司负责人交底内容一、工程概况:本工程米暖系统主要为外铺米暖系统和公寓米暖系统,采暖管道管材:管径<DN50 时,水管采用镀锌钢管(螺纹连接);管径 DN50 的水管以上采用焊接钢管焊接,管径>DN250 的水管采用螺旋焊接钢管,焊接。与设备配件为法兰连接。二、施工前准备1•施工前工作人员应结合结构及建筑图,并将安装专业图纸中系统图及平面图结合对照后,确定地面做法及施工管道位置,检查预留洞口是否合适,准备好需要使用的主材、辅材、施工用具以及充足的劳动力。管道管件规格种类应符合设计要求,管内外镀锌均匀,无锈蚀,无毛刺,焊接钢管表面应除锈刷漆完成。2•机具准备2.1 机械:套丝机、砂轮锯、台钻、调速电锤、手电钻、电焊机、电动或手动试压泵等。2.2 工具:套丝板、管钳、台钳、压力钳、钢锯、手锤、活扳手、链钳、煨弯器、手压泵、捻凿、大锤、断管器、射钉枪、倒链、电气焊等工具。2.3 其它:水平尺、线坠、钢卷尺、小线、压力表等。三、操作工艺1•施工流程:钢管焊接流程图见下图。分项工程技术交底卡表格编号CSCEC81-AS-SG-B040专业 word 可编辑管子切断—►■管口清理―►■打坡口—K对口检杳平直度■检查焊缝防腐V施焊V——■校正平直■对接点焊固定管道焊接流程⑴ 钢管坡口加工进行对焊时,必须进行适当的开口处理或者倒角处理,坡口根据钢管壁厚采用"V"型或 T型坡口。焊接 I、V 型坡口形式及尺寸见下表所示:焊接坡口形式及尺寸表(2)钢管焊接要求管道焊接要选择适合的管道材质的焊条及电流,焊缝的焊接层数与选用焊条的直径、电流大小、管壁厚、焊口位置、坡口形式有关,具体选用标准见表 2415-24 所示:表 2.4.15-24 焊接焊条、电流选用表序号管壁厚度(mm)层数焊条直径 mm电流大小 A第一层以后平焊立、仰焊16-82-334120-18090-1602102-33-45140-260120-160厚度T(mm)坡口名称坡口形式间隙C(mm)1-3I 型坡口3-66-9V 型坡口9-262-30T 型坡口0-1.51-2.50-2.00-3.00-2.0坡口尺寸钝边P(mm)0-20-3坡口角度 a(°)65-7555-65备注内壁错边量<0.1T,且<2mm;夕卜壁<3mm41专业 word 可编辑3143~445本工程焊接碳素钢管设备主要采用普通交、直流焊机,见下图所示:焊接设备焊条选用 E4303,烘干后使用。焊条必须保存在专门的干燥的容器内。(3)管道焊接施工安装要领① 管道采用坡口机进行修正,坡口表面要求整洁、光洁,不合格的管口...

1、当您付费下载文档后,您只拥有了使用权限,并不意味着购买了版权,文档只能用于自身使用,不得用于其他商业用途(如 [转卖]进行直接盈利或[编辑后售卖]进行间接盈利)。
2、本站所有内容均由合作方或网友上传,本站不对文档的完整性、权威性及其观点立场正确性做任何保证或承诺!文档内容仅供研究参考,付费前请自行鉴别。
3、如文档内容存在违规,或者侵犯商业秘密、侵犯著作权等,请点击“违规举报”。

碎片内容

采暖管道施工技术交底大全

您可能关注的文档

确认删除?
VIP
微信客服
  • 扫码咨询
会员Q群
  • 会员专属群点击这里加入QQ群
客服邮箱
回到顶部