电脑桌面
添加小米粒文库到电脑桌面
安装后可以在桌面快捷访问

衢州省粮库栈桥钢结构技术施工方案-

衢州省粮库栈桥钢结构技术施工方案-_第1页
1/26
衢州省粮库栈桥钢结构技术施工方案-_第2页
2/26
衢州省粮库栈桥钢结构技术施工方案-_第3页
3/26
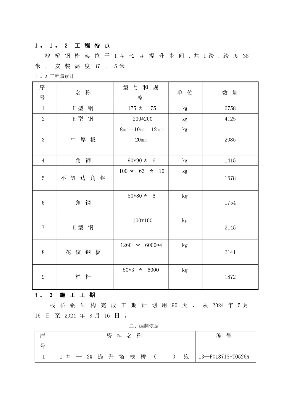
浙 江 衢 州 省 级 粮 食 储 备 库 二 期 项目浅 圆 仓 栈 桥 施 工 及 吊 装施工方案 编 制 : 审 批 : 审 核 :建 设 单 位 : 浙 江 省 粮 食 储 备 管 理 有 限 公 司施 工 单 位 : 浙 江 省 建 工 集 团 有 限 责 任 公 司一 、 工 程 概 况1.1工 程 概 况1 。 1.1 工 程 范 围本 工 程 为 衢 州 市 省 粮 食 储 备 库 二 期 建 设 项 目 浅圆 仓 栈 桥 工 程1 。 1 。 2 工 程 特 点栈 桥 钢 桁 架 位 于 1 # -2 # 提 升 塔 间 , 共 1 跨 . 跨 度 38米 , 安 装 高 度 37 。 5 米 。1 。2 工程量统计序号名 称型 号 和 规格单 位数 量1H 型 钢175 * 175㎏67582H 型 钢200*200㎏41253中 厚 板8mm—10mm 12mm-20mm㎏20854角 钢90*90* 6㎏14155不 等 边 角 钢100 * 63 * 10㎏15786角 钢80*80* 6kg17547H 型 钢100*100kg21458花 纹 钢 板1260 * 6000*4kg21419栏 杆50*3 * 6000kg18721 。 3 施 工 工 期栈 桥 钢 结 构 完 成 工 期 计 划 用90 天 , 从 2024 年 5 月16 日 至 2024 年 8 月 16 日 。二、编制依据序号资 料 名 称编 号11 #—2#提升塔栈桥(二)施13—F01871S-T0526A工 图2钢结构工程施工质量验收法律规 范GB50205—20013建 筑 钢 结 构 焊 接 技 术 规 程GB50011—20244钢 结 构 工 程 施 工 法 律 规 范GB50755-20245建 筑 施 工 安 全 检 查 标 准JGJ59—20246施工现场临时用电安全技术法律 规 范JGJ46—2024三 、 作 业 前 的 条 件 及 准 备3.1 技 术 准 备3.1.1 完 成 施 工 图 纸 会 审 , 经 设 计 交 底 后 , 编 写 有 针对 性 的 技 术 措 施 并 报 监 理 审 批 完 。3 。 1.2 施 工 场 地 能 够 满 足 施 工 要 求 。3 。 1 。 3 施 工 技 术 措 施 审 批 完 毕 .3 。 1 。 4 技 术 人 员 根 据 施 工 技 术 措 施 , 对 施 工 人 员进 行 技 术 、 安 全 交 底 , 并 进 行 了 三 签 。3.1.5从 附 近 箱 变 引 电 源 至 现 场 并 保 证 足 够 的 功 率 .3 。2 作业人员配备序号作 业 人 ...

1、当您付费下载文档后,您只拥有了使用权限,并不意味着购买了版权,文档只能用于自身使用,不得用于其他商业用途(如 [转卖]进行直接盈利或[编辑后售卖]进行间接盈利)。
2、本站所有内容均由合作方或网友上传,本站不对文档的完整性、权威性及其观点立场正确性做任何保证或承诺!文档内容仅供研究参考,付费前请自行鉴别。
3、如文档内容存在违规,或者侵犯商业秘密、侵犯著作权等,请点击“违规举报”。

碎片内容

衢州省粮库栈桥钢结构技术施工方案-

您可能关注的文档

一二三四传媒+ 关注
实名认证
内容提供者

大量资料供您选择,没有合适的可以联系小二。

确认删除?
VIP
微信客服
  • 扫码咨询
会员Q群
  • 会员专属群点击这里加入QQ群
客服邮箱
回到顶部