电脑桌面
添加小米粒文库到电脑桌面
安装后可以在桌面快捷访问

装修施工图审核项目及内容要求表

装修施工图审核项目及内容要求表_第1页
1/2
装修施工图审核项目及内容要求表_第2页
2/2
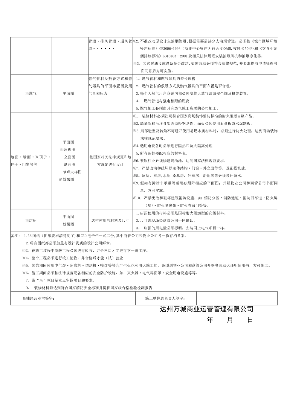
达州中迪·红星商业广场一期商铺施工图审核项目及内容要求表(达州万城商业运营管理有限公司)商铺名称及门牌号产权形式凯龙置业口 小业主口产权面积建材口 全业态口招商负责人姓名及电话经营业主姓名及电话产权业主姓名及电话设计单位名称及电话设计负责人姓名及电话项目设计子项具体项目图纸内容及相关要求设计说明相关设计说明总说明和各子项说明1。工程总概况说明。 2.各子项详细说明。※平面图原始平面图为基础附相关数据※1。必须标注楼面荷载,参照原结构图,不准超荷载。※2。根据国家相关法律法规,本项目严禁设计夹层。3。要标注地面标高·套内面积·产权面积·尺寸数据.※总平面布置图设施设备平面布置图布置相关设施设备 1.按相关法律规范进行布置. 2.如有楼层,包括每层。※强电系统图 用电负荷表平面图 设备安装图总用电量及供电方式1.总用电量<10KW 使用单相三线制2。总用电量≥10KW 使用三相五线制电线(缆)型号规格1。进户线型号规格必须与总用电量相匹配.2.回路电线横截面不小于 2.5mm² ,各回路电线横截面须与所承担负荷相匹配。3。所有电线(缆)必须使用国标无卤低烟耐火阻燃 A 等级的产品.线管材料及敷设方式1.敷设在砖墙和混凝土(砂浆垫层)内线管可以使用阻燃塑料管(如:FPVC 等管)。其余必须使用镀锌管(桥架))(如:JDG·KBG 等等管).2.注意线管敷设的相关法律规范(如:强电线管与燃气管道和弱电管及水管相距的距离).总开关及各回路开关型号1。总开关及各回路开关都要使用国标漏电(剩余电流动作)型断路器,2.并注明剩余电流大小及分断时间。电表型号1。需要增加用电容量的商户,电表必须使用经供电单位指定的品牌和校验的表。面板·灯具及用电设备1。使用国标高效·节能·环保·新型的阻燃 A 等级用电电器产品。弱电平面图系统图线管材料及敷设方式弱电电线的型号规格1。敷设在砖墙和混凝土(砂浆垫层)内线管可以使用阻燃塑料管(如:FPVC 等管),其余使用镀锌铁管(如:JDG·KBG 等等管)。2。注意线管敷设的相关法律规范(如:强电与弱电相距的距离)。3。所有弱电电线(缆)必须使用无卤低烟耐火阻燃 A 等级的产品。※消防平面图喷淋,报警探头,报警按钮 , 消 防 栓 , 声 光 报 警器·····1。是否改动。2.如需改动必须符合法律规范,并要求申请报备。3。消防施工必须由具有消防施工资质的公司施工。4,套内面积≥300㎡必须到达州通川区消防大队申请报备。※给排水平面图给 ...

1、当您付费下载文档后,您只拥有了使用权限,并不意味着购买了版权,文档只能用于自身使用,不得用于其他商业用途(如 [转卖]进行直接盈利或[编辑后售卖]进行间接盈利)。
2、本站所有内容均由合作方或网友上传,本站不对文档的完整性、权威性及其观点立场正确性做任何保证或承诺!文档内容仅供研究参考,付费前请自行鉴别。
3、如文档内容存在违规,或者侵犯商业秘密、侵犯著作权等,请点击“违规举报”。

碎片内容

装修施工图审核项目及内容要求表

您可能关注的文档

确认删除?
VIP
微信客服
  • 扫码咨询
会员Q群
  • 会员专属群点击这里加入QQ群
客服邮箱
回到顶部