电脑桌面
添加小米粒文库到电脑桌面
安装后可以在桌面快捷访问

设备工程部电气点检长岗位说明书

设备工程部电气点检长岗位说明书_第1页
1/5
设备工程部电气点检长岗位说明书_第2页
2/5
设备工程部电气点检长岗位说明书_第3页
3/5
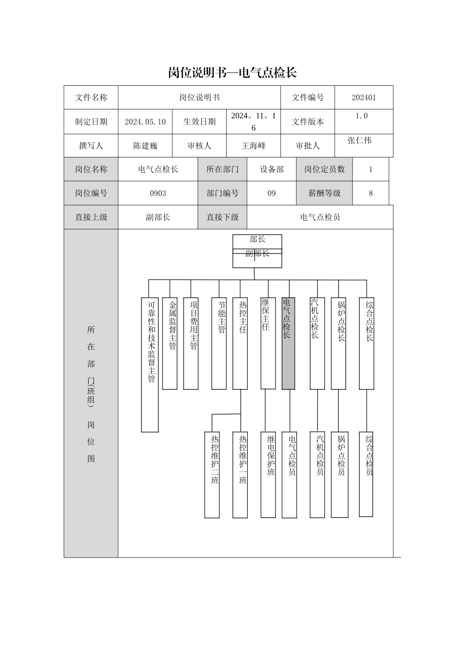
岗位说明书—电气点检长文件名称岗位说明书文件编号202401制定日期2024.05.10生效日期2024。11。16文件版本1.0撰写人陈建巍审核人王海峰审批人张仁伟岗位名称电气点检长所在部门设备部岗位定员数1岗位编号0903部门编号09薪酬等级8直接上级副部长直接下级电气点检员所 在 部 门(班组) 岗 位 图部长锅炉点检长节能主管热控主任综合点检长电气点检员继保主任电气点检长汽机点检长汽机点检员锅炉点检员热控维护一班继电保护班金属监督主管项目费用主管副部长综合点检员可靠性和技术监督主管热控维护二班工作概述负责电气一次专业的安全管理、技术管理、技术监控、点检管理、检修管理、设备管理、费用管理、技术改造等各项工作,是设备工程部电气专业安全、技术第一责任人.岗位职责序号工作项目具体职责工作绩效标准1安全管理对电气一次专业的设备、人员安全负责;在部长的领导下,全面负责本专业安全方面的各项管理工作,是电气专业安全第一责任人。及时查处电气设备安全隐患,不发生因电气设备事故造成的人员伤亡2技术管理对电气一次专业技术管理工作负责;在部长的领导下,全面负责和协调本专业设备管理的各项工作,是本专业设备管理、技术管理、专业生产费用管理和相关技术监督工作的第一责任人。按岗位职责,仔细履行好电气专业技术管理工作。3技术监控负责本专业相关技术监督、技术监控管理工作。每年年底前完成电气专业下一年度预试 计 划 并 督 促 完成.4点检管理负责组织做好本专业点检定修的各项管理工作。负责重大及与其它专业相关的精密点检的组织与协调工作;组织跨专业设备的缺陷处理;组织编制、修订本专业设备点检定修各项技术标准、作业标准和管理标准,并组织实施。 仔 细 落 实 点 检 责任、督促点检员完成对设备的状态分析。5检修管理组织编制和审核本专业设备检修计划、负责本专业设备检修、更改一般项目的成本管理、备品配件管理,对本专业检修项目完成、检修费用的合理使用和修后水平负责;组织实施组织编制和审核本专业设备检修作业文件包、试验标准、备品配件定额、检修工时定额、检修台帐及技术档案。组织完成检修项目的确定,监督检修进度,主持修后的整体验收.6设备管理掌握本专业设备的健康状况、存在问题和异常运行的原因,组织、参加并督促点检员及检修方做好重大设备缺陷的消除工作。督促点检员做好设备异常情况分析,实行相应防范措施。对电气专业的设备健康状况负责,督促点检员做好设备异常分析,及...

1、当您付费下载文档后,您只拥有了使用权限,并不意味着购买了版权,文档只能用于自身使用,不得用于其他商业用途(如 [转卖]进行直接盈利或[编辑后售卖]进行间接盈利)。
2、本站所有内容均由合作方或网友上传,本站不对文档的完整性、权威性及其观点立场正确性做任何保证或承诺!文档内容仅供研究参考,付费前请自行鉴别。
3、如文档内容存在违规,或者侵犯商业秘密、侵犯著作权等,请点击“违规举报”。

碎片内容

设备工程部电气点检长岗位说明书

您可能关注的文档

确认删除?
VIP
微信客服
  • 扫码咨询
会员Q群
  • 会员专属群点击这里加入QQ群
客服邮箱
回到顶部