电脑桌面
添加小米粒文库到电脑桌面
安装后可以在桌面快捷访问

设备开箱检验记录表VIP专享

设备开箱检验记录表_第1页
1/1
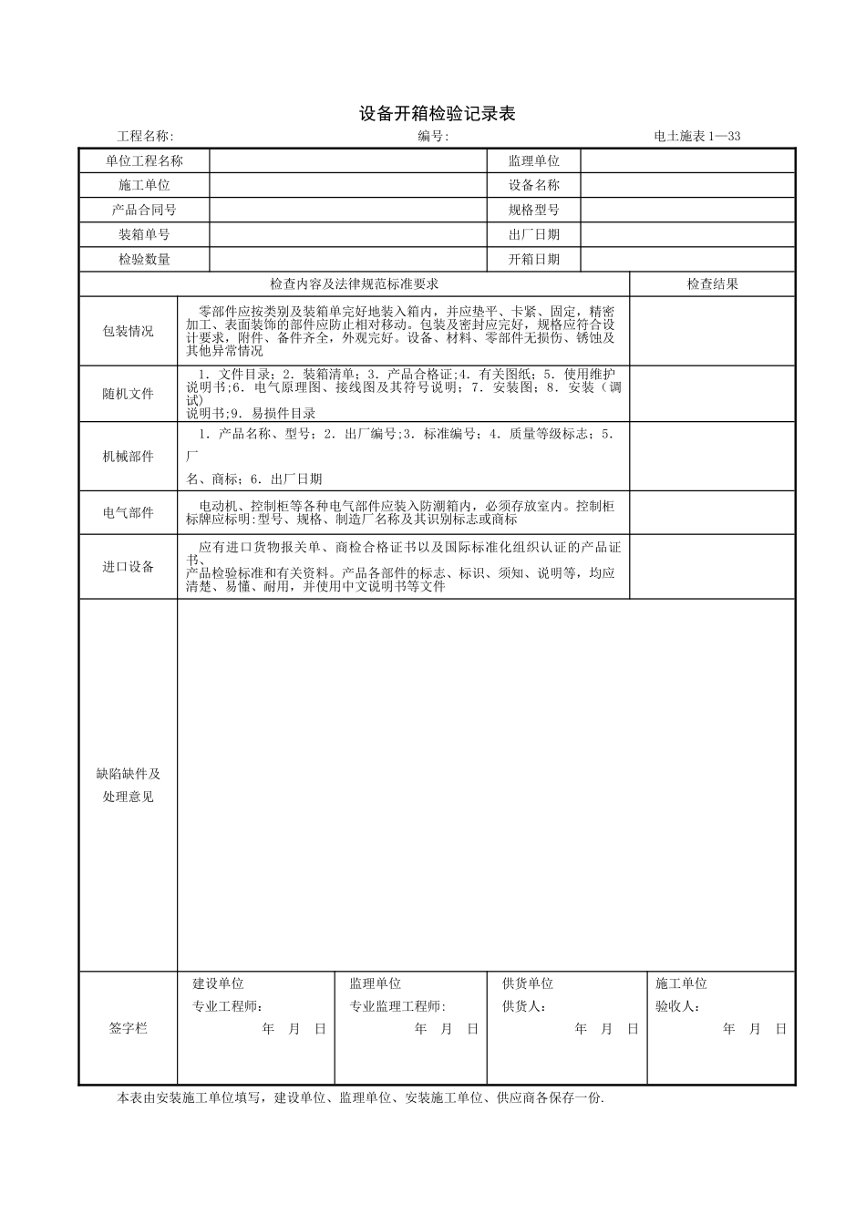
设备开箱检验记录表工程名称: 编号: 电土施表 1—33单位工程名称监理单位施工单位设备名称产品合同号规格型号装箱单号出厂日期检验数量开箱日期检查内容及法律规范标准要求检查结果包装情况 零部件应按类别及装箱单完好地装入箱内,并应垫平、卡紧、固定,精密加工、表面装饰的部件应防止相对移动。包装及密封应完好,规格应符合设计要求,附件、备件齐全,外观完好。设备、材料、零部件无损伤、锈蚀及其他异常情况随机文件 1.文件目录;2.装箱清单;3.产品合格证;4.有关图纸;5.使用维护说明书;6.电气原理图、接线图及其符号说明;7.安装图;8.安装(调试)说明书;9.易损件目录机械部件 1.产品名称、型号;2.出厂编号;3.标准编号;4.质量等级标志;5.厂名、商标;6.出厂日期电气部件 电动机、控制柜等各种电气部件应装入防潮箱内,必须存放室内。控制柜标牌应标明:型号、规格、制造厂名称及其识别标志或商标进口设备应有进口货物报关单、商检合格证书以及国际标准化组织认证的产品证书、产品检验标准和有关资料。产品各部件的标志、标识、须知、说明等,均应清楚、易懂、耐用,并使用中文说明书等文件缺陷缺件及处理意见签字栏 建设单位 专业工程师:年 月 日 监理单位专业监理工程师: 年 月 日 供货单位 供货人: 年 月 日施工单位验收人: 年 月 日本表由安装施工单位填写,建设单位、监理单位、安装施工单位、供应商各保存一份.

1、当您付费下载文档后,您只拥有了使用权限,并不意味着购买了版权,文档只能用于自身使用,不得用于其他商业用途(如 [转卖]进行直接盈利或[编辑后售卖]进行间接盈利)。
2、本站所有内容均由合作方或网友上传,本站不对文档的完整性、权威性及其观点立场正确性做任何保证或承诺!文档内容仅供研究参考,付费前请自行鉴别。
3、如文档内容存在违规,或者侵犯商业秘密、侵犯著作权等,请点击“违规举报”。

碎片内容

设备开箱检验记录表

确认删除?
VIP
微信客服
  • 扫码咨询
会员Q群
  • 会员专属群点击这里加入QQ群
客服邮箱
回到顶部