电脑桌面
添加小米粒文库到电脑桌面
安装后可以在桌面快捷访问

设备技术状态评定表

设备技术状态评定表_第1页
1/2
设备技术状态评定表_第2页
2/2
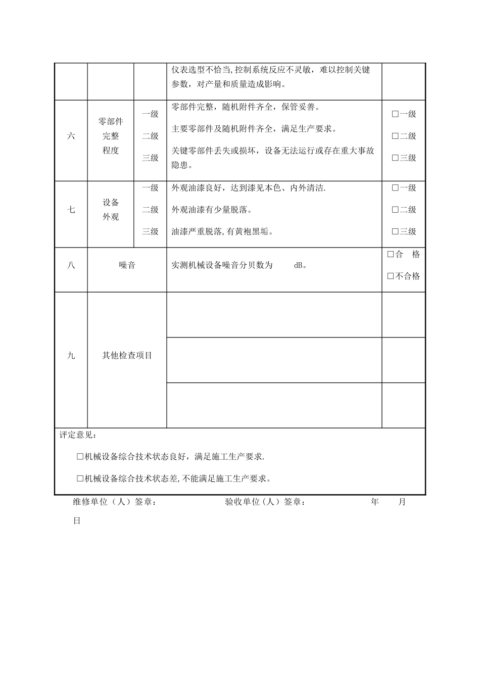
设备技术状态评定记录文件编号:NKMR-(GL—SB—02)-06 保存期限:5 年设备名称设备位号型号规格用途/去向维修单位验收单位序号检查项目等级检查内容评定等级一工 作 性 能一级二级三级各部传动正常,效率高,工作能力达到原设计要求.主要传动部分正常,工作能力能满足产品工艺要求.各部传动效率低,不能满足产品工艺要求。□一级□二级□三级二润 滑 冷 却 系 统 一级二级三级油路畅通,润滑、冷却装置齐全,不漏油、水(风、汽)。油路畅通,润滑、冷却装置齐全;有个别地方轻微漏油、水(风、汽),不影响设备正常运行。润滑及冷却装置缺陷,油路不畅,漏油、水(风、汽)处较多,设备难以运行或存在重大事故隐患.□一级□二级□三级三安全 装置一级二级三级安全装置完善,反应灵敏。安全装置完善,能达到使用要求,安全。能达到使用要求,不安全。□一级□二级□三级四电气装置一级二级三级电气装置系统齐全,性能灵敏,运行可靠,防爆、防尘、防水等级合适.电气装置系统齐全,满足基本生产和安全要求。电气装置缺损,运行不可靠,防爆、防尘、防水等级不满足生产条件,存在重大事故隐患。□一级□二级□三级五仪控装置一级二级三级仪表选型合适,适应运行工况,量程和精度满足生产需求,反应灵敏;控制系统灵敏准确,满足控制需求。仪控系统基本满足工艺需求,不影响产品产量和质量。□一级□二级□三级仪表选型不恰当,控制系统反应不灵敏,难以控制关键参数,对产量和质量造成影响。六零部件 完整 程度一级二级三级零部件完整,随机附件齐全,保管妥善。主要零部件及随机附件齐全,满足生产要求。关键零部件丢失或损坏,设备无法运行或存在重大事故隐患。□一级□二级□三级七设备 外观一级二级三级外观油漆良好,达到漆见本色、内外清洁.外观油漆有少量脱落。油漆严重脱落,有黄袍黑垢。□一级□二级□三级八噪音实测机械设备噪音分贝数为 dB。□合 格□不合格九其他检查项目评定意见:□机械设备综合技术状态良好,满足施工生产要求.□机械设备综合技术状态差,不能满足施工生产要求。维修单位(人)签章: 验收单位 (人)签章: 年 月 日

1、当您付费下载文档后,您只拥有了使用权限,并不意味着购买了版权,文档只能用于自身使用,不得用于其他商业用途(如 [转卖]进行直接盈利或[编辑后售卖]进行间接盈利)。
2、本站所有内容均由合作方或网友上传,本站不对文档的完整性、权威性及其观点立场正确性做任何保证或承诺!文档内容仅供研究参考,付费前请自行鉴别。
3、如文档内容存在违规,或者侵犯商业秘密、侵犯著作权等,请点击“违规举报”。

碎片内容

设备技术状态评定表

您可能关注的文档

办公文档专营+ 关注
实名认证
内容提供者

大量办公文档,欢迎选择

确认删除?
VIP
微信客服
  • 扫码咨询
会员Q群
  • 会员专属群点击这里加入QQ群
客服邮箱
回到顶部