电脑桌面
添加小米粒文库到电脑桌面
安装后可以在桌面快捷访问

设备拆除施工方案

设备拆除施工方案_第1页
1/8
设备拆除施工方案_第2页
2/8
设备拆除施工方案_第3页
3/8
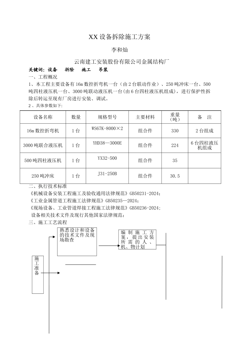
XX 设备拆除施工方案李和灿 云南建工安装股份有限公司金属结构厂 关键词:设备 拆除 施工 吊装一、工程概况1、本工程主要设备有 16m 数控折弯机一台(由 2 台联动作业)、250 吨冲床一台、500吨四柱液压机一台、3000 吨联动液压机一台(由 6 台四柱液压机组成),进行保护性拆除后转运至现有厂房进行安装、调试。2 、具体参数如下:设备名称数量规格型号主要材料重量(吨)备 注16m 数控折弯机1 台WS67K-8000×2组合件3302 台组成 3000 吨联合液压机1 台YHD38—3000E组合件2246 台四柱液压机组成500 吨四柱液压机1 台YX32-500组合件35250 吨冲床1 台J31-250B组合件30.5二、执行技术标准《机械设备安装工程施工及验收通用法律规范》GB50231-2024;《工业金属管道工程施工法律规范》GB50235—2024; 《现场设备、工业管道焊接工程施工法律规范》GB50236-2024;设备相关技术文件及现行其他国家法律规范;三、施工工艺流程熟悉设计和设备的技术文件及现场勘查施工准备编 制 施 工 方案 , 提 出 安 装所 需 的 人 、机、物计划设备转运及组装就位对土建完工的设备基础进行复查,放定位线并处理垫铁位置设备运转确认,部件标识、拆除四 、施工工艺4.1 施工准备1)施工前,应具备设计和设备的技术文件,施工人员应熟悉各类设备的结构,性能及安装要求,提出设备安装所需的材料,机具及劳动力计划。2)土建施工工程已经完工,基础混凝土强度达到安装要求,安装施施工场地点及附近的建筑材料、泥土、杂物等应清除洁净。3)拖运、起吊设备时,应对起吊机具及承力点进行换算,确保设备安全就位。4)绘制施工现场平面图,选定材料、构件存放场地、加工场地等; 水源点、电源搭接点进行确认;施工机具清点、检查是否完好等;4.2 设备状态确认所有设备拆解前,将设备通电空运转一次,检查设备运转是否有故障、异响,发现问题提出并记录,并由三方进行签字确认,以确保设备拆除前的性能得到完整体现。4。3 设备基础检查1)设备基础的位置,几何尺寸和质量要求,应符合现行国家标准《钢筋混凝土工程施工及验收法律规范》的规定,土建施工人员应提供设备基础验收资料和记录,设备安装人员对设备基础位置和几何尺寸进行复检2)设备基础上各孔洞应清理洁净,预埋地脚螺栓的螺丝和螺母应保护完好,放置垫铁的位置应凿平。4.4 设备放线就位和找正调平1)设备就位前,应按施工图和有关建筑物的轴线或边缘线及标高线划定安装的基程线,...

1、当您付费下载文档后,您只拥有了使用权限,并不意味着购买了版权,文档只能用于自身使用,不得用于其他商业用途(如 [转卖]进行直接盈利或[编辑后售卖]进行间接盈利)。
2、本站所有内容均由合作方或网友上传,本站不对文档的完整性、权威性及其观点立场正确性做任何保证或承诺!文档内容仅供研究参考,付费前请自行鉴别。
3、如文档内容存在违规,或者侵犯商业秘密、侵犯著作权等,请点击“违规举报”。

碎片内容

设备拆除施工方案

一帆文传+ 关注
实名认证
内容提供者

欢迎光临店铺,各类公文供您挑选。

确认删除?
VIP
微信客服
  • 扫码咨询
会员Q群
  • 会员专属群点击这里加入QQ群
客服邮箱
回到顶部