电脑桌面
添加小米粒文库到电脑桌面
安装后可以在桌面快捷访问

设备检维修方案

设备检维修方案_第1页
1/3
设备检维修方案_第2页
2/3
设备检维修方案_第3页
3/3
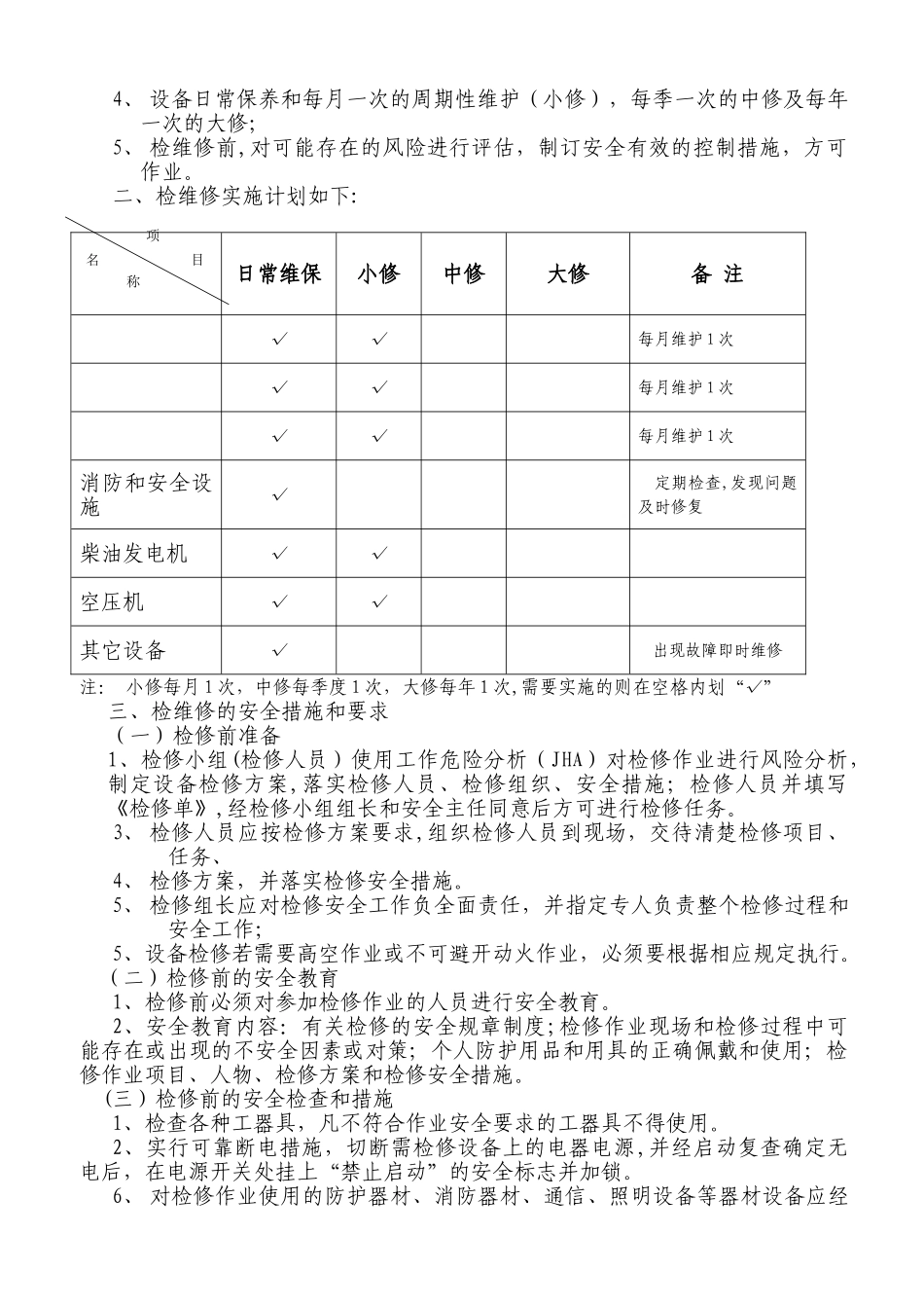
设备检维修方案为确保公司生产设备、消防和安全设施、电气线路和其它设施设备的安全运行,防止并减少因设备原因引起的各类事故,并配合安全标准化工作的建立、实施和保持,特制定 2024 年度设备检维修计划,具体如下:一、 检维修要求:(一)三辊机的检维修1、 常常检查三辊机油油量,按时打黄油;2、 开机前,操作人员检查冷却水进出水管及筒内管道是否畅通;3、 配电控制面板的不定时检查和操作规程的不定期督查;4、 机械装置的日常保养和每月 1 次的周期性维护;5、 检维修前,对可能存在的风险进行评估,制订安全有效的控制措施,方可作业。(二)砂磨机的检维修1、 常常检查砂磨机油油量及油管密封状况;2、 开机前,操作人员检查进出料管道是否畅通,有无渗漏,调速器是否正常,发现故障及时维修;3、 配电控制面板的不定时检查和操作规程的不定期督查;4、 机械装置的日常保养和每月 1 次的周期性维护;5、 检维修前,对可能存在的风险进行评估,制订安全有效的控制措施,方可作业.(三)分散机的检维修1、 常常检查设备机油量及油管密封状况;2、 开机前,操作人员检查螺杆黄油及搅拌轴升降、链接情况;3、 配电控制面板的不定时检查和操作规程的不定期督查;4、 机械装置的日常保养和每月 1 次的周期性维护(带液压升降的维护保养每10 天 1 次);5、 检维修前,对可能存在的风险进行评估,制订安全有效的控制措施,方可作业。(四)消防和安全设施的检维修1、 消防水泵每月进行抽水试泵;2、 每月检查消防栓阀门、水带、喷枪是否完好有效;3、 检查消防设施的配电、用电的正常状况;4、 每月检查泡沫缸、发生器、可燃气体装置的完好情况.(五)柴油发电机的检维修1、检查油量、油管及油管的密封状况;2、每周进行试机发电一次,确保设备运行正常;3、检查冷却水的进出管道是否正常;4、设备日常保养和每月一次的周期性维护(小修),每季一次的中修及每年一次的大修;5、发现故障及时处理,确保设备运行安全;6、检维修前,对可能存在的风险进行评估,制订安全有效的控制措施,方可作业。(六)空压机的检维修1、 检查油量、压力表、安全阀等是否正常完好;2、 检查储气罐空气压力是否正常;3、 检查机体有无漏油,废水排放管道有无破损、渗漏现象;4、 设备日常保养和每月一次的周期性维护(小修),每季一次的中修及每年一次的大修;5、 检维修前,对可能存在的风险进行评估,制订安全有效的控制措施,方可作业。 二、检...

1、当您付费下载文档后,您只拥有了使用权限,并不意味着购买了版权,文档只能用于自身使用,不得用于其他商业用途(如 [转卖]进行直接盈利或[编辑后售卖]进行间接盈利)。
2、本站所有内容均由合作方或网友上传,本站不对文档的完整性、权威性及其观点立场正确性做任何保证或承诺!文档内容仅供研究参考,付费前请自行鉴别。
3、如文档内容存在违规,或者侵犯商业秘密、侵犯著作权等,请点击“违规举报”。

碎片内容

设备检维修方案

您可能关注的文档

确认删除?
VIP
微信客服
  • 扫码咨询
会员Q群
  • 会员专属群点击这里加入QQ群
客服邮箱
回到顶部