电脑桌面
添加小米粒文库到电脑桌面
安装后可以在桌面快捷访问

10kV开关柜安装工程施工组织设计方案

10kV开关柜安装工程施工组织设计方案_第1页
1/14
10kV开关柜安装工程施工组织设计方案_第2页
2/14
10kV开关柜安装工程施工组织设计方案_第3页
3/14
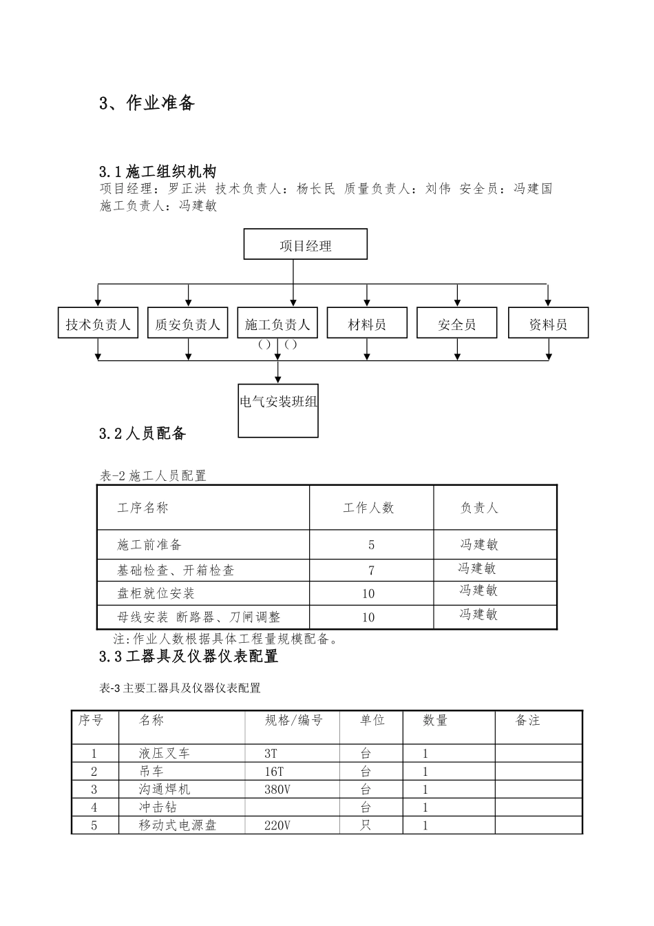
高压开关柜安装施工方案1、 编写依据1、国家电网公司关于进一步提高工程建设安全质量和工艺水平的决定国家电网基建〔2024〕1515号2、国家电网公司基建质量管理规定(基建/2)112-20243、国家电网公司输变电工程优质工程评定管理办法国网(基建/3)182-20244、国家电网公司输变电工程验收管理办法国网(基建/3)188-20245、国家电网公司输变电工程标准工艺管理办法国网(基建/3)186-2024 6、国家电网公司输变电工程流动红旗竞赛管理办法国网(基建/3)189-20247、关于深化标准工艺讨论与应用工作的重点措施和关于创优工作的重点措施基建质量〔2024〕20号8、国家电网公司输变电工程质量通病防治工作要求及技术措施基建质量〔2024〕19号9、关于应用《国家电网公司输变电工程施工工艺示范》光盘的通知基建质量〔2024〕290号10、电气装置安装工程质量检验及评定规程DL/TT5161.1-5161.17-202411、接地装置冲击特性参数测试导则DL/T 266-202412、国家电网公司输变电工程施工安全风险识别、评估及预控措施管理办法2、工程概况10kV 部分: 1、主变进线开关柜二面,电容器出线开关柜八面,站用变出线开关柜二面,PT开关柜二面,出线柜八面,分段柜三面。采纳单母线分段接线。 2 、10KV 并联补偿电容器组 2×(4×10008)KVar。,分别接于 10kV Ⅱ、Ⅲ段母线上,每段母线 4 组,本期上两组 站用变两台,分别接于 10kV Ⅱ、Ⅲ段母线上。3、作业准备3.1 施工组织机构项目经理:罗正洪 技术负责人:杨长民 质量负责人:刘伟 安全员:冯建国 施工负责人:冯建敏3.2 人员配备表-2 施工人员配置工序名称 工作人数 负责人施工前准备 5 冯建敏基础检查、开箱检查 7 冯建敏盘柜就位安装 10 冯建敏母线安装 断路器、刀闸调整 10 冯建敏注:作业人数根据具体工程量规模配备。3.3 工器具及仪器仪表配置 表-3 主要工器具及仪器仪表配置序号名称规格/编号单位数量备注1液压叉车3T台12吊车16T台13沟通焊机380V台14冲击钻台15移动式电源盘220V只1项目经理施工负责人()()质安负责人技术负责人安全员材料员电气安装班组资料员序号名称规格/编号单位数量备注6经纬仪台17套筒扳手套18力矩扳手把29棘轮扳手把210吊带8m对211钢卷尺50m把112短木方5cm 厚根若干临时支垫13短木方10cm 厚根若干临时支垫14螺丝刀一字把215螺丝刀十字把216锉刀圆形把117锉刀扁形把118撬杠根419手锤2 磅把120垫铁1mm片若干21垫铁2mm片若干22垫铁3mm片若干23吸尘器...

1、当您付费下载文档后,您只拥有了使用权限,并不意味着购买了版权,文档只能用于自身使用,不得用于其他商业用途(如 [转卖]进行直接盈利或[编辑后售卖]进行间接盈利)。
2、本站所有内容均由合作方或网友上传,本站不对文档的完整性、权威性及其观点立场正确性做任何保证或承诺!文档内容仅供研究参考,付费前请自行鉴别。
3、如文档内容存在违规,或者侵犯商业秘密、侵犯著作权等,请点击“违规举报”。

碎片内容

10kV开关柜安装工程施工组织设计方案

确认删除?
VIP
微信客服
  • 扫码咨询
会员Q群
  • 会员专属群点击这里加入QQ群
客服邮箱
回到顶部