电脑桌面
添加小米粒文库到电脑桌面
安装后可以在桌面快捷访问

25米预应力混凝土箱梁张拉计算

25米预应力混凝土箱梁张拉计算_第1页
1/11
25米预应力混凝土箱梁张拉计算_第2页
2/11
25米预应力混凝土箱梁张拉计算_第3页
3/11
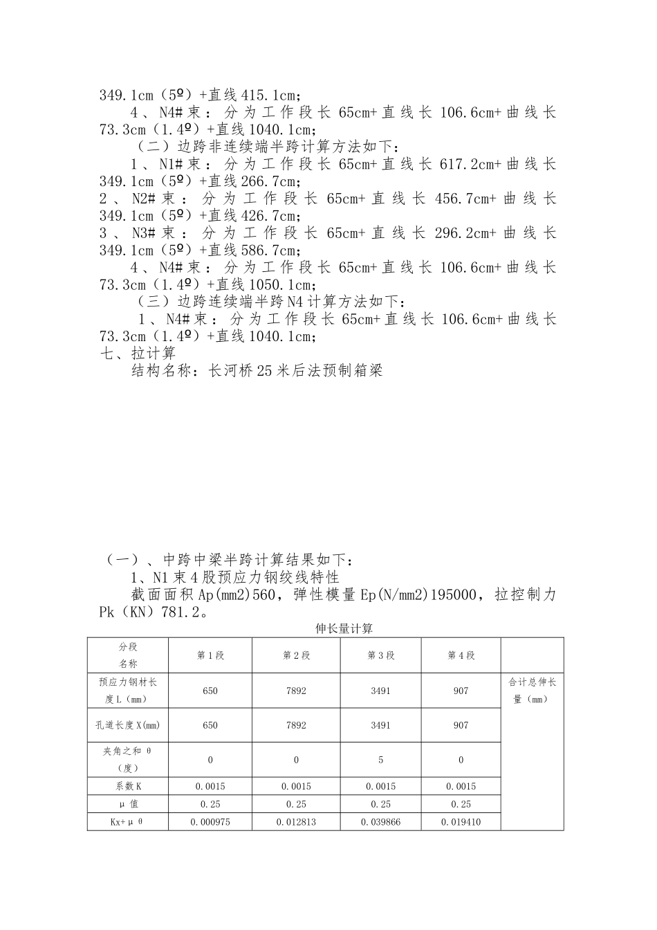
四、拉设备与检验1、拉设备的选用设备能力计算:3 束:P=1860*0.75*140*3/1000=585.9KN4 束:P=1860*0.75*140*4/1000=781.2KN5 束:P=1860*0.75*140*5/1000=976.5KN拉采纳两端对称拉,选用两个 YDC1500 型穿心液压千斤顶,其拉力 150T。压力表的选用:压力表选用最大读数为 60MPa,千斤顶同油压表的关系必须经省级计量单位标定。2、在下述情况下,应对油表、千斤顶进行配套校验。油泵、千斤顶、油表之中有一件是进场后修复过,第一次使用的;使用超过六个月或连续拉 200 次以上的;在运输和拉操作中出现异常时。五、拉有关数量值计算拉时应两端同时对称拉,拉控制以拉力为主,伸长值为校核控制,实际伸长值与理论伸长值控制在±6%以。锚下控制应力计算:σcon=1860mpa*0.75=1395mpa。预应力钢绞线拉理论伸长量计算公式:ΔL=(PpL)/(ApEp)……………………(1)式中:Pp――预应力筋的平均拉力(N);当预应力筋为直线时 Pp=P;L――预应力筋的长度(mm);Ap――预应力筋的截面面积(mm2);本工程采纳每根 Ap=140mm2;Ep――预应力筋的弹性模量(N/mm2);本工程采纳 Ep=197444mpa。预应力筋平均拉应力按下式计算: Pp=P(1-e-(kx+μθ))/(kx+μθ)………(2)式中:Pp――预应力筋平均拉力(N);P――预应力筋拉端的拉力(N);x――从拉端至计算截面的孔道长度(m);θ――从拉端至计算截面曲线孔道部分切线的夹角之和(rad);k――孔道每米局部偏差对摩擦的影响系数;由于本工程采纳的是预埋金属螺旋管道,故采纳 0.0015;μ――预应力筋与孔道壁的摩擦系数;本工程采纳 0.25。六、拉伸长量计算:(一)中跨半跨计算方法如下:1 、 N1# 束 : 分 为 工 作 段 长 65cm+ 直 线 长 789.2cm+ 曲 线 长349.1cm(5º)+直线 90.7cm;2 、 N2# 束 : 分 为 工 作 段 长 65cm+ 直 线 长 628.5cm+ 曲 线 长349.1cm(5º)+直线 252.9cm;3 、 N3# 束 : 分 为 工 作 段 长 65cm+ 直 线 长 467.8cm+ 曲 线 长349.1cm(5º)+直线 415.1cm;4 、 N4# 束 : 分 为 工 作 段 长 65cm+ 直 线 长 106.6cm+ 曲 线 长73.3cm(1.4º)+直线 1040.1cm;(二)边跨非连续端半跨计算方法如下:1 、 N1# 束 : 分 为 工 作 段 长 65cm+ 直 线 长 617.2cm+ 曲 线 长349.1cm(5º)+直线 266.7cm;2 、 N2# 束 : 分 为 工 作...

1、当您付费下载文档后,您只拥有了使用权限,并不意味着购买了版权,文档只能用于自身使用,不得用于其他商业用途(如 [转卖]进行直接盈利或[编辑后售卖]进行间接盈利)。
2、本站所有内容均由合作方或网友上传,本站不对文档的完整性、权威性及其观点立场正确性做任何保证或承诺!文档内容仅供研究参考,付费前请自行鉴别。
3、如文档内容存在违规,或者侵犯商业秘密、侵犯著作权等,请点击“违规举报”。

碎片内容

25米预应力混凝土箱梁张拉计算

您可能关注的文档

一帆文传+ 关注
实名认证
内容提供者

欢迎光临店铺,各类公文供您挑选。

确认删除?
VIP
微信客服
  • 扫码咨询
会员Q群
  • 会员专属群点击这里加入QQ群
客服邮箱
回到顶部