电脑桌面
添加小米粒文库到电脑桌面
安装后可以在桌面快捷访问

LLC谐振全桥DCDC变换器设计修改

LLC谐振全桥DCDC变换器设计修改_第1页
1/11
LLC谐振全桥DCDC变换器设计修改_第2页
2/11
LLC谐振全桥DCDC变换器设计修改_第3页
3/11
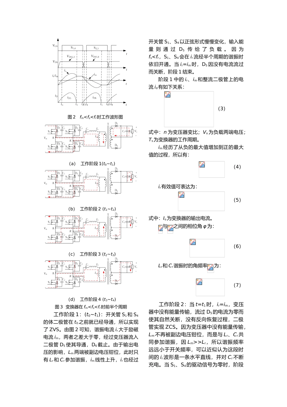
LLC 谐振全桥 DC/DC 变换器设计摘 要:电力电子变压器(PET)作为一种新型变压器除了拥有传统变压器的功能外,还具备解决传统变压器价格高、体积庞大、空载损耗严重、控制不灵活等问题的能力,值得深化讨论。PET 的 DC-DC 变换器是影响工作效率和装置体积重量的重要部分,本文以 PET 中 DC-DC 变换器为主要讨论对象,根据给出的指标,对全桥 LLC 谐振变换器的主电路进行了详细的设计,主要有谐振参数的设计,利用磁集成思想,设计磁集成变压器,可以大大减小变换器的体积和重量,并在参数设计的基础上完成器件的选型。此外,根据给出的参数,计算出各部分损耗,进而计算出效率,结果满足设计效率的要求。利用 PEmag 和 Maxwell 仿真软件设计磁集成变压器,验证磁集成变压器参数。运用 Matlab/simulink 对 PET 中的DC-DC 变换器模型进行仿真分析,并在实验样机上进行实验讨论,实验结果验证了 DC-DC 变换器的理论讨论和设计方法的正确性与有效性。关键词:电力电子变压器;LLC 谐振变换器;损耗分析;磁集成变压器中图分类号:TD62 文献标识码:A 文章编号:Design of LLC resonant full bridge DC / DC converter Abstract: The Power Electronic Transformer (PET) as a new power transformer,not only has the functions of traditional transformers, but also has the ability to solve the problems of traditional power transformers that the high price, huge volume, prodigious no-load loss and inflexible control, andit is worth in-depth study.The DC-DC converter of PET is an important part of affecting work efficiency, volume and weight of the device. This paper studies the DC-DC converter mainly, then,according to given indexes, main circuit of full-bridge LLC resonant converter is designed in detail, including the design of resonant parameters. And the magnetic integrated transformer is designed with the idea of magnetic integration, which greatly reduces the converter volume, and the selection of devices is completed on the basis of parameters design.In addition, according to the given parame...

1、当您付费下载文档后,您只拥有了使用权限,并不意味着购买了版权,文档只能用于自身使用,不得用于其他商业用途(如 [转卖]进行直接盈利或[编辑后售卖]进行间接盈利)。
2、本站所有内容均由合作方或网友上传,本站不对文档的完整性、权威性及其观点立场正确性做任何保证或承诺!文档内容仅供研究参考,付费前请自行鉴别。
3、如文档内容存在违规,或者侵犯商业秘密、侵犯著作权等,请点击“违规举报”。

碎片内容

LLC谐振全桥DCDC变换器设计修改

您可能关注的文档

确认删除?
VIP
微信客服
  • 扫码咨询
会员Q群
  • 会员专属群点击这里加入QQ群
客服邮箱
回到顶部