电脑桌面
添加小米粒文库到电脑桌面
安装后可以在桌面快捷访问

众联塑料土工格及其技术指标

众联塑料土工格及其技术指标_第1页
1/6
众联塑料土工格及其技术指标_第2页
2/6
众联塑料土工格及其技术指标_第3页
3/6
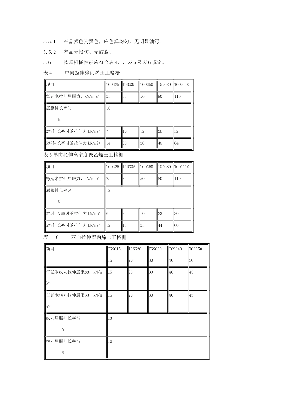
众联塑料土工格栅及各种土工格栅的技术指标土工合成材料国家标准土工合成材料塑料土工格栅1 范围 本标准规定了以聚丙烯(PP)、高密度聚乙烯(HDPE)或其它高分子聚合物为主要原料加入抗紫外线助剂,经挤出、拉伸成型的塑料土工格栅的范围、定义、命名、技术要求、试验方法、检验规则和产品标志及运输、贮存。 本标准不适用于塑料土工网。众联 0534-8296096 王经理 2、性引用标准 下列标准所包括的条文,通过在本标准中引用而构成为本标准的条文。本标准出版时,所示版本均为有效。所有标准都会被修订,使用本标准的各方应探讨使用下列标准最新版本的可能性。 GB/T2918-1998 塑料试样状态调节和试验的标准环境 GB/T1040-1992 塑料拉伸性能试验方法 GB/T13762-1992 土工布单位面积质量的测定方法3 定义 本标准采纳下列定义 每延米拉伸屈服力 单位宽度土工格栅在外力作用下拉伸屈服力,以 kN/m 表示。4 命名4.1 产品按拉伸方向分类4.1.1 单向拉伸塑料土工格栅,代号为 TGDG。4.1.2 双向拉伸塑料土工格栅,代号为 TGSG。4.2 产品形状见图 1 和图 2。 4.3 命名4.3.1 产品命名 产品命名示例: 每延米极限拉力 25kN 的聚丙烯单向拉伸塑料土工格栅,表示为: TGDG25PP/GB/T17689-1999 每延米纵向屈服拉力为 15kN、横向极限拉力均为 20kNd 的聚丙烯双向拉伸塑料土工格栅,表示为:TGSG15-20 PP/GB/T17689-19995 技术要求产品规格系列与尺寸及偏差5.1 产品规格 产品规格系列见表 1。 表 1单向拉伸塑料土工格栅TGDG25TGDG35TGDG50TGDG80TGDG110双向拉伸塑料土工格栅TGSG15-15TGSG20-20TGSG30-30TGSG40-40TGSG50-505.2 单向塑料土工格栅尺寸及偏差应符合表 2 规定表 2项目TGDG25TGDG35TGDG50 TGDG80TGDG110单位面积质量g/㎡370±50450±50550±50700±501100±50宽度,m1.00+0.202.00+0.205.3 双向塑料土工格栅尺寸及偏差应符合表 3 规定表 3项目TGSG15-15 TGSG20-20TGSG30-30TGSG40-40TGSG50-50单位面积质量g/㎡±±±±±宽度,m4.00+0.205.4 塑料土工格栅特别规格可由供需双方商定。5.5 颜色及外观质量5.5.1 产品颜色为黑色,应色泽均匀,无明显油污。5.5.2 产品无损伤、无破裂。 5.6 物理机械性能应符合表 4、、表 5 及表 6 规定。表 4 单向拉伸聚丙烯土工格栅项目TGDG25 TGDG35TGDG50TGDG80 TGDG110每延米拉伸屈服力,kN/m ≥25355080110屈服伸长率% ≤102%伸长率时的...

1、当您付费下载文档后,您只拥有了使用权限,并不意味着购买了版权,文档只能用于自身使用,不得用于其他商业用途(如 [转卖]进行直接盈利或[编辑后售卖]进行间接盈利)。
2、本站所有内容均由合作方或网友上传,本站不对文档的完整性、权威性及其观点立场正确性做任何保证或承诺!文档内容仅供研究参考,付费前请自行鉴别。
3、如文档内容存在违规,或者侵犯商业秘密、侵犯著作权等,请点击“违规举报”。

碎片内容

众联塑料土工格及其技术指标

一帆文传+ 关注
实名认证
内容提供者

欢迎光临店铺,各类公文供您挑选。

确认删除?
VIP
微信客服
  • 扫码咨询
会员Q群
  • 会员专属群点击这里加入QQ群
客服邮箱
回到顶部