电脑桌面
添加小米粒文库到电脑桌面
安装后可以在桌面快捷访问

住宅工程质量分户验收记录表培训资料全

住宅工程质量分户验收记录表培训资料全_第1页
1/31
住宅工程质量分户验收记录表培训资料全_第2页
2/31
住宅工程质量分户验收记录表培训资料全_第3页
3/31
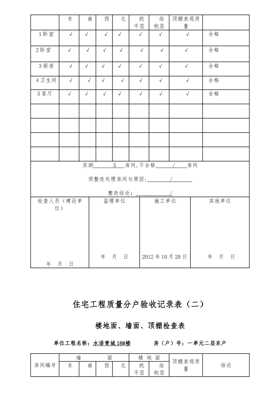
住宅工程质量分户验收记录表(二)楼地面、墙面、顶棚检查表单位工程名称:水语青城 18# 楼 房(户)号:一单元一层东户房间编号墙 面楼 地 面顶棚表观质量结论东南西北找平层结构层 1 卧室 √√ √√ √ √ √ 合格2 卧室 √√√√√√√合格 3 厨房 √√ √ √ √ √ √ 合格 4 卫生间 √ √√ √ √ √ √ 合格5 客厅√√ √√ √ √ √ 合格 实测 5 房间,不合格 / 房间须整改处理房间与原因: / 整改结论: / 检查人员(建设单位) 年 月 日监理单位 年 月 日施工单位 2012 年 10 月 20 日其他单位 年 月 日住宅工程质量分户验收记录表(二)楼地面、墙面、顶棚检查表单位工程名称:水语青城 18# 楼 房(户)号:一单元一层中户房间编号墙 面楼 地 面顶棚表观质量结论东南西北找平层结构层 1 卧室 √√ √√ √ √ √ 合格2 卧室 √√√√√√√合格 3 厨房 √√ √ √ √ √ √ 合格 4 卫生间 √ √√ √ √ √ √ 合格5 客厅√√ √√ √ √ √ 合格 实测 5 房间,不合格 / 房间须整改处理房间与原因: / 整改结论: / 检查人员(建设单位) 年 月 日监理单位 年 月 日施工单位 2012 年 10 月 20 日其他单位 年 月 日住宅工程质量分户验收记录表(二)楼地面、墙面、顶棚检查表单位工程名称:水语青城 18# 楼 房(户)号:一单元一层西户 房间编号墙 面楼 地 面结论顶棚表观质量东南西北找平层结构层 1 卧室 √√ √√ √ √ √ 合格2 卧室 √√√√√√√合格 3 厨房 √√ √ √ √ √ √ 合格 4 卫生间 √ √√ √ √ √ √ 合格5 客厅√√ √√ √ √ √ 合格 实测 5 房间,不合格 / 房间须整改处理房间与原因: / 整改结论: / 检查人员(建设单位) 年 月 日监理单位 年 月 日施工单位 2012 年 10 月 20 日其他单位 年 月 日住宅工程质量分户验收记录表(二)楼地面、墙面、顶棚检查表单位工程名称:水语青城 18# 楼 房(户)号:一单元二层东户房间编号墙 面楼 地 面顶棚表观质量结论东南西北找平层结构层 1 卧室 √√ √√ √ √ √ 合格2 卧室 √√√√√√√合格 3 厨房 √√ √ √ √ √ √ 合格 4 卫生间 √ √√ √ √ √ √ 合格5 客厅√√ √√ √ √ √ 合格 实测 5 房间,不合...

1、当您付费下载文档后,您只拥有了使用权限,并不意味着购买了版权,文档只能用于自身使用,不得用于其他商业用途(如 [转卖]进行直接盈利或[编辑后售卖]进行间接盈利)。
2、本站所有内容均由合作方或网友上传,本站不对文档的完整性、权威性及其观点立场正确性做任何保证或承诺!文档内容仅供研究参考,付费前请自行鉴别。
3、如文档内容存在违规,或者侵犯商业秘密、侵犯著作权等,请点击“违规举报”。

碎片内容

住宅工程质量分户验收记录表培训资料全

一帆文传+ 关注
实名认证
内容提供者

欢迎光临店铺,各类公文供您挑选。

确认删除?
VIP
微信客服
  • 扫码咨询
会员Q群
  • 会员专属群点击这里加入QQ群
客服邮箱
回到顶部