电脑桌面
添加小米粒文库到电脑桌面
安装后可以在桌面快捷访问

供应商供方履约评价表参考模板资料全

供应商供方履约评价表参考模板资料全_第1页
1/10
供应商供方履约评价表参考模板资料全_第2页
2/10
供应商供方履约评价表参考模板资料全_第3页
3/10
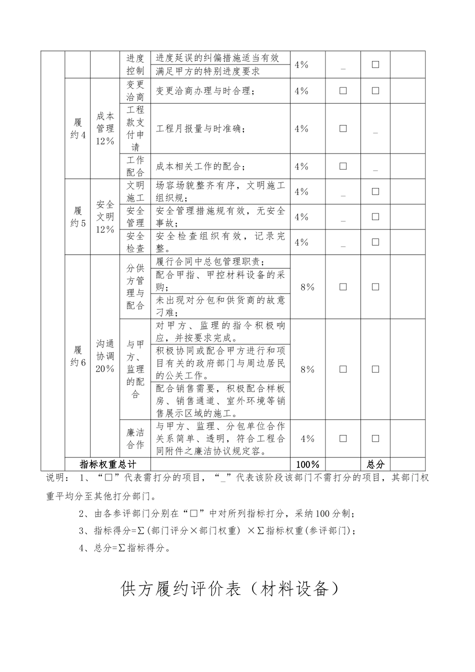
供方履约评价表(工程施工类)项目名称供方名称服务项目合同名称合同编号合同金额合同签订时间合同生效时间合同终止时间供方负责人与联系评估时间阶段序号指标类别评估指标指标权重部门权重总权重20%80%100%成本工程得分履约评估履约 1部管理10%组织结构项目经理到位良好,岗位设置合理;4%□□管理人员数量和资质满足合同与标段阶段性要求;现场施工人员数量符合合同要求;制度体系施工组织设计和施工方案翔实有效;6%□□交底制度、样板制度、过程管理制度规;成品保护、过程监督与整改制度规;履约 2质量管理26%工程质量工程实体的施工质量16%_□成品保护进场与已安装的材料、设备、部品保护,施工人员教育。4%_□质量整改质量整改工作态度和质量6%_□质量整改与时性工程质量入住保修状况履约 3进度管理20%进度计划施工进度计划编制详细4%_□施工进度计划安排合理施工进度计划报送与时计划执行实际进度与计划的符合程度12%_□进度控制进度延误的纠偏措施适当有效4%_□满足甲方的特别进度要求履约 4成本管理12%变更洽商变更洽商办理与时合理;4%□□工程款支付申请工程月报量与时准确;4%□_工作配合成本相关工作的配合;4%□_履约 5安全文明12%文明施工场容场貌整齐有序,文明施工组织规;4%_□安全管理安全管理措施规有效,无安全事故;4%_□安全检查安全检查组织有效,记录完整。4%_□履约 6沟通协调20%分供方管理与配合履行合同中总包管理职责;8%□□配合甲指、甲控材料设备的采购;未出现对分包和供货商的故意刁难;与甲方、监理的配合对甲方、监理的指令积极响应,并按要求完成。8%□□积极协同或配合甲方进行和项目有关的政府部门与周边居民的公关工作。配合销售需要,积极配合样板房、销售通道、室外环境等销售展示区域的施工。廉洁合作与甲方、监理、分包单位合作关系简单、透明,符合工程合同附件之廉洁协议规定容。4%□□指标权重总计100%总分说明: 1、“□”代表需打分的项目,“_”代表该阶段该部门不需打分的项目,其部门权重平均分至其他打分部门。2、由各参评部门分别在“□”中对所列指标打分,采纳 100 分制;3、指标得分=∑(部门评分×部门权重) ×∑指标权重(参评部门);4、总分=∑指标得分。供方履约评价表(材料设备)工程名称供方名称评估日期评估分述容:产品质量、准时交货、订单变更接受、投诉灵敏度、共同改进、沟通、合作态度、配合验收等。1、产品质量:□很好 □较好 □...

1、当您付费下载文档后,您只拥有了使用权限,并不意味着购买了版权,文档只能用于自身使用,不得用于其他商业用途(如 [转卖]进行直接盈利或[编辑后售卖]进行间接盈利)。
2、本站所有内容均由合作方或网友上传,本站不对文档的完整性、权威性及其观点立场正确性做任何保证或承诺!文档内容仅供研究参考,付费前请自行鉴别。
3、如文档内容存在违规,或者侵犯商业秘密、侵犯著作权等,请点击“违规举报”。

碎片内容

供应商供方履约评价表参考模板资料全

您可能关注的文档

确认删除?
VIP
微信客服
  • 扫码咨询
会员Q群
  • 会员专属群点击这里加入QQ群
客服邮箱
回到顶部