电脑桌面
添加小米粒文库到电脑桌面
安装后可以在桌面快捷访问

内外墙装饰工程施工方案

内外墙装饰工程施工方案_第1页
1/12
内外墙装饰工程施工方案_第2页
2/12
内外墙装饰工程施工方案_第3页
3/12
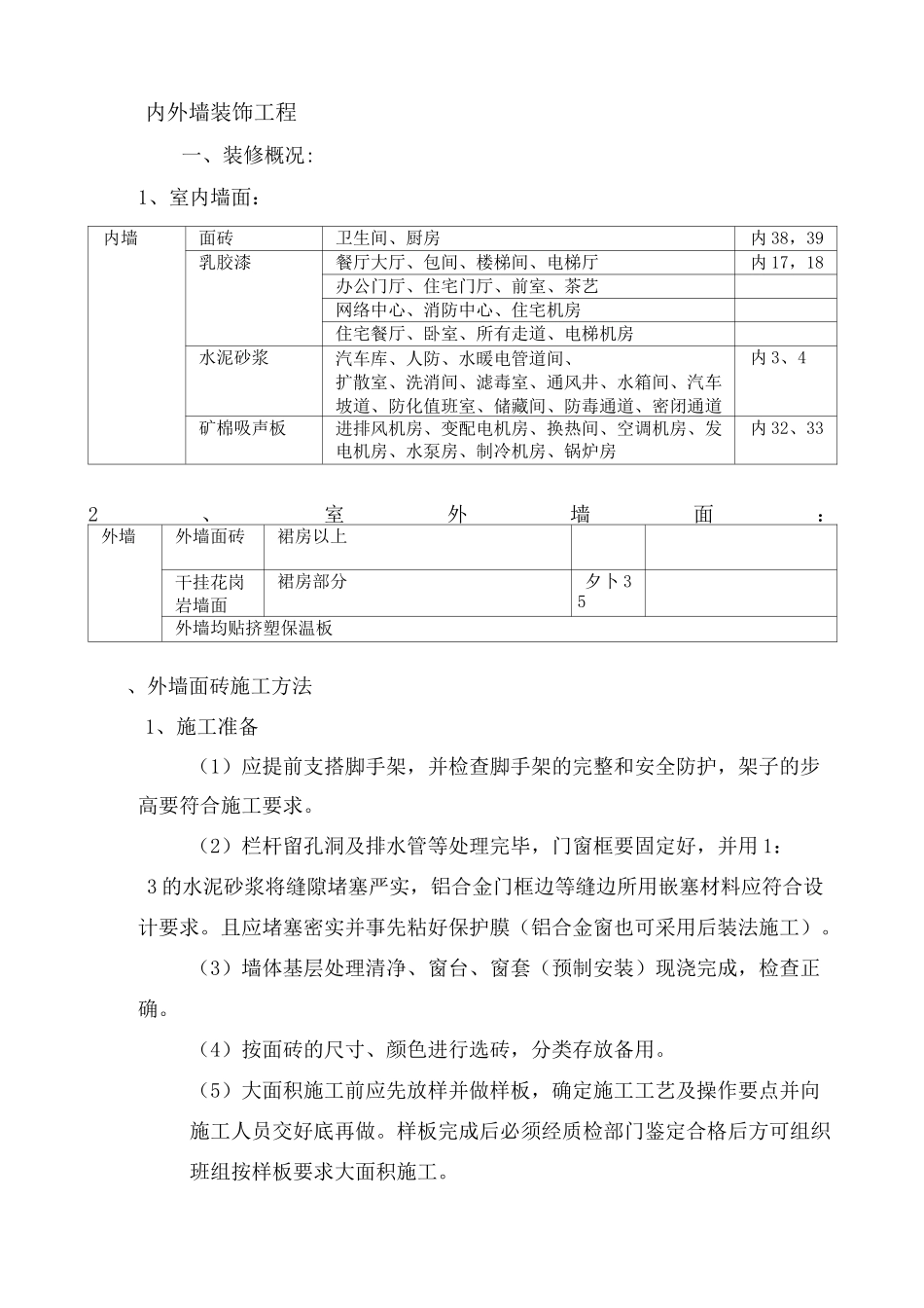
内外墙装饰工程一、装修概况:1、室内墙面:内墙面砖卫生间、厨房内 38,39乳胶漆餐厅大厅、包间、楼梯间、电梯厅内 17,18办公门厅、住宅门厅、前室、茶艺网络中心、消防中心、住宅机房住宅餐厅、卧室、所有走道、电梯机房水泥砂浆汽车库、人防、水暖电管道间、扩散室、洗消间、滤毒室、通风井、水箱间、汽车坡道、防化值班室、储藏间、防毒通道、密闭通道内 3、4矿棉吸声板进排风机房、变配电机房、换热间、空调机房、发电机房、水泵房、制冷机房、锅炉房内 32、332、室外墙面:外墙外墙面砖裙房以上干挂花岗岩墙面裙房部分夕卜 35外墙均贴挤塑保温板、外墙面砖施工方法1、施工准备(1)应提前支搭脚手架,并检查脚手架的完整和安全防护,架子的步高要符合施工要求。(2)栏杆留孔洞及排水管等处理完毕,门窗框要固定好,并用 1:3 的水泥砂浆将缝隙堵塞严实,铝合金门框边等缝边所用嵌塞材料应符合设计要求。且应堵塞密实并事先粘好保护膜(铝合金窗也可采用后装法施工)。(3)墙体基层处理清净、窗台、窗套(预制安装)现浇完成,检查正确。(4)按面砖的尺寸、颜色进行选砖,分类存放备用。(5)大面积施工前应先放样并做样板,确定施工工艺及操作要点并向施工人员交好底再做。样板完成后必须经质检部门鉴定合格后方可组织班组按样板要求大面积施工。2、施工方法(1)基层处理:首先将凸出的墙面的混凝土剔平,对钢模施工的混凝土墙面进行界面处理。(2)吊垂直、套方、找规矩:应在四周大角和门窗口边用经纬仪打垂直线找直,可从顶层开始用特殊的大线锤,绷铁丝吊垂直,然后根据面砖的规格分层设点,做板饼,横线则从楼层为水平基线交圈,竖向线则以四周大角和通天柱、垛子为基线控制,应全部是整砖,每层打底时则以灰饼作为基准点进行冲筋,使其底层灰做到横平竖直。窗台、窗套按照确定基线留置窗套、窗台。欧式窗套、窗台采用定型套模或预制安装。(3)抹底层砂浆:先刮刷一道界面剂,紧跟着分层分遍抹底层砂浆(1:3 水泥砂浆),第一遍厚度宜为 5mm,抹后用扫帚扫毛,待第一遍六至七成干时,即可抹第二遍,厚度为 8-1.2mm,随即用铝合金直尺刮平,木抹搓平搓毛,终凝后浇水养护。(4)弹分格线:待基层灰六至七成干时即可按图纸要求进行分段分格弹线,同时进行面层贴标准点的工作。以控制面层出墙尺寸及垂直、平整。(5)根据大样图及墙面尺寸进行横竖排砖,以保证面砖缝隙均匀,符合设计图纸,大面、垛子(或柱子)排整砖。非整...

1、当您付费下载文档后,您只拥有了使用权限,并不意味着购买了版权,文档只能用于自身使用,不得用于其他商业用途(如 [转卖]进行直接盈利或[编辑后售卖]进行间接盈利)。
2、本站所有内容均由合作方或网友上传,本站不对文档的完整性、权威性及其观点立场正确性做任何保证或承诺!文档内容仅供研究参考,付费前请自行鉴别。
3、如文档内容存在违规,或者侵犯商业秘密、侵犯著作权等,请点击“违规举报”。

碎片内容

内外墙装饰工程施工方案

您可能关注的文档

确认删除?
VIP
微信客服
  • 扫码咨询
会员Q群
  • 会员专属群点击这里加入QQ群
客服邮箱
回到顶部