电脑桌面
添加小米粒文库到电脑桌面
安装后可以在桌面快捷访问

公共设施车间地基与主体细则

公共设施车间地基与主体细则_第1页
1/77
公共设施车间地基与主体细则_第2页
2/77
公共设施车间地基与主体细则_第3页
3/77
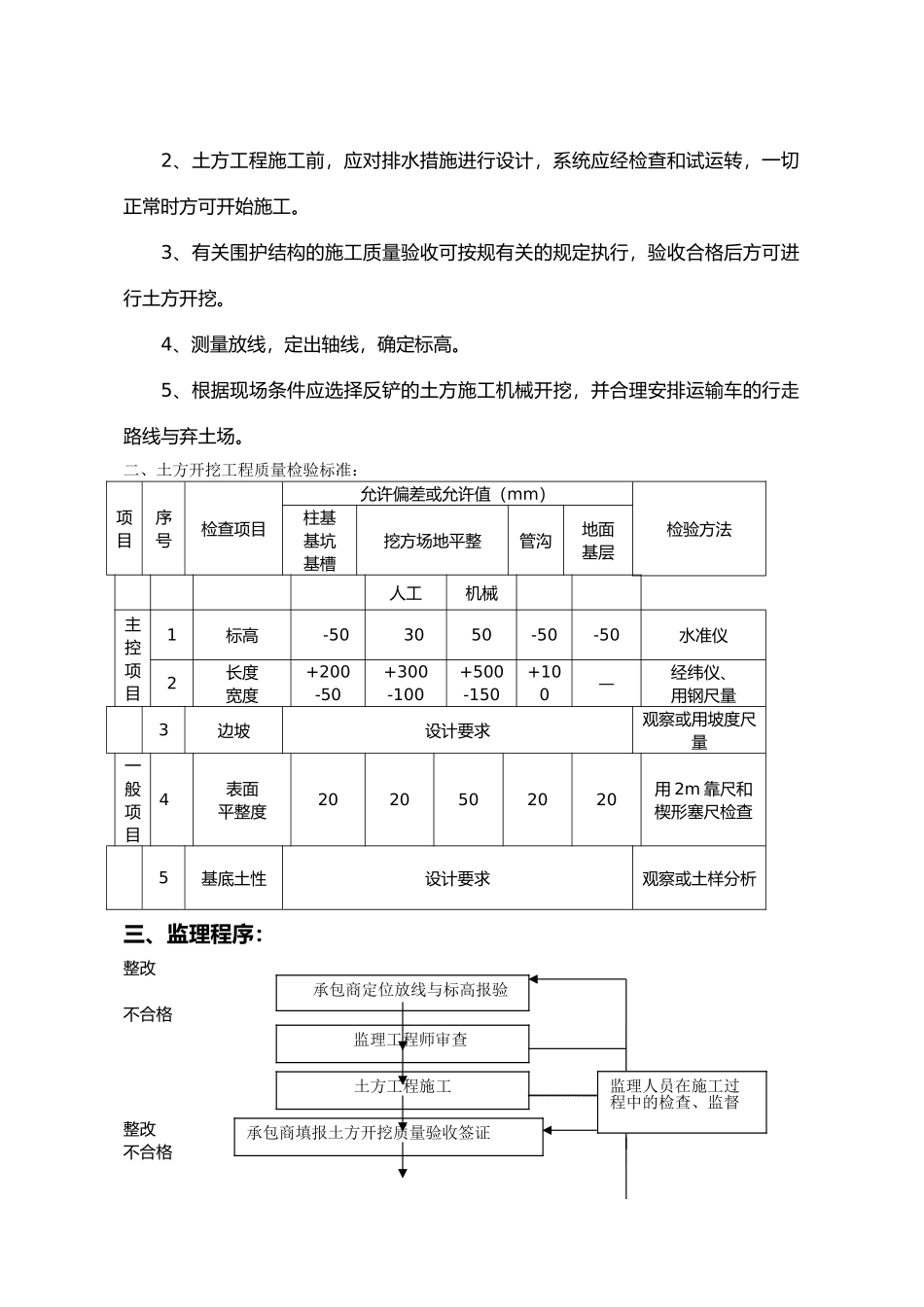
编制依据一、已批准的监理规划;二、与专业工程相关的标准、设计文件和技术资料;三、施工组织设计。工程概况1、工程名称:市威尔潞威科技新厂区公共设施用房工程2、建设地点:市小店区马练营路西侧,十一号线南街南侧3、总建筑面积:27639.33㎡4、层 数:地上一层5、结构类型:框架结构6、合同工期:365 天7、项目投资:约 6000 万8、建设单位:市威尔潞威科技进展9、设计单位:华城博远建筑规划设计10、勘察单位:裕宏岩土工程勘察检测11、监理单位:明源工程咨询监理12、施工单位:天河建筑工程13、质量标准:合格14、工程现场条件与特点:三通一平已完善,具备施工第一分部工程 地基与基础第一类 土方工程第一章 现行规与标准序号现行标准、规和规定标准号备注1.土方工程施工与验收规GBJ201-832.# *建筑工程施工质量验收统一标准GB50300-20013.# 建筑地基基础设计规GB50007-20244.# 建筑地基基础工程施工质量验收规GB50202-2024说明: 1. 带“# ”号为含强制性条文的标准、规2. 带“* ”号为现执行的标准、规补充第二章 土方开挖一、准备工序要求:1、基坑、管沟开挖前,应根据支护结构形式、挖深、地质条件、施工方法、周围环境、工期、气候和地面载荷等资料制定施工方案、环境保护措施、监控方案,经审批后方可施工。2、土方工程施工前,应对排水措施进行设计,系统应经检查和试运转,一切正常时方可开始施工。3、有关围护结构的施工质量验收可按规有关的规定执行,验收合格后方可进行土方开挖。4、测量放线,定出轴线,确定标高。5、根据现场条件应选择反铲的土方施工机械开挖,并合理安排运输车的行走路线与弃土场。二、土方开挖工程质量检验标准:项目序号检查项目允许偏差或允许值(mm)检验方法柱基基坑基槽挖方场地平整管沟地面基层人工机械主控项目1标高-503050-50-50水准仪2长度宽度+200-50+300-100+500-150+100—经纬仪、用钢尺量3边坡设计要求观察或用坡度尺量一般项目4表面平整度2020502020用 2m 靠尺和楔形塞尺检查5基底土性设计要求观察或土样分析三、监理程序:整改不合格整改不合格承包商定位放线与标高报验监理工程师审查土方工程施工承包商填报土方开挖质量验收签证监理人员在施工过程中的检查、监督四、应注意的质量问题:1、基底超挖:开挖基坑(槽)或管沟不得超过基底标高,如个别地方超挖时,其处理方法应取得设计单位的同意。2、基底未保护:基坑(槽)开挖后尽量减少对基土的扰动。假如基础不能与...

1、当您付费下载文档后,您只拥有了使用权限,并不意味着购买了版权,文档只能用于自身使用,不得用于其他商业用途(如 [转卖]进行直接盈利或[编辑后售卖]进行间接盈利)。
2、本站所有内容均由合作方或网友上传,本站不对文档的完整性、权威性及其观点立场正确性做任何保证或承诺!文档内容仅供研究参考,付费前请自行鉴别。
3、如文档内容存在违规,或者侵犯商业秘密、侵犯著作权等,请点击“违规举报”。

碎片内容

公共设施车间地基与主体细则

津创媒+ 关注
实名认证
内容提供者

欢迎交流文创,小店资料希望满足您的需要。

确认删除?
VIP
微信客服
  • 扫码咨询
会员Q群
  • 会员专属群点击这里加入QQ群
客服邮箱
回到顶部