电脑桌面
添加小米粒文库到电脑桌面
安装后可以在桌面快捷访问

关于开展农药质量检测能力验证计划的通知

关于开展农药质量检测能力验证计划的通知_第1页
1/6
关于开展农药质量检测能力验证计划的通知_第2页
2/6
关于开展农药质量检测能力验证计划的通知_第3页
3/6
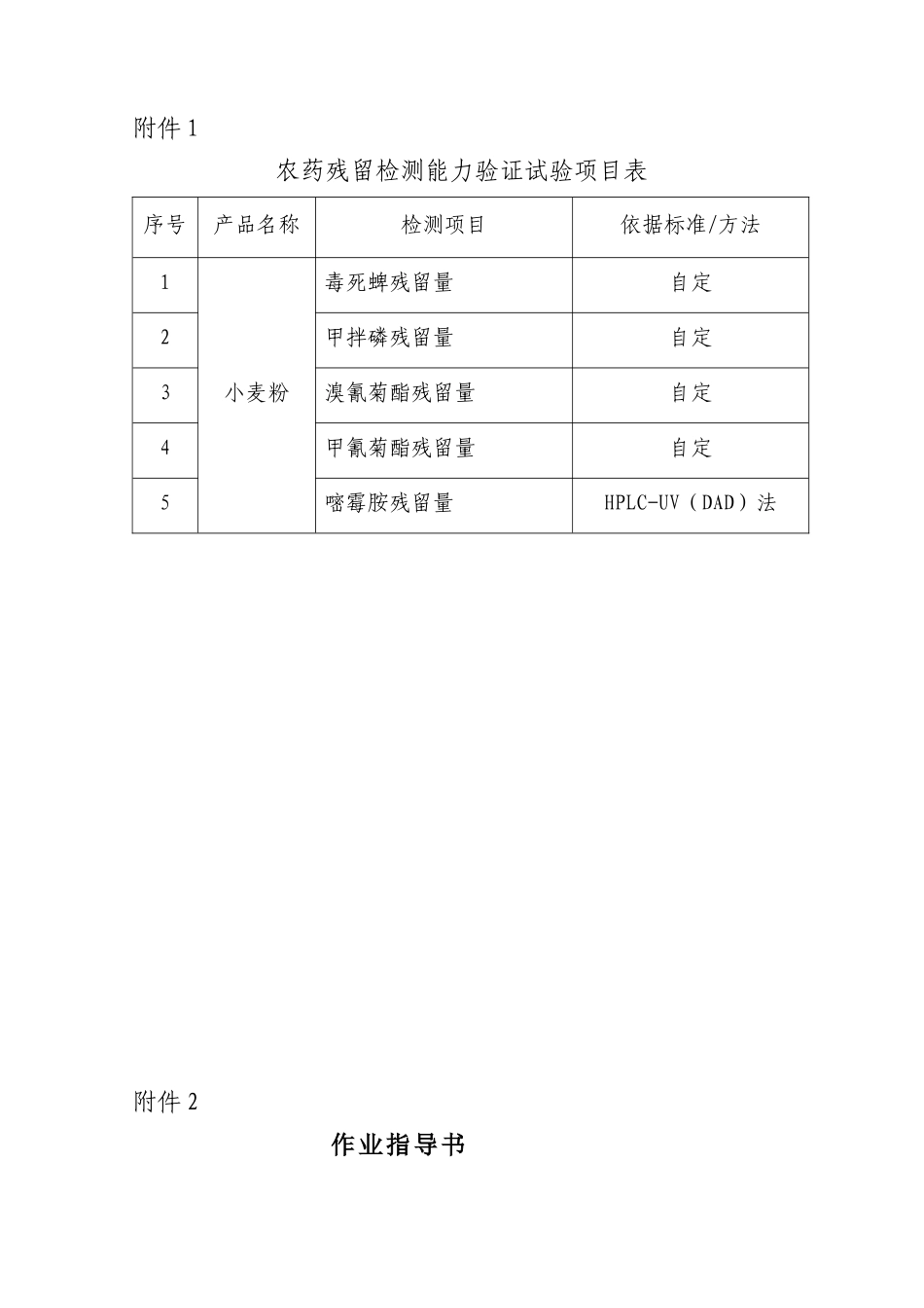
关于开展农药残留检测能力验证试验的通知各农药登记残留试验单位及相关实验室:为保证农药登记残留试验数据的准确性,提高农药残留检测实验技术水平,加强实验室内部管理,促进农产品质量提高,我所决定组织开展小麦粉中毒死蜱等 5 种农药残留量检测能力验证试验(代码 ICAMA202401),具体工作委托山西省农科院(山西省农药重点实验室)承担,现将有关事项通知如下:一、 试验项目小麦粉中毒死蜱、甲拌磷、溴氰菊酯、甲氰菊酯、嘧霉胺五种农药残留量的测定;详见附件 1,作业指导书详见附件2。二、 参加单位农药登记残留试验单位必须参加本次能力验证试验,相关农药残留检测实验室可自愿参加本次能力验证试验。三、 时间要求本次能力验证试验参加单位须填写能力验证报名表,详见附件 3,截止报名时间为 7 月 10 日;试验样品将于 7 月 16日之前寄出;试验要求于 2024 年 8 月 20 日前完成,并完成结果报告单(见附件 4),于 8 月 31 日前报山西省农科院(山西省农药重点实验室)。四、 其它事项(一) 根据报名情况,对确定参加验证试验的实验室进行统一编号,能力验证的总结报告只使用此编号,并对参加者的具体信息进行保密。(二)本次能力验证相关文件和表格从中国农药信息网下 载 专 区 (http://www.chinapestcide.gov.cn/download/view.html) 下载。 (三) 联系方式1.农业部农药检定所 联系人: 龚勇、刘光学 电话: 010-59194077、59194105、59194112 传真: 010-59194107 E-mail: gongyong@agri.gov.cn地址:北京市朝阳区麦子店街 22 号,1001252. 山西省农科院(山西省农药重点实验室)联系人:秦曙、乔雄梧电话:0351-7127683,7581865传真:0351-7126215E-mail:qinshu55@126.com地址:太原市农科北路 16 号,030031二九年六月九日〇〇附件 1 农药残留检测能力验证试验项目表序号产品名称检测项目依据标准/方法1小麦粉毒死蜱残留量自定2甲拌磷残留量自定3溴氰菊酯残留量自定4甲氰菊酯残留量自定5嘧霉胺残留量HPLC-UV(DAD)法附件 2 作业指导书《ICAMA 202401 小麦粉中 5 种农药残留量检测能力验证计划》 是由山西省农药重点实验室根据农业部农药检定所的要求制定的的一次能力验证。本次能力验证计划中,你单位的编号为 ,承检的样品编号为 、 、 、 、 、 、对比样品(CK)编号为 、标准溶液编号为 、 。本次能力验证计划的相关信息如下:1样品 本次能力验证...

1、当您付费下载文档后,您只拥有了使用权限,并不意味着购买了版权,文档只能用于自身使用,不得用于其他商业用途(如 [转卖]进行直接盈利或[编辑后售卖]进行间接盈利)。
2、本站所有内容均由合作方或网友上传,本站不对文档的完整性、权威性及其观点立场正确性做任何保证或承诺!文档内容仅供研究参考,付费前请自行鉴别。
3、如文档内容存在违规,或者侵犯商业秘密、侵犯著作权等,请点击“违规举报”。

碎片内容

关于开展农药质量检测能力验证计划的通知

确认删除?
VIP
微信客服
  • 扫码咨询
会员Q群
  • 会员专属群点击这里加入QQ群
客服邮箱
回到顶部